GM Service Manual Online
For 1990-2009 cars only
Figure 1:

Lamp Controls, Rear Torn Lamps, and Indicators


Object Number: 680143  Size: FS
Master Electrical Component List
Park Lamp Controls and Front Lamps - Pontiac
G204 1 of 2
Center High Mounted Stop Lamps
G204 1 of 2
Power, Ground, and Serial Data
Park Lamp Controls and Front Lamps - Chevrolet
Park Lamp Controls and Front Lamps - Pontiac
Rear Lamps
Rear Lamps
Park Lamp Controls and Front Lamps - Chevrolet
Park Lamp Controls and Front Lamps - Pontiac
Power, Ground, and Serial Data
Rear Lamps
Park Lamp Controls and Front Lamps - Chevrolet
Park Lamp Controls and Front Lamps - Pontiac
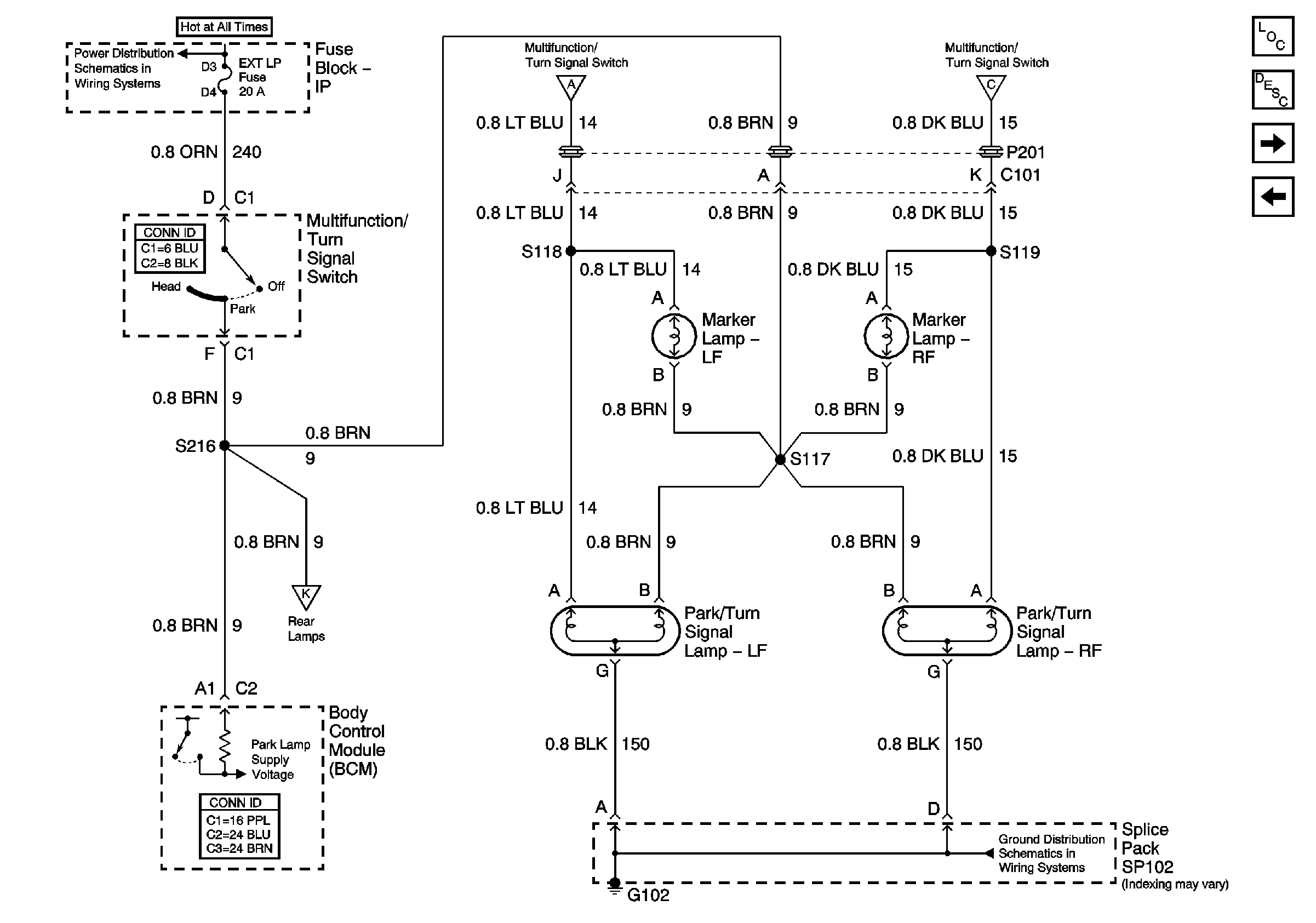
Figure 2:

Park Lamp Controls and Front Lamps -- Pontiac


Object Number: 788398  Size: FS
Master Electrical Component List
Park Lamp Controls and Front Lamps - Chevrolet
Lamp Controls, Rear Torn Lamps, and Indicators
G102 - 1 of 2
Lamp Controls, Rear Torn Lamps, and Indicators
Lamp Controls, Rear Torn Lamps, and Indicators
Lamp Controls, Rear Torn Lamps, and Indicators
Figure 3:

Park Lamp Controls and Front Lamps -- Chevrolet


Object Number: 788399  Size: FS
Master Electrical Component List
Rear Lamps
Park Lamp Controls and Front Lamps - Pontiac
G102 - 1 of 2
Lamp Controls, Rear Torn Lamps, and Indicators
Lamp Controls, Rear Torn Lamps, and Indicators
Lamp Controls, Rear Torn Lamps, and Indicators
Figure 4:

Rear Lamps


Object Number: 680180  Size: FS
Master Electrical Component List
Back Up Lamps
Park Lamp Controls and Front Lamps - Chevrolet
Lamp Controls, Rear Torn Lamps, and Indicators
G203
Lamp Controls, Rear Torn Lamps, and Indicators
Lamp Controls, Rear Torn Lamps, and Indicators
G304 1 of 2
Figure 5:

Back Up Lamps


Object Number: 680197  Size: FS
Master Electrical Component List
Center High Mounted Stop Lamps
Rear Lamps
Figure 6:

Center High Mounted Stop Lamps


Object Number: 680189  Size: FS
Master Electrical Component List
Back Up Lamps
Lamp Controls, Rear Torn Lamps, and Indicators