GM Service Manual Online
For 1990-2009 cars only
Makes
🢒
Chevrolet
🢒
2001
🢒
Cavalier
🢒
Body and Accessories
🢒
Instrument Panel, Gauges, and Console
🢒 Instrument Cluster Schematics
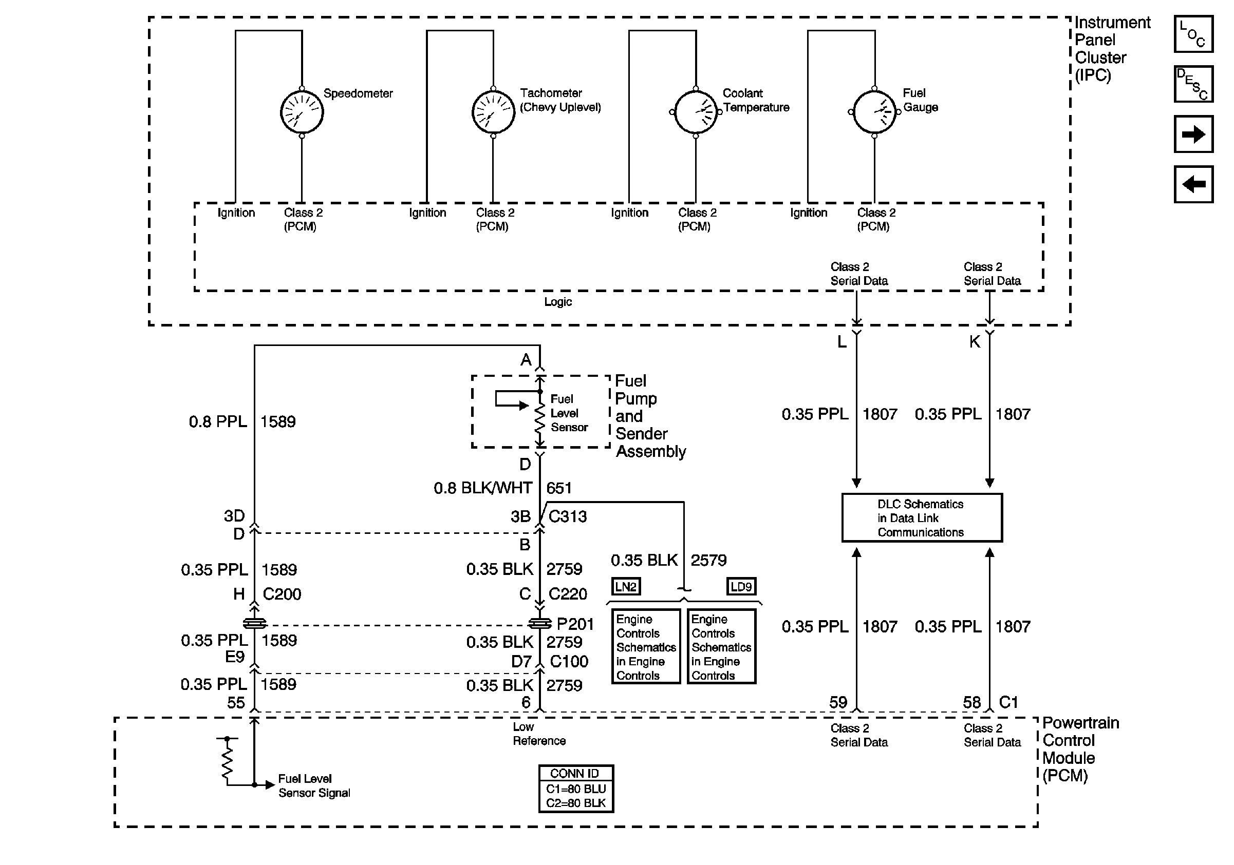
Figure
1:
Power, Ground and Serial Data
Master Electrical Component List
Gages
IP Fuse Block CIG, HORN, LT HDLP, CLSTR, EXT, LP, FOG Fuses, and HDLP Circuit Breaker
IP Fuse Block TURN - B/U, IGN MDL, PCM, BCM /CLU Fuses
G110
Data Link Connector
Figure
2:
Gages
Master Electrical Component List
Indicators
Power, Ground, and Serial Data
Figure
3:
Indicators
Master Electrical Component List
Gages
Lamp Controls, Rear Torn Lamps, and Indicators
Dimmer Controls
Module Power, Ground, Serial Data, and MIL
Module Power, Ground, Serial Data and MIL
Theft Deterrent Passlock™ Lock Cylinder
G204 1 of 2