GM Service Manual Online
For 1990-2009 cars only

Caution: Refer to Brake Fluid Irritant Caution in the Preface section.

Notice: Refer to Brake Fluid Effects on Paint and Electrical Components Notice in the Preface section.

Notice: Always connect or disconnect the wiring harness connector from the EBCM/EBTCM with the ignition switch in the OFF position. Failure to observe this precaution could result in damage to the EBCM/EBTCM.

Removal Procedure


    Object Number: 393786  Size: SH
  1. Turn the ignition switch to the OFF position.
  2. Clean the brake pressure modulator valve (BPMV) pipe fitting areas of any accumulated dirt and foreign material.
  3. Clean the electronic brake control module (EBCM) to BPMV area of any accumulated dirt and foreign material.
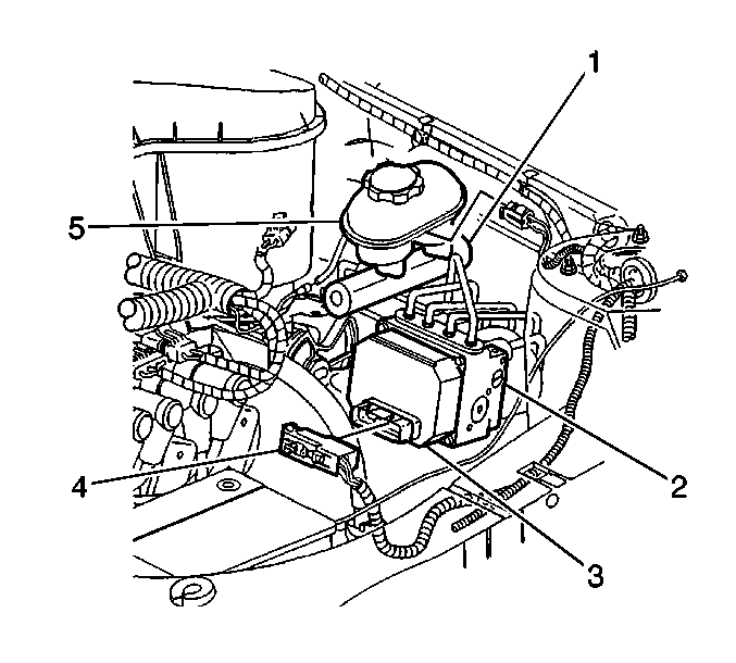
  4. Disengage the electrical connector position assurance (CPA) locking tab (1) from the connector sliding cover lock tab.
  5. Depress the cover lock tab, then move the sliding connector cover (2) to the open position.
  6. Disconnect the electrical connector from the EBCM.

  7. Object Number: 1311228  Size: SH

    Important: Prior to disconnecting the brake pipes from the antilock brake system (ABS) modulator assembly, note the locations of the brake pipes to the valve assembly, to aid during installation.

  8. Disconnect the caliper and wheel cylinder brake pipes (2) from the BPMV.
  9. Cap the brake pipe ends to prevent brake fluid loss and contamination.
  10. Plug the brake pipe ports on the BPMV to prevent fluid loss and contamination.
  11. Carefully reposition the caliper and wheel cylinder brake pipes (2) to gain access to the master cylinder pipes (1).
  12. Disconnect the master cylinder brake pipes (1) from the BPMV.
  13. Cap the brake pipe ends to prevent brake fluid loss and contamination.
  14. Plug the brake pipe ports on the BPMV to prevent fluid loss and contamination.

  15. Object Number: 1311226  Size: SH
  16. Remove the EBCM/BPMV assembly to mounting bracket bolt.
  17. Remove the EBCM/BPMV assembly from the vehicle.

  18. Object Number: 527343  Size: SH
  19. Remove the 4 EBCM-to-BPMV retaining bolts.
  20. Important: 

       • Do not pry apart the EBCM (1) from the BPMV (2) using a tool. Be careful not to damage seal on the EBCM or the mating surface of the BPMV.
       • Care must be taken not to damage the solenoids when the EBCM is removed from the BPMV.

  21. Separate the EBCM (1) from the BPMV (2) by carefully pulling apart.

Installation Procedure

Important: When installing a new brake modulator assembly, do NOT remove the shipping plugs from the pipe ports until after installation into the vehicle.


    Object Number: 527343  Size: SH
  1. Clean the seal and sealing surface of the EBCM, with denatured alcohol and a clean shop cloth.
  2. If the BPMV that was removed is being reinstalled, clean the sealing surface of the BPMV, with denatured alcohol and a clean shop cloth.
  3. Install the EBCM (1) to the BPMV (2). Use care when aligning the EBCM to the BPMV electrical terminals.
  4. Notice: Refer to Fastener Notice in the Preface section.

  5. Install the 4 EBCM-to-BPMV retaining bolts. Tighten the bolts in a criss-cross pattern.
  6. Tighten
    Tighten the bolts to 5 N·m (44 lb in).


    Object Number: 1311226  Size: SH
  7. Install the EBCM/BPMV assembly to the mounting bracket.
  8. Install the EBCM/BPMV assembly to mounting bracket bolt.
  9. Tighten
    Tighten the bolt to 10 N·m (89 lb in).


    Object Number: 1311228  Size: SH
  10. Remove the caps from the master cylinder brake pipe ends.
  11. Remove the plugs from the master cylinder ports on the BPMV.
  12. Connect the master cylinder brake pipes (1) to the BPMV, in the same location as removed. Refer to Hydraulic Brake Pipe Routing - Master Cylinder to ABS in Hydraulic Brakes.
  13. Install the brake pipe fittings at the BPMV.
  14. Tighten
    Tighten the fittings to 24 N·m (18 lb ft).

  15. Remove the caps from the caliper and wheel cylinder brake pipe ends.
  16. Remove the plugs from the caliper and wheel cylinder ports on the BPMV.
  17. Connect the caliper and wheel cylinder brake pipes (2) to the BPMV, in the same location as removed. Refer to Hydraulic Brake Pipe Routing - Master Cylinder to ABS in Hydraulic Brakes.
  18. Install the brake pipe fittings at the BPMV.
  19. Tighten
    Tighten the fittings to 24 N·m (18 lb ft).


    Object Number: 527273  Size: SH
  20. Connect the electrical harness connector (4) to the EBCM (3).

  21. Object Number: 393786  Size: SH
  22. Depress the cover lock tab, then move the sliding connector cover (2) to the home position to lock.
  23. Engage the electrical connector CPA locking tab (1) to the connector sliding cover lock tab.
  24. Perform the Antilock Brake System Automated Bleed Procedure .
  25. Important: Do NOT start the engine, but only turn the ignition switch to the ON position.

  26. Perform the Diagnostic System Check. Refer to Diagnostic System Check - Vehicle in Vehicle DTC Information.