GM Service Manual Online
For 1990-2009 cars only

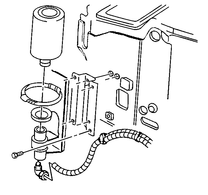
Removal Procedure

    Caution: Unless directed otherwise, the ignition and start switch must be in the OFF or LOCK position, and all electrical loads must be OFF before servicing any electrical component. Disconnect the negative battery cable to prevent an electrical spark should a tool or equipment come in contact with an exposed electrical terminal. Failure to follow these precautions may result in personal injury and/or damage to the vehicle or its components.

  1. Disconnect the negative battery cable. Refer to Negative Battery Cable in Battery Cable Replacement .
  2. Remove the ether capsule. Refer to Ether Capsule Replacement .
  3. Remove the ether injector tube from the ether injector tube connector.
  4. Remove the ether injector tube connector from the ether injector control valve assembly.

  5. Object Number: 206451  Size: SH
  6. Remove the ether injector control valve and bracket mounting bolts.
  7. Remove the ether injector control valve assembly from the cowl.

Installation Procedure


    Object Number: 206451  Size: SH
  1. Install the ether injector control valve and bracket assembly to the cowl.
  2. Notice: Use the correct fastener in the correct location. Replacement fasteners must be the correct part number for that application. Fasteners requiring replacement or fasteners requiring the use of thread locking compound or sealant are identified in the service procedure. Do not use paints, lubricants, or corrosion inhibitors on fasteners or fastener joint surfaces unless specified. These coatings affect fastener torque and joint clamping force and may damage the fastener. Use the correct tightening sequence and specifications when installing fasteners in order to avoid damage to parts and systems.

  3. Install the ether injector control valve and bracket mounting bolts.
  4. Tighten
    Tighten the ether injector control valve and bracket mounting bolts to 25 N·m (18 lb ft).

  5. Install the ether injector connector to the ether injector control valve assembly.
  6. Tighten
    Tighten the ether injector connector to valve assembly to 3.0 N·m (27 lb in).

  7. Install the ether injector tube to the ether injector tube connector.
  8. Tighten
    Tighten the ether injector tube connector nut to 4 N·m (35 lb in).

    Important: Do not over tighten the ether capsule.

  9. Install the ether capsule.
  10. Connect the negative battery cable. Refer to Battery Cable Replacement .