GM Service Manual Online
For 1990-2009 cars only
Figure 1:

Cell 18: Upfitter Connector--Terminal T and Upfitter IP (+) Junction Block


Object Number: 297974  Size: FS
Power and Grounding Components Upfitter Provisions
Cell 18: Upfitter Connector-Terminals A, F, L and Z
Handling ESD Sensitive Parts Notice
Figure 2:

Cell 18: Upfitter Connector--Terminals A, F, L and Z


Object Number: 297980  Size: FS
Power and Grounding Components Upfitter Provisions
Cell 18: Upfitter Connector-Terminals D, G, K, R, and V
Cell 18: Upfitter Connector-Terminal T and Upfitter IP (+) Junction BLock
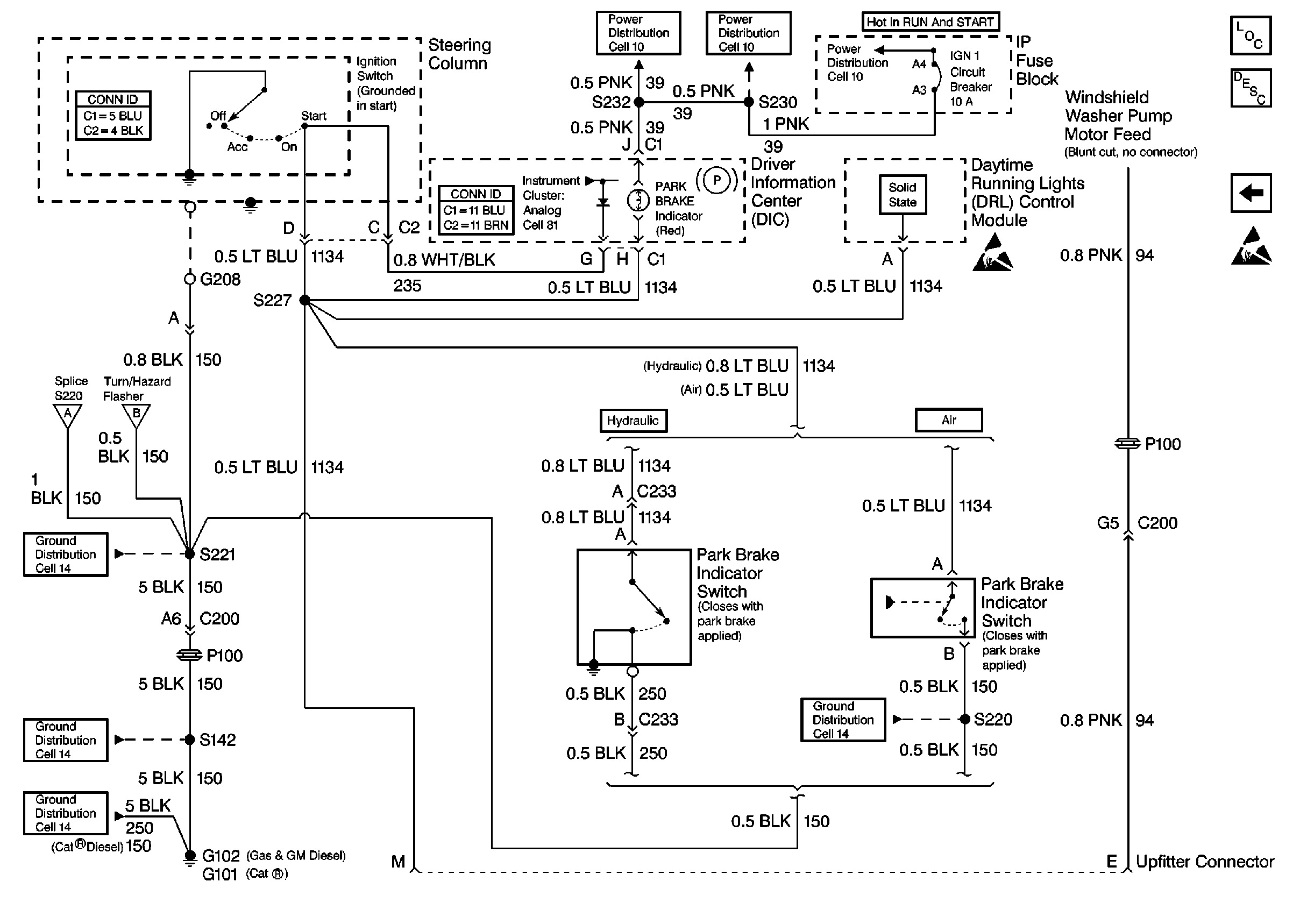
Cell 18: Upfitter Connector-Terminals E and M
Cell 18: Upfitter Connector-Terminals E and M
Figure 3:

Cell 18: Upfitter Connector--Terminals D, G, K, R, and V


Object Number: 297983  Size: FS
Power and Grounding Components Upfitter Provisions
Cell 18: Upfitter Connector-Terminals E and M
Cell 18: Upfitter Connector-Terminals A, F, L and Z
Figure 4:

Cell 18: Upfitter Connector--Terminals E and M


Object Number: 297986  Size: FS
Power and Grounding Components Upfitter Provisions
Cell 18: Upfitter Connector-Terminals D, G, K, R, and V
Handling ESD Sensitive Parts Notice