GM Service Manual Online
For 1990-2009 cars only
Makes
🢒
Chevrolet
🢒
1999
🢒
Chevrolet C-Series Medium Duty Truck B7
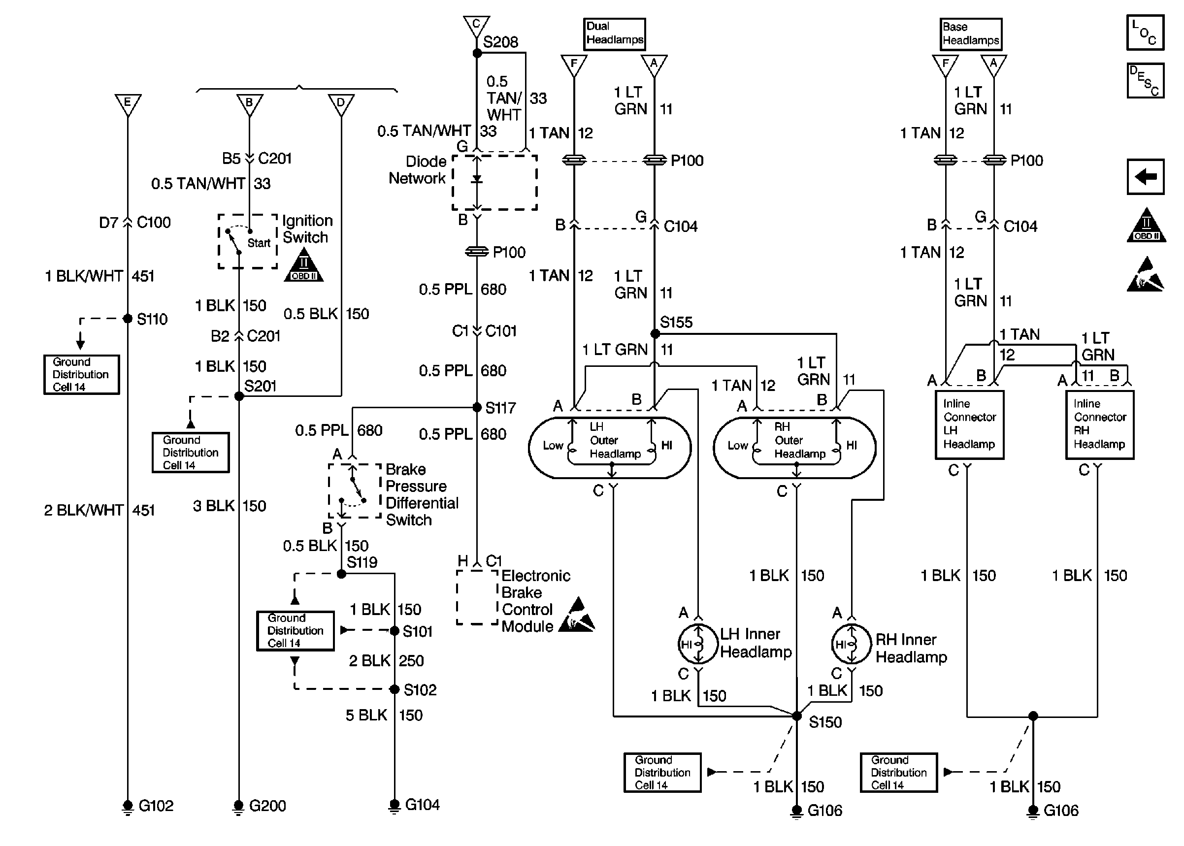
🢒 Cell 102: Headlights, Indicator Controllers
Cell 102: Headlights, Indicator Controllers
Cell 102: Headlights, Indicator Controllers
Cell 102: Fuses, DRL System, Indicators
Cell 102: Fuses, DRL System, Indicators
Cell 102: Fuses, DRL System, Indicators
Cell 102: Fuses, DRL System, Indicators
Cell 102: Fuses, DRL System, Indicators
Cell 102: Fuses, DRL System, Indicators
Cell 102: Fuses, DRL System, Indicators
Cell 102: Fuses, DRL System, Indicators
Cell 14: G102
Cell 14: G104
Cell 14: G105, G106, G107, (Dual Headlamps)
Cell 14: G105, G106, G107, (Dual Headlamps)
Lighting Systems Components
Lighting System Operation
Cell 102: Fuses, DRL System, Indicators
OBDII Symbol Description Notice
OBDII Symbol Description Notice
Handling Electrostatic Discharge Sensitive Parts Notice
Handling Electrostatic Discharge Sensitive Parts Notice
Cell 14: G200