GM Service Manual Online
For 1990-2009 cars only
Makes
🢒
Chevrolet
🢒
1999
🢒
Chevrolet C-Series Medium Duty Truck B7
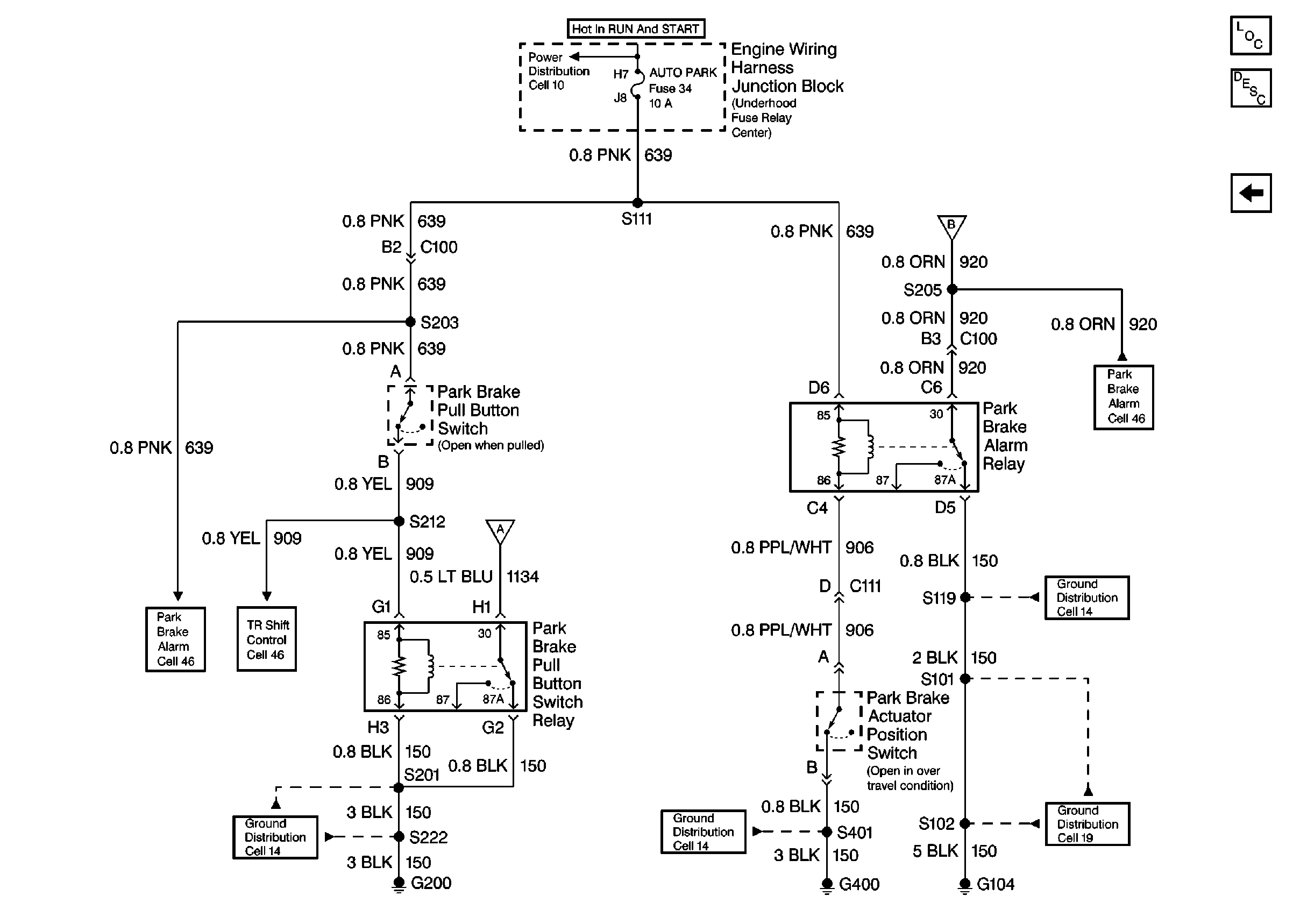
🢒 Cell 41: Brake Warning Relays
Cell 41: Brake Warning Relays
Cell 41: Brake Warning Relays
Hydraulic Brakes Components
Brake Warning System Operation
Cell 41: Brake Warning Circuit
Cell 10: Hot in Run and Start Fuses
Cell 41: Brake Warning Circuit
Cell 76: Park Brake Alarm
Cell 14: G101, G103, G109, and G110
Cell 14: G104
Cell 14: G300 and G400
Cell 41: Brake Warning Circuit
Cell 14: G200
Cell 46
Cell 46