GM Service Manual Online
For 1990-2009 cars only
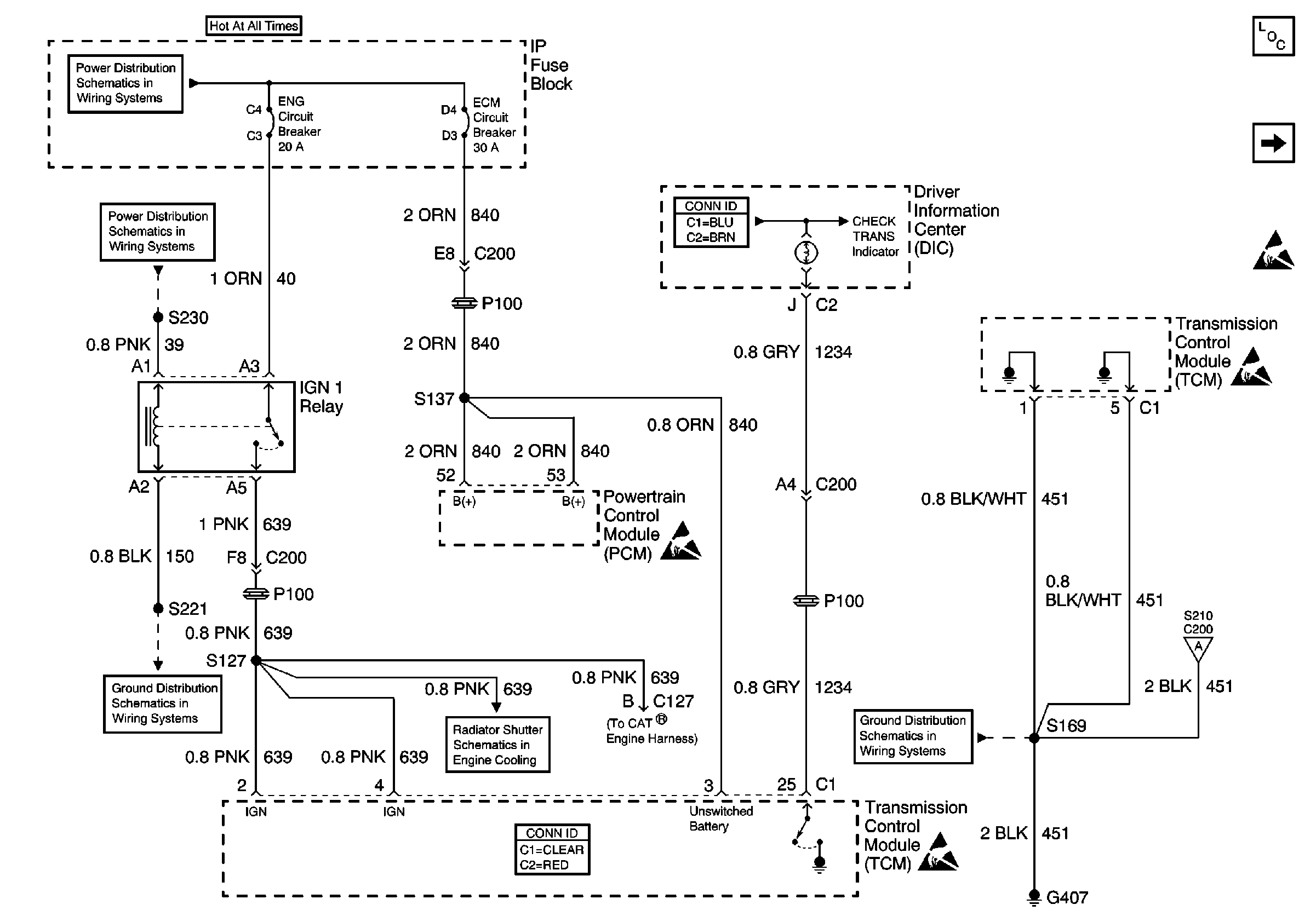
Figure 1:

Power and Ground, MIL (MX4)


Object Number: 624068  Size: FS
Transmission Controls Components
DLC, VSS (MX4)
Handling ESD Sensitive Parts Notice
ENG, ECM, FUEL Circuit Breakers
IGN 1 Circuit Breaker (1 of 2)
Diesel Engine, S221
Instrument Panel, Gages, and Console Connector End Views
Handling ESD Sensitive Parts Notice
Diesel Engine, S169 and S210
Handling ESD Sensitive Parts Notice
Handling ESD Sensitive Parts Notice
Stoplamps (MX4)
LG5
Transmission Controls Connector End Views
Figure 2:

DLC, VSS (MX4)


Object Number: 624070  Size: FS
Transmission Controls Components
Spees Sensors, Sump Temperature and Trans I.D. (MX4)
Power and Ground, MIL (MX4)
Handling ESD Sensitive Parts Notice
Transmission Controls Connector End Views
IGN 1 Circuit Breaker (1 of 2)
PCM, Speedo Adapter, Speedometer and Vehicle Speed Sensor
Cell 81: IP Cluster - Gauges and Check Gauges Indicator
Handling ESD Sensitive Parts Notice
Two Speed Rear Axle Circuits
Handling ESD Sensitive Parts Notice
Gasoline Engine, S141 and S210
Handling ESD Sensitive Parts Notice
Figure 3:

Spees Sensors, Sump Temperature and Trans I.D. (MX4)


Object Number: 624073  Size: FS
Transmission Controls Components
Exhaust Brake (MX4)
DLC, VSS (MX4)
Handling ESD Sensitive Parts Notice
Splicing Twisted or Shielded Cable
Transmission Controls Connector End Views
Splicing Twisted or Shielded Cable
Splicing Twisted or Shielded Cable
Splicing Twisted or Shielded Cable
Handling ESD Sensitive Parts Notice
Internal Pressure Switches and Solenoids (MX4)
Handling ESD Sensitive Parts Notice
Figure 4:

Exhaust Brake (MX4)


Object Number: 624075  Size: FS
Transmission Controls Components
Stoplamps (MX4)
Spees Sensors, Sump Temperature and Trans I.D. (MX4)
Handling ESD Sensitive Parts Notice
Handling ESD Sensitive Parts Notice
Transmission Controls Connector End Views
Handling ESD Sensitive Parts Notice
Handling ESD Sensitive Parts Notice
Air Antilock Brake System Connector End Views
Handling ESD Sensitive Parts Notice
Diesel Engine, S220
Diesel Engine, S221
Diesel Engine, S142
Figure 5:

Stoplamps (MX4)


Object Number: 624077  Size: FS
Transmission Controls Components
Internal Pressure Switches and Solenoids (MX4)
Exhaust Brake (MX4)
Handling ESD Sensitive Parts Notice
STOP LP, HORNS, TL/MKR, PNL, HAZ Circuit Breakers
Lighting Systems Connector End Views
Instrument Panel, Gages, and Console Connector End Views
Handling ESD Sensitive Parts Notice
Handling ESD Sensitive Parts Notice
Transmission Controls Connector End Views
Diesel Engine, S169 and S210
Power and Ground, MIL (MX4)
Handling ESD Sensitive Parts Notice
Figure 6:

Internal Pressure Switches and Solenoids (MX4)


Object Number: 624079  Size: FS
Transmission Controls Components
Stoplamps (MX4)
Handling ESD Sensitive Parts Notice
Transmission Controls Connector End Views
Handling ESD Sensitive Parts Notice
Transmission Controls Connector End Views
Spees Sensors, Sump Temperature and Trans I.D. (MX4)
Handling ESD Sensitive Parts Notice