GM Service Manual Online
For 1990-2009 cars only
Figure 1:

Battery, HORN/STOP, HD LP SW, IGN SW 1 Fuses, BRK, HORNS, STOP LP Circuit Breakers


Object Number: 588897  Size: FS
Power and Grounding Components Power Distribution
ENGINE, AUX, BODY POWER 1 Fuses, ENG, ECM, FUEL, AUX 2, AUX 1, ETM, PCM Circuit Breakers
BODY POWER 2, PCM/INJECTORS, ABS, IGN SW 2, STARTER, LIGHTING Fuses, EVEN INJ, ODD INJ, TL/MKR, PNL, HAZ Circuit Breakers
ENGINE, AUX, BODY POWER 1 Fuses, ENG, ECM, FUEL, AUX 2, AUX 1, ETM, PCM Circuit Breakers
CHASSIS, IGN 3, B/U, ACC, START, IGN 1 Circuit Breakers
Engine Electrical Connector End Views
Engine Electrical Connector End Views
Figure 2:

ENGINE, AUX, BODY POWER 1 Fuses, ENG, ECM, FUEL, AUX 2, AUX 1, ETM, PCM Circuit Breakers


Object Number: 588901  Size: FS
Power and Grounding Components Power Distribution
BODY POWER 2, PCM/INJECTORS, ABS, IGN SW 2, STARTER, LIGHTING Fuses, EVEN INJ, ODD INJ, TL/MKR, PNL, HAZ Circuit Breakers
Battery, HORN/STOP, HD LP SW, IGN SW 1 Fuses, BRK, HORNS, STOP LP CircUit Breakers
Battery, HORN/STOP, HD LP SW, IGN SW 1 Fuses, BRK, HORNS, STOP LP CircUit Breakers
BODY POWER 2, PCM/INJECTORS, ABS, IGN SW 2, STARTER, LIGHTING Fuses, EVEN INJ, ODD INJ, TL/MKR, PNL, HAZ Circuit Breakers
Figure 3:

BODY POWER 2, PCM/INJECTORS, ABS, IGN SW 2, STARTER, LIGHTING Fuses, EVEN INJ, ODD INJ, TL/MKR, PNL, HAZ Circuit Breakers


Object Number: 588909  Size: FS
Power and Grounding Components Power Distribution
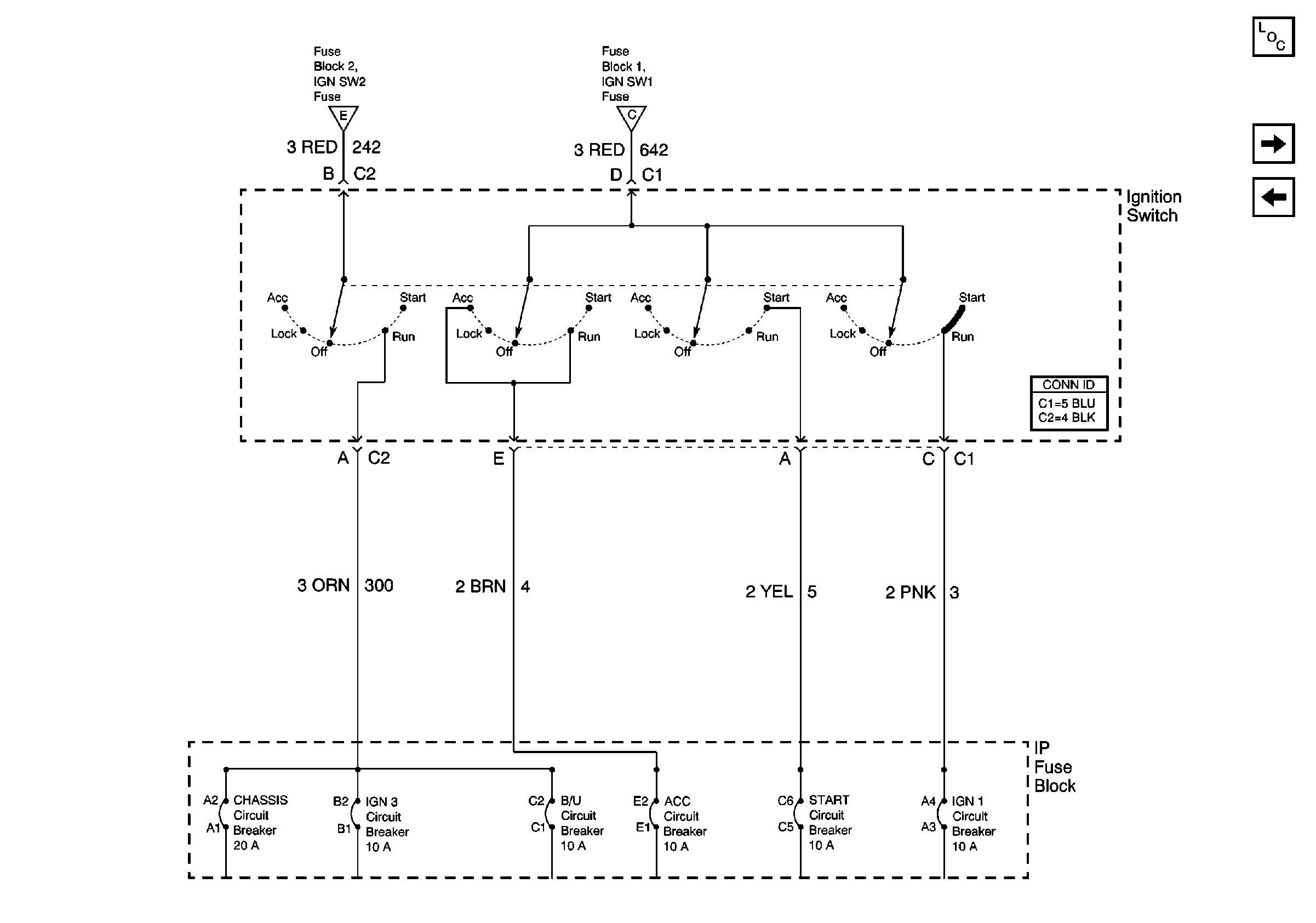
CHASSIS, IGN 3, B/U, ACC, START, IGN 1 Circuit Breakers
ENGINE, AUX, BODY POWER 1 Fuses, ENG, ECM, FUEL, AUX 2, AUX 1, ETM, PCM Circuit Breakers
Handling ESD Sensitive Parts Notice
Battery, HORN/STOP, HD LP SW, IGN SW 1 Fuses, BRK, HORNS, STOP LP CircUit Breakers
ENGINE, AUX, BODY POWER 1 Fuses, ENG, ECM, FUEL, AUX 2, AUX 1, ETM, PCM Circuit Breakers
CHASSIS, IGN 3, B/U, ACC, START, IGN 1 Circuit Breakers
Antilock Brake System Connector End Views
Figure 4:

CHASSIS, IGN 3, B/U, ACC, START, IGN 1 Circuit Breakers


Object Number: 588911  Size: FS
Power and Grounding Components Power Distribution
IGN 1 Circuit Breaker (1 of 2)
BODY POWER 2, PCM/INJECTORS, ABS, IGN SW 2, STARTER, LIGHTING Fuses, EVEN INJ, ODD INJ, TL/MKR, PNL, HAZ Circuit Breakers
BODY POWER 2, PCM/INJECTORS, ABS, IGN SW 2, STARTER, LIGHTING Fuses, EVEN INJ, ODD INJ, TL/MKR, PNL, HAZ Circuit Breakers
Battery, HORN/STOP, HD LP SW, IGN SW 1 Fuses, BRK, HORNS, STOP LP CircUit Breakers
Power and Grounding Connector End Views
Figure 5:

IGN 1 Circuit Breaker (1 of 2)


Object Number: 588912  Size: FS
Power and Grounding Components Power Distribution
IGN 1 Circuit Breaker (2 of 2)
CHASSIS, IGN 3, B/U, ACC, START, IGN 1 Circuit Breakers
Handling ESD Sensitive Parts Notice
IGN 1 Circuit Breaker (2 of 2)
IGN 1 Circuit Breaker (2 of 2)
Hydraulic Brake Connector End Views
Engine Electrical Connector End Views
Figure 6:

IGN 1 Circuit Breaker (2 of 2)


Object Number: 588915  Size: FS
Power and Grounding Components Power Distribution
IGN 3 Circuit Breaker
IGN 1 Circuit Breaker (1 of 2)
Handling ESD Sensitive Parts Notice
IGN 1 Circuit Breaker (1 of 2)
IGN 1 Circuit Breaker (1 of 2)
Instrument Panel, Gages, and Console Connector End Views
Figure 7:

IGN 3 Circuit Breaker


Object Number: 588918  Size: FS
Power and Grounding Components Power Distribution
AUX 2, CHASSIS, B/U, AUX 1 Circuit Breakers
IGN 1 Circuit Breaker (2 of 2)
Handling ESD Sensitive Parts Notice
AUX 2, CHASSIS, B/U, AUX 1 Circuit Breakers
AUX 2, CHASSIS, B/U, AUX 1 Circuit Breakers
Antilock Brake System Connector End Views
Engine Electrical Connector End Views
Figure 8:

AUX 2, CHASSIS, B/U, AUX 1 Circuit Breakers


Object Number: 588920  Size: FS
Power and Grounding Components Power Distribution
STOP LP, HORNS, TL/MKR, PNL, HAZ Circuit Breakers
IGN 3 Circuit Breaker
Handling ESD Sensitive Parts Notice
IGN 3 Circuit Breaker
Figure 9:

STOP LP, HORNS, TL/MKR, PNL, HAZ Circuit Breakers


Object Number: 588923  Size: FS
Power and Grounding Components Power Distribution
ENG, ECM, FUEL Circuit Breakers
AUX 2, CHASSIS, B/U, AUX 1 Circuit Breakers
Lighting Systems Connector End Views
Figure 10:

ENG, ECM, FUEL Circuit Breakers


Object Number: 588925  Size: FS
Power and Grounding Components Power Distribution
START, ACC, BRK Circuit Breakers
STOP LP, HORNS, TL/MKR, PNL, HAZ Circuit Breakers
Handling ESD Sensitive Parts Notice
Powertrain Control Module Connector End Views
Figure 11:

START, ACC, BRK Circuit Breakers


Object Number: 588930  Size: FS
Power and Grounding Components Power Distribution
PCM, ODD INJ Circuit Breakers
ENG, ECM, FUEL Circuit Breakers
Handling ESD Sensitive Parts Notice
Lighting Systems Connector End Views
Powertrain Control Module Connector End Views
Figure 12:

PCM, ODD INJ Circuit Breakers


Object Number: 588933  Size: FS
Power and Grounding Components Power Distribution
ETM, EVEN INJ Circuit Breakers
START, ACC, BRK Circuit Breakers
Handling ESD Sensitive Parts Notice
ETM, EVEN INJ Circuit Breakers
Powertrain Control Module Connector End Views
Figure 13:

ETM, EVEN INJ Circuit Breakers


Object Number: 588936  Size: FS
Power and Grounding Components Power Distribution
PCM, ODD INJ Circuit Breakers
Handling ESD Sensitive Parts Notice
PCM, ODD INJ Circuit Breakers