GM Service Manual Online
For 1990-2009 cars only
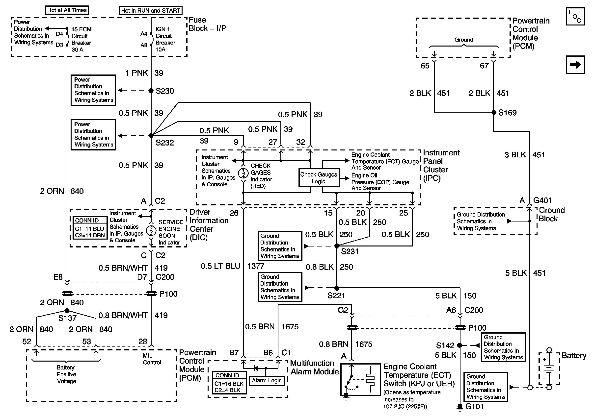
Figure 1:

CHECK GAGES (MIL), ECT Switch, MFAM, PCM and SERVICE ENGINE SOON Indicator


Object Number: 725677  Size: FS
Master Electrical Component List
ECT, EOP and Low Coolant Switches, MFAM and Stoplamp Switch Interface Module
AUX 1, AUX 2, ECM, ENG, ETM and FUEL Circuit Breakers, AUX, BODY POWER1 and ENGINE Fuses
IGN 1 Circuit Breaker, S225, S226, S230
IGN 1 Circuit Breaker, S232, S243
Driver Information Center (DIC), ABS, CHANGE OIL, DRL, ENGINE OVERSPEED, HIGH IDLE, INTAKE HEATER, LOW AIR, LOW COOLANT, PRIMARY BRAKE and SERVICE ENGINE SOON Indicators
Instrument Panel Cluster (IPC), CHECK GAUGES Indicator, Engine Coolant Temperature (ECT), and Engine Oil Pressure (EOP) Gauges and Voltmeter
S105, S261 and S231
G207, G208 and S221 (L18)
Instrument Panel Cluster (IPC), CHECK GAUGES Indicator, Engine Coolant Temperature (ECT), and Engine Oil Pressure (EOP) Gauges and Voltmeter
S142, S178, S179, S405 and S409 (L18)
G100, G101, G103, G107, G117, G119, G120, G121, G124, G400, G401, G405,G412, G413 and G414, S170
G100, G101, G103, G107, G117, G119, G120, G121, G124, G400, G401, G405,G412, G413 and G414, S170
Figure 2:

ECT, EOP and Low Coolant Switches, MFAM and Stoplamp Switch Interface Module


Object Number: 725680  Size: FS
Master Electrical Component List
Data Link Connector (DLC)
CHECK GAGES (MIL), ECT Switch, MFAM, PCM and SERVICE ENGINE SOON Indicator
IGN 1 Circuit Breaker, S225, S226, S230
S220, S229 (LG5 - Late)
S220, S229 (LG5 - Late)
G108, G207, G208 and S221 (LG5)
S142 and S241 (LG5)
G101, S138, and S405 (LG5)
Figure 3:

Data Link Connector (DLC)


Object Number: 725684  Size: FS
Master Electrical Component List
Power and Ground, Ignition 3 Relay and Fuel Heater
ECT, EOP and Low Coolant Switches, MFAM and Stoplamp Switch Interface Module
Engine Controls Schematic Icons
Battery and BRK, HORNS and STOP LP Circuit Breakers, HD LP SW, HORN/STOP and IGN SW 1 Fuses
HAZ, HORNS, PNL, STOP LP and TL/MKR Circuit Breakers
S220, S229 (LG5 - Late)
G108, G207, G208 and S221 (LG5)
S142 and S241 (LG5)
G100, G101, G103, G107, G117, G119, G120, G121, G124, G400, G401, G405,G412, G413 and G414, S170
G100, G101, G103, G107, G117, G119, G120, G121, G124, G400, G401, G405,G412, G413 and G414, S170
MFAM, PCM, Stoplamp Switch, and C212 (Upfitter Connector) 1 of 2
S169, S210, S411 and S 414 (LG5)
S169, S210, S411 and S 414 (LG5)
Engine Controls Schematic Icons
Engine Controls Schematic Icons
Engine Controls Schematic Icons
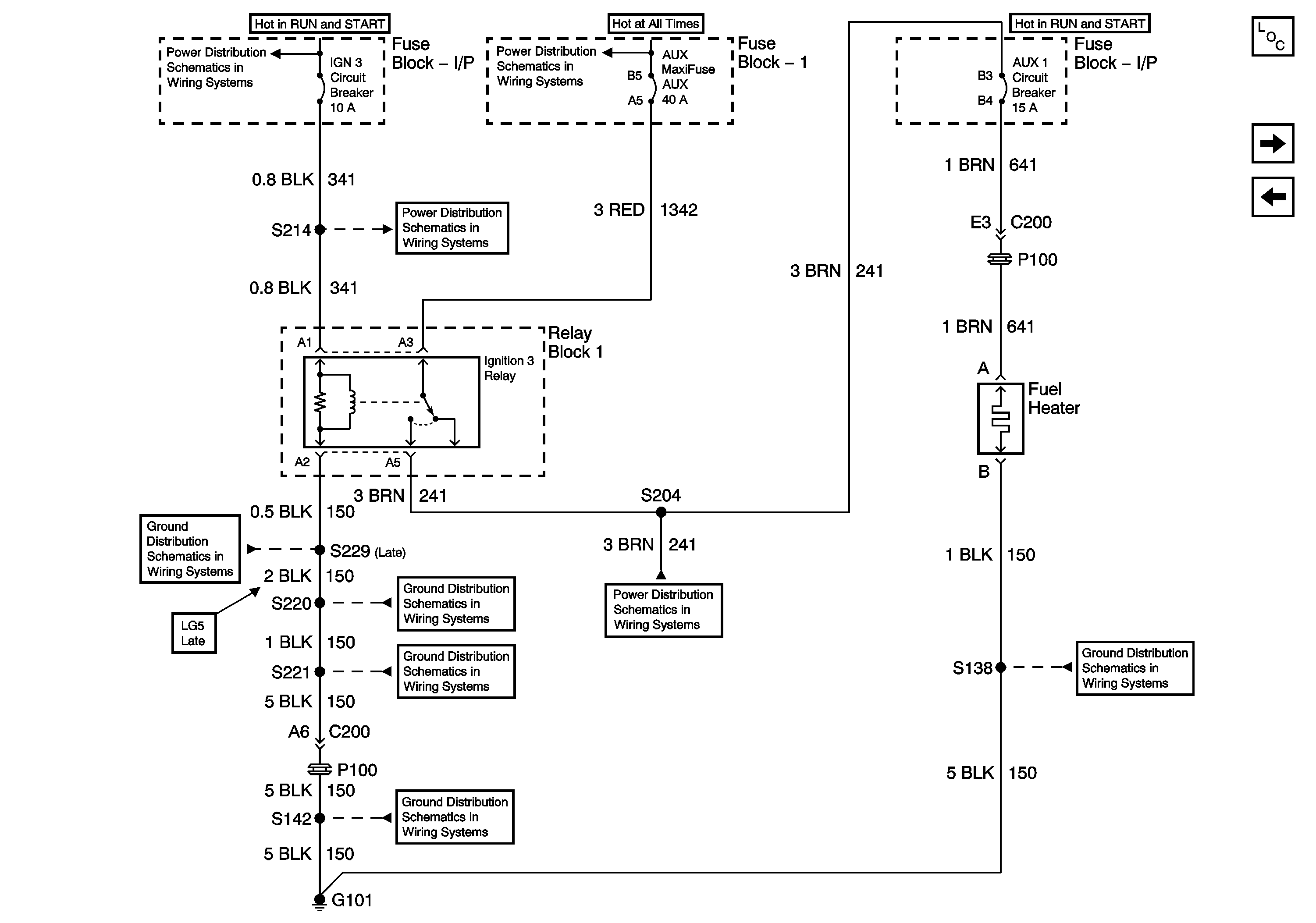
Figure 4:

Power and Ground, Ignition 3 Relay and Fuel Heater


Object Number: 725687  Size: FS
Master Electrical Component List
Air (IA) Heater, INTAKE HEATER Indicator, Connector C127 and Ignition1 Relay
Data Link Connector (DLC)
ACC, B/U, CHASSIS, IGN 1, IGN 3 and START Circuit Breakers
IGN 3 Circuit Breaker
S220, S229 (LG5 - Late)
S220, S229 (LG5 - Late)
G108, G207, G208 and S221 (LG5)
S142 and S241 (LG5)
AUX 1, AUX 2, ECM, ENG, ETM and FUEL Circuit Breakers, AUX, BODY POWER1 and ENGINE Fuses
AUX 1, AUX 2, ECM, ENG, ETM and FUEL Circuit Breakers, AUX, BODY POWER1 and ENGINE Fuses
G101, S138, and S405 (LG5)
Figure 5:

Air (IA) Heater, INTAKE HEATER Indicator, Connector C127 and Ignition 1 Relay


Object Number: 725690  Size: FS
Master Electrical Component List
Powertrain Control Module (PCM), Speedometer Adapter, Speedometer and Vehicle Speed Sensor (VSS)
Power and Ground, Ignition 3 Relay and Fuel Heater
Battery and BRK, HORNS and STOP LP Circuit Breakers, HD LP SW, HORN/STOP and IGN SW 1 Fuses
Battery and BRK, HORNS and STOP LP Circuit Breakers, HD LP SW, HORN/STOP and IGN SW 1 Fuses
G108, G207, G208 and S221 (LG5)
S142 and S241 (LG5)
G101, S138, and S405 (LG5)
ACC, B/U, CHASSIS, IGN 1, IGN 3 and START Circuit Breakers
IGN 1 Circuit Breaker, S225, S226, S230
IGN 1 Circuit Breaker, S232, S243
Driver Information Center (DIC), ABS, CHANGE OIL, DRL, ENGINE OVERSPEED, HIGH IDLE, INTAKE HEATER, LOW AIR, LOW COOLANT, PRIMARY BRAKE and SERVICE ENGINE SOON Indicators
AUX 1, AUX 2, ECM, ENG, ETM and FUEL Circuit Breakers, AUX, BODY POWER1 and ENGINE Fuses
Automatic Transmission Modulator, Relay and Shift Lever, Ignition 1Relay and PCM
Radiator Shutter
Figure 6:

Powertrain Control Module (PCM), Speedometer Adapter, Speedometer and Vehicle Speed Sensor (VSS)


Object Number: 725693  Size: FS
Master Electrical Component List
Vehicle Speed Sensor (VSS) (Late)
Air (IA) Heater, INTAKE HEATER Indicator, Connector C127 and Ignition1 Relay
ACC, B/U, CHASSIS, IGN 1, IGN 3 and START Circuit Breakers
IGN 1 Circuit Breaker, S232, S243
Instrument Panel Cluster (IPC), Fuel Gauge, Generator Charge Indicator, Speedometer and Tachometer
S169, S210, S411 and S 414 (LG5)
S169, S210, S411 and S 414 (LG5)
G100, G101, G103, G107, G117, G119, G120, G121, G124, G400, G401, G405,G412, G413 and G414, S170
Figure 7:

Vehicle Speed Sensor (VSS) (Late)


Object Number: 761554  Size: FS
Master Electrical Component List
ECT and EOP Gauges and Sensors, Generator, Generator Charge and HI IDLE Indicators and PCM
Powertrain Control Module (PCM), Speedometer Adapter, Speedometer and Vehicle Speed Sensor (VSS)
Engine Controls Schematic Icons
Engine Controls Schematic Icons
Engine Controls Schematic Icons
Instrument Panel Cluster (IPC), Fuel Gauge, Generator Charge Indicator, Speedometer and Tachometer
Figure 8:

ECT and EOP Gauges and Sensors, Generator, Generator Charge and HI IDLE Indicators and PCM


Object Number: 725695  Size: FS
Master Electrical Component List
EBCM, Engine Brake Relay, Switch and Solenoid Valve, and PCM
Vehicle Speed Sensor (VSS) (Late)
IGN 1 Circuit Breaker, S225, S226, S230
Driver Information Center (DIC), ABS, CHANGE OIL, DRL, ENGINE OVERSPEED, HIGH IDLE, INTAKE HEATER, LOW AIR, LOW COOLANT, PRIMARY BRAKE and SERVICE ENGINE SOON Indicators
Instrument Panel Cluster (IPC), Fuel Gauge, Generator Charge Indicator, Speedometer and Tachometer
ACC, B/U, CHASSIS, IGN 1, IGN 3 and START Circuit Breakers
Instrument Panel Cluster (IPC), CHECK GAUGES Indicator, Engine Coolant Temperature (ECT), and Engine Oil Pressure (EOP) Gauges and Voltmeter
G108, G207, G208 and S221 (LG5)
Instrument Panel Cluster (IPC), CHECK GAUGES Indicator, Engine Coolant Temperature (ECT), and Engine Oil Pressure (EOP) Gauges and Voltmeter
S105, S261 and S231
G101, S138, and S405 (LG5)
S142 and S241 (LG5)
Figure 9:

EBCM, Engine Brake Relay, Switch and Solenoid Valve, and PCM


Object Number: 725697  Size: FS
Master Electrical Component List
MFAM, PCM, Stoplamp Switch, and C212 (Upfitter Connector) 1 of 2
ECT and EOP Gauges and Sensors, Generator, Generator Charge and HI IDLE Indicators and PCM
S220, S229 (LG5 - Late)
G108, G207, G208 and S221 (LG5)
S142 and S241 (LG5)
Figure 10:

MFAM, PCM, Stoplamp Switch, and C212 (Upfitter Connector) 1 of 2


Object Number: 725700  Size: FS
Master Electrical Component List
MFAM, PCM, Stoplamp Switch, and C212 (Upfitter Connector) 2 of 2
EBCM, Engine Brake Relay, Switch and Solenoid Valve, and PCM
HAZ, HORNS, PNL, STOP LP and TL/MKR Circuit Breakers
Data Link Connector (DLC)
Figure 11:

MFAM, PCM, Stoplamp Switch, and C212 (Upfitter Connector) 2 of 2


Object Number: 729250  Size: FS
Master Electrical Component List
Accelerator Pedal Position (APP) Sensor, Clutch Pedal Position (CPP),Turn Signal/Multifunction , High Idle and Stoplamp Switches, EBCM and PCM
MFAM, PCM, Stoplamp Switch, and C212 (Upfitter Connector) 1 of 2
Figure 12:

Accelerator Pedal Position (APP) Sensor, Clutch Pedal Position (CPP), Turn Signal/Multifunction , High Idle and Stoplamp Switches, EBCM and PCM


Object Number: 725702  Size: FS
Master Electrical Component List
Automatic Transmission Modulator, Relay and Shift Lever, Ignition 1Relay and PCM
MFAM, PCM, Stoplamp Switch, and C212 (Upfitter Connector) 2 of 2
Figure 13:

Automatic Transmission Modulator, Relay and Shift Lever, Ignition 1 Relay and PCM


Object Number: 725706  Size: FS
Master Electrical Component List
Accelerator Pedal Position (APP) Sensor, Clutch Pedal Position (CPP),Turn Signal/Multifunction , High Idle and Stoplamp Switches, EBCM and PCM
S220, S229 (LG5 - Late)
ECM, ENG and FUEL Circuit Breakers
G101, S138, and S405 (LG5)
IGN 1 Circuit Breaker, S225, S226, S230
Air (IA) Heater, INTAKE HEATER Indicator, Connector C127 and Ignition1 Relay
G108, G207, G208 and S221 (LG5)
S142 and S241 (LG5)