GM Service Manual Online
For 1990-2009 cars only

Refer to

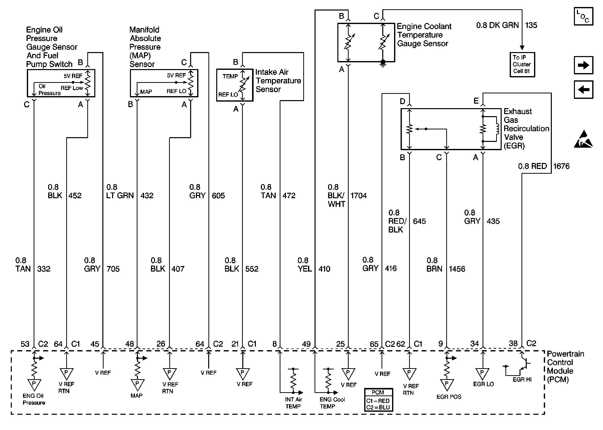
Cell 20: Engine Sensors, Exhaust Gas Recirculation Valve


Object Number: 329399  Size: FS
Engine Controls Components
Cell 20: Oxygen Sensors, Knock Sensors, Canister Purge Solenoid
Cell 20: Throttle Stepper Motor, Electronic Throttle Actuator Control MOdule
Handling ESD Sensitive Parts Notice

Circuit Description

The Engine Oil Pressure sensor is mounted in the top rear of the engine. The Engine Oil Pressure sensor measures changes in engine oil pressure. The Engine Oil Pressure sensor has a 5 volt reference, a ground and a signal circuit.

The Engine Oil Pressure sensor changes resistance based on pressure. When the PCM senses a signal voltage is higher than the normal operating range of the sensor, this DTC sets.

Conditions for Running the DTC

The engine is running.

Conditions for Setting the DTC

The Engine Oil Pressure sensor is greater than 4.5 volts.

Action Taken When the DTC Sets

    • The PCM stores the DTC information into memory when the diagnostic runs and fails.
    • The Malfunction Indicator Lamp (MIL) will not illuminate.
    • The PCM records the operating conditions at the time the diagnostic fails. The PCM stores this information in the Failure Records.

Conditions for Clearing the MIL/DTC

    • A History DTC will clear after forty consecutive warm-up cycles, if no failures are reported by this or any other non-emission related diagnostic.
    • A last test failed (Current DTC) will clear when the diagnostic runs and does not fail.
    • Use a scan tool in order to clear the MIL/DTC.

Diagnostic Aids:

Important: Remove any debris from the PCM\TAC module connector surfaces before servicing the PCM\TAC module. Inspect the PCM\TAC module connector gaskets when diagnosing/replacing the modules. Ensure that the gaskets are installed correctly. The gaskets prevent water intrusion into the PCM\TAC modules.

    • The following may cause an intermittent:
       - Mis-routed harness.
       - Rubbed through wire insulation.
       - Broken wire inside the insulation.
    • The PCM 5.0 volt reference circuits are internally connected within the PCM. If all the Engine Oil Pressure sensor circuits check to be OK, inspect related 5.0 volt reference circuits.

Test Description

The numbers below refer to the step numbers on the diagnostic table.

  1. This step determines if the malfunction is present. For any test that requires probing of the PCM or any component harness connectors, use the Connector Test Adapter Kit J 35616 . Using this kit prevents damage to the harness connector terminals.

  2. Using the Freeze Frame and/or Failure Records data may aid in locating an intermittent condition. If you cannot duplicate the DTC, the information included in the Freeze Frame and/or Failure Records data can help determine how many miles since the DTC set. The Fail Counter and Pass Counter can also help determine how many ignition cycles the diagnostic reported a pass and/or a fail. Operate vehicle within the same freeze frame conditions (RPM, load, vehicle speed, temperature etc.) that you observed. This will isolate when the DTC failed.

  3. This step checks if the signal circuit is shorted to a voltage.

  4. This step checks if a ground circuit is available at the Engine Oil Pressure sensor.

Step

Action

Value(s)

Yes

No

1

Did you perform the Powertrain On-Board Diagnostic (OBD) System Check?

--

Go to Step 2

Go to Powertrain On Board Diagnostic (OBD) System Check

2

  1. Install the scan tool.
  2. Idle the engine.
  3. Monitor the Engine Oil Pressure sensor voltage on the scan tool.

Is the Engine Oil Pressure sensor voltage above the specified value?

4.5 Volts

Go to Step 4

Go to Step 3

3

  1. Turn ON the ignition leaving the engine OFF.
  2. Review the Freeze Frame and/or Failure Records data for this DTC and note parameters.
  3. Turn OFF the ignition for 15 seconds.
  4. Start the engine and operate the vehicle within the conditions required for this diagnostic to run, and as close to the conditions recorded in Freeze Frame/Failure Records as possible. Special operating conditions that need to be met before the PCM will run this diagnostic, where applicable, are listed in Conditions for Running the DTC.
  5. Select the Diagnostic Trouble Code (DTC) option, the Specific DTC option, and enter the DTC number using the scan tool.

Does the scan tool indicate that this diagnostic failed this ignition?

--

Go to Step 4

Go to Diagnostic Aids

4

  1. Disconnect the Engine Oil Pressure sensor electrical connector.
  2. Observe the Engine Oil Pressure sensor voltage displayed on the scan tool.

Is the Engine Oil Pressure sensor voltage below the specified value?

1 Volt

Go to Step 5

Go to Step 6

5

Probe the sensor ground circuit with a test lamp J 35616-200 to B+.

Is the test lamp illuminated?

--

Go to Step 7

Go to Step 8

6

  1. Check the Engine Oil Pressure signal circuit for a short to voltage or a short to the 5 volt reference circuit.
  2. Repair the Engine Oil Pressure sensor signal circuit if it is shorted. Refer to Wiring Repairs in Wiring Systems.

Was the Engine Oil Pressure sensor signal circuit shorted?

--

Go to Step 13

Go to Step 10

7

Measure the voltage at the 5 volt reference circuit to ground using a DMM J 39200 .

Is the voltage greater than the specified value?

5 Volts

Go to Step 12

Go to Step 11

8

  1. Disconnect the PCM connector C1 located on the same side as the manufacturer's logo. Refer to Powertrain Control Module Replacement/Programming .
  2. Check for a poor sensor ground terminal connection at the PCM connector. Refer to Wiring Repairs in Wiring Systems.
  3. If you find a problem, repair the condition as necessary.

Did you find and correct the condition?

--

Go to Step 13

Go to Step 9

9

  1. Check the continuity of the Engine Oil Pressure sensor ground circuit.
  2. If you find that the Engine Oil Pressure sensor ground circuit measures over the specified value, repair the condition as necessary. Refer to Wiring Repairs in Wiring Systems.

Did you find and correct the condition?

2ohms

Go to Step 13

Go to Step 10

10

Important:: Program the replacement PCM. Refer to Powertrain Control Module Replacement/Programming .

Replace the PCM.

Is the action complete?

--

Go to Step 13

--

11

Important:: Before replacing the Engine Oil Pressure sensor perform the engine oil pressure check. Refer to Oil Pressure Diagnosis and Testing in Engine Mechanical.

Replace the Engine Oil Pressure sensor. Refer to Fuel Pump and Engine Oil Pressure Switch Replacement .

Is the action complete?

--

Go to Step 13

--

12

Repair the 5.0 volt reference circuit for a short to voltage. Refer to Wiring Repairs in Wiring Systems.

Is the action complete?

--

Go to Step 13

--

13

  1. Select the Diagnostic Trouble Code (DTC) option and the Clear DTC option using the scan tool.
  2. Idle the engine at the normal operating temperature.
  3. Select the Diagnostic Trouble Code (DTC) option and the Specific DTC option, then enter the DTC number using the scan tool.
  4. Operate vehicle within the Conditions for Running this DTC as specified in the supporting text, if applicable.

Does the scan tool indicate that this test ran and passed?

--

Go to Step 14

Go to Step 2

14

Select the Capture Info option and the Review Info option using the scan tool.

Does the scan tool display any DTCs that you have not diagnosed?

--

Go to the applicable DTC table

System OK