| Subject: | High Shift Effort or Hard Shifting (Install Revised Shift Cables and New Bias Spring) |
| Models: | 1997-99 Chevrolet and GMC F6-7 T-Series Models |
| with Eaton® Manual Transmissions |
This bulletin is being revised to change parts description information and to correct the artwork legend. Please discard Corporate Bulletin Number 99-07-29-004 (Section 07 -- Transmission/Transaxle).
Some drivers may comment about the following conditions:
| • | High shift effort on first to second gear and second to third gear upshifts |
| • | Downshifts that require high effort |
| • | Hard first to reverse or neutral to reverse shifts |
This condition may be caused from the current shift cable system not developing sufficient leverage to overcome the bias springs in the transmission. This may result in the hard shifting condition.
Revised shift cables have been developed to correct this condition. Also, a new shift rail bias spring has been developed for 6-speed transmissions. Install the revised shift cables and a new bias spring on the affected vehicles. Refer to the figure below for 6 speed transmission components.
During this repair, dealers are also being advised to examine the following shift system components for the correct build.
Examine the shift lever for correct length. This shift lever should measure 330 mm (13 in) from the lower pivot axis to the shift handle centerline at the top. Some units were reported to have been built with short 254 mm (10 in) levers. If the shift lever appears to be incorrect, replace the shift lever with P/N 97500222.
Inspect for the presence of rubber cushions between the shift lever mounts and the cab floor. Remove and discard any rubber mounts. Verify that all of the shift lever assemblies are bolted solidly to the cab floor.
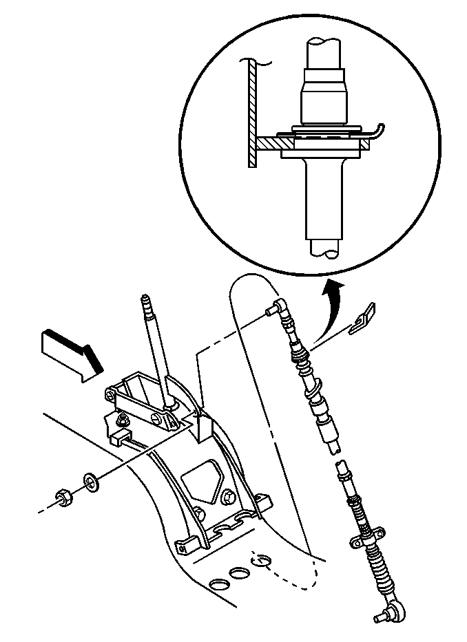
Remove the controller from the top of the transmission. Examine the stub shaft that engages into the transmission shift blocks. This stub shaft should be chamfered in order to allow the stub shaft to move easily between the blocks. If the required chamfer is not evident, replace the stub shaft.
| • | Install new transmission shift cables (2,3) and brackets (1). The new cables are much shorter, stiffer, and larger in diameter that the previous cables. The cables do not wrap around the front frame support as with the previous design. |
| • | The new cables come down from the cab to the rear of the torsion bars and in front of the hydraulic brake lines. From that point, the cables follow down the top side of the left frame rail. This is a completely different routing from the previous cables shown (1). Avoid excess bends. |
The longer cable is the select cable (1). This cable has yellow and blue tape. The shorter cable is the shift cable (2). This cable has yellow tape only.
The position of the yellow tape on both of the cables indicates the cab/shifter end of each cable. No adjustment is required on these cables. The cables have been pre-adjusted by the vendor. Re-use the existing clip, P/N 94051576, in order to secure the cables in the cab. Install the new floor pan rubber grommets, P/N 15034309.
On hydraulic brake models, position the transmission shift cables away from the master cylinder bellcrank. When the cab is lowered, an interference condition may result if the cables are not properly positioned.
After the cab is lowered, look through the grille in order to verify the proper cable clearance at the bellcrank. With the aid of an assistant, depress the brake pedal in order to verify that there is no cable contact. Reposition the cables as needed.
Important: Because of changes to the cable, new support brackets are required on the frame rail and at the transmission.
New support brackets are required on the frame rail (5 and 6 speed models) and at the transmission end. The frame rail brackets mount in a slightly different position than the former brackets. These brackets will accommodate the larger diameter shift cables.
Vehicles equipped with RT6609, RT7608LL, RT8709, and RT8908LL transmissions do not require frame rail support brackets and clips. Tie strap (3) the cables (1,2) to the transmission high range air lines (5) along the left frame rail (4).
Install the transmission mounted shift cable bracket in place of the current bracket.
For all 6-speed transmissions, replace the small, inner bias spring (Refer to figure below, #8) on the 1-2 rail (6-speed). Use P/N 15617310.