GM Service Manual Online
For 1990-2009 cars only
Makes
🢒
Chevrolet
🢒
2002
🢒
Chevy C Cab/Chassis HD (GMT 400)
🢒
Body and Accessories
🢒
Lighting Systems
🢒 Headlights/Daytime Running Lights (DRL) Schematics
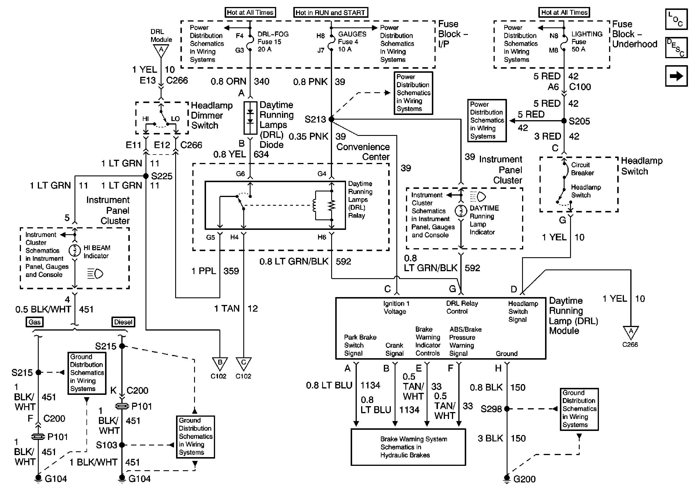
Figure
1:
Daytime Running Lamps Control Circuits
Master Electrical Component List
Exterior Lighting Systems Description and Operation
Headlamps Wiring
Park Lamps and Illumination Fuses
IGN A Fuse and Ignition Switch
Lighting and Battery Fuses
Lighting and Battery Fuses
Battery and Underhood Fuse Block
IP Illumination Lamps and Indicator Lamps
G200
Brake Warning Lamp Circuits
Headlamps Wiring
G104 (L65)
G104 (L18)
IP Illumination Lamps and Indicator Lamps
Figure
2:
Headlamps Wiring
Master Electrical Component List
Exterior Lighting Systems Description and Operation
Headlamps-DRL Control Circuits
Headlamps-DRL Control Circuits
Headlamps-DRL Control Circuits
G112 (Lights, Right Side)
L18 Charging
G112 (Lights, Right Side)
L18 Charging