| Figure 1: |
PCM Power, Grounding, DLC, and MIL
|
| Figure 2: |
5 Volt and Low Reference Busses
|
| Figure 3: |
MAP, ECT, VSS Circuit, and IAT/MAF
|
| Figure 4: |
HO2S Circuit
|
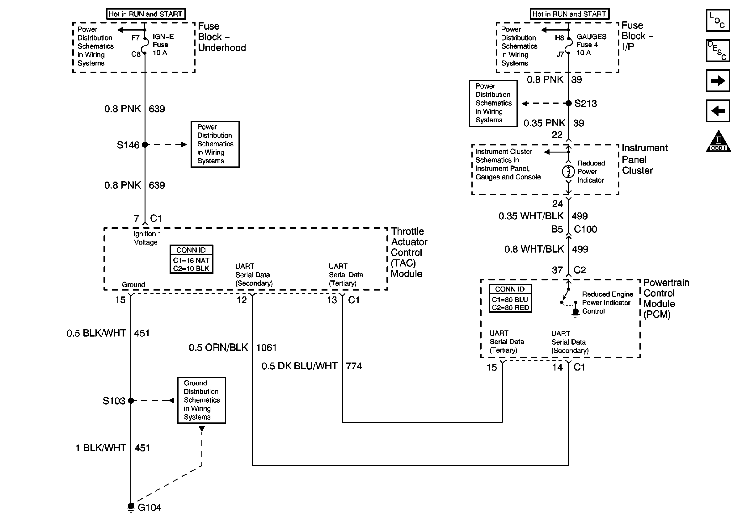
| Figure 5: |
TAC Power, Grounding, Data Circuits, and Indicator Control
|
| Figure 6: |
Throttle Control Circuits
|
| Figure 7: |
Accelerator Pedal Position Sensor Circuits
|
| Figure 8: |
TAC Cruise Control Inputs
|
| Figure 9: |
PTO Control Provisions
|
| Figure 10: |
Ignition Control, Bank 1 (Left Side)
|
| Figure 11: |
Ignition Control, Bank 2 (Right Side)
|
| Figure 12: |
CMP, CKP, and KS
|
| Figure 13: |
Fuel Pump Controls, Single Tank
|
| Figure 14: |
Fuel Pump Controls, Dual Tanks
|
| Figure 15: |
Fuel Injector Controls
|
| Figure 16: |
EVAP and EGR
|
| Figure 17: |
5 Volt and Low Reference Busses
|
| Figure 18: |
A/T TCC/Stop Lamp Switch, Shift Solenoids
|
| Figure 19: |
A/T Internal Switches, TFT, PC Solenoid Valve
|