| Figure 1: |
HVAC Control, Recirculation Door Motor, (Base, P/U Only)
|
| Figure 2: |
Mode and Temp Door Motors, HVAC Control -- Base, P/U Only
|
| Figure 1: |
HVAC Control, Recirculation Door Motor, (Uplevel P/U and 4DR)
|
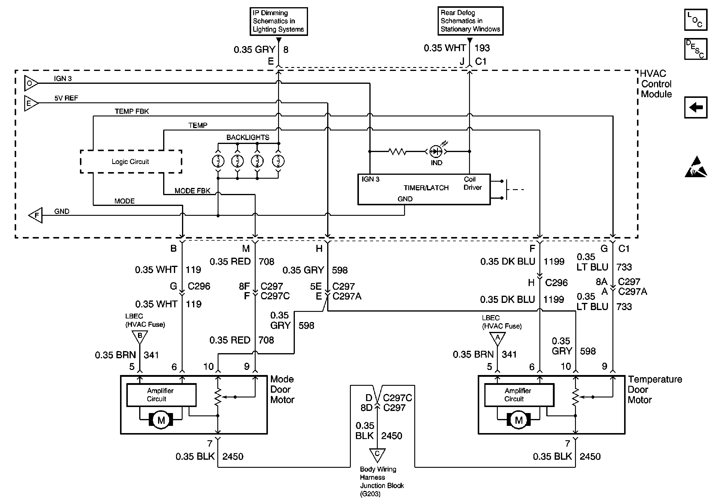
| Figure 2: |
Temp and Mode Door Motors, HVAC Control (Uplevel P/U and Utilities)
|