GM Service Manual Online
For 1990-2009 cars only

Preparation Procedure

Prior to testing the aim of the fog lamps, prepare the vehicle by completing the following steps:

  1. Ensure that all of the components are in place, if other work has been completed on the vehicle.
  2. Park the vehicle on a level surface.
  3. Stop all of the other work on the vehicle.
  4. Ensure the vehicle has 1/2 tank of fuel or less.
  5. Close the doors.
  6. Rock the vehicle sideways.
  7. Ensure the vehicle has no load other than the driver.

Aiming Procedure


    Object Number: 277190  Size: SH
  1. Place a screen 760 mm (2.5 ft) in front of the vehicle.
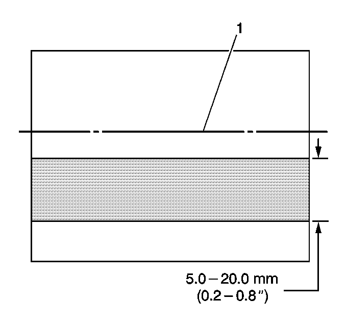
  2. Draw a horizontal line (1) at the same height as the centerline of the lamps.
  3. Turn ON the fog lamps.
  4. The top edge of the high intensity zone should be 5-20 mm (0.2-0.8 in) below the centerline of the lamps.

  5. Vertically adjust the headlamps by turning the adjusting knob below the fog lamp assembly.
  6. Horizontal adjustment of the lamps is not possible.

  7. Turn OFF the fog lamps.

  8. Object Number: 276650  Size: SH
  9. You can adjustment the fog lamps using the screen method. Refer to Headlamp Aiming .
  10. In order to adjust the fog lamps using the screen method, complete the following steps:

    6.1. Park the vehicle 7.62 m (25 ft) in front of the screen.
    6.2. Using tape, make a horizontal line on the screen at the same height as the centerline of the lamps.
    6.3. Turn ON the fog lamps.

    The top edge of the high intensity zone should be 102 mm (4 in) below the horizontal centerline of the fog lamps.

    6.4. Turn OFF the fog lamps.