GM Service Manual Online
For 1990-2009 cars only
Makes
🢒
Chevrolet
🢒
2000
🢒
Chevy C Silverado - 2WD
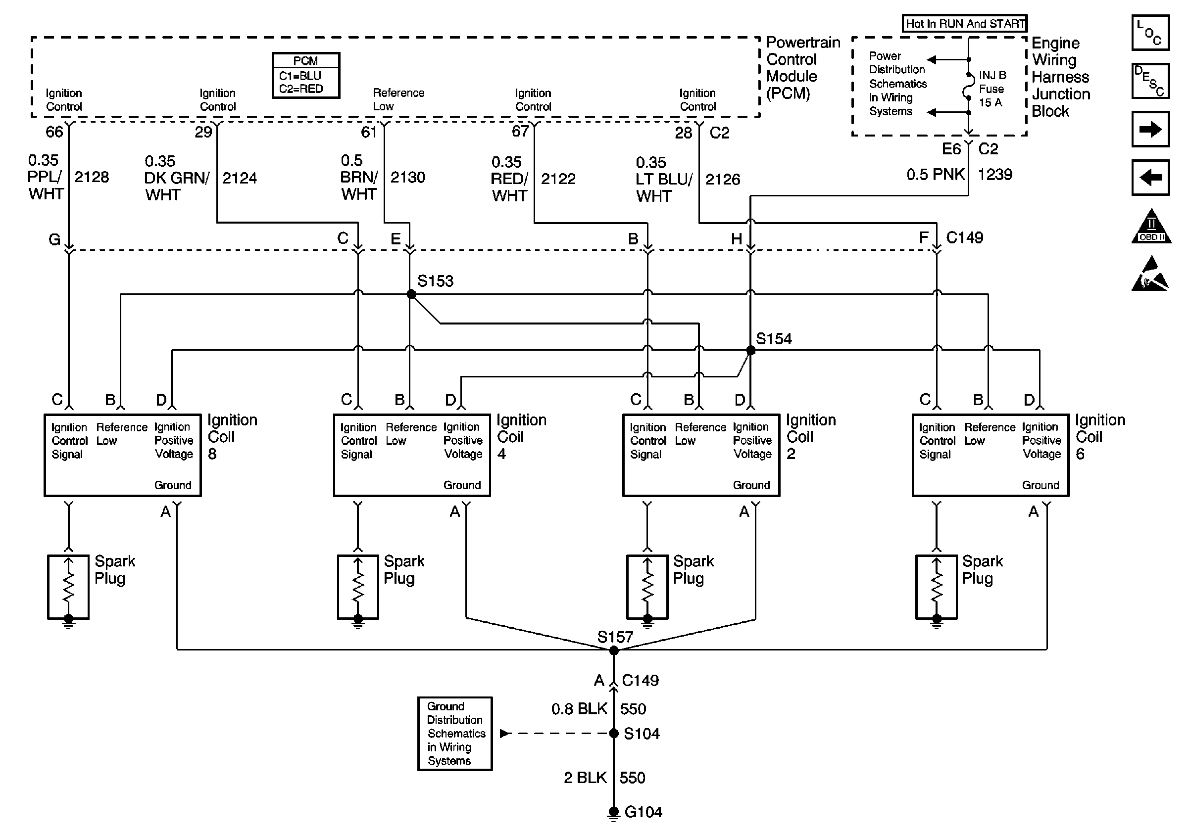
🢒 Ignition Controls - Ignition System Coils 2, 4, 6, 8
Ignition Controls - Ignition System Coils 2, 4, 6, 8
Ignition Controls - Ignition System Coils 2, 4, 6, 8
Engine Controls Components
Evaporative Emission Control System Operation Description
Ignition Controls - Ignition System Coils 1, 3, 5, 7
CIGAR Fuse, BCM, PCM, DLC, G103, G203
OBD II Symbol Description Notice
Handling ESD Sensitive Parts Notice
Power Distribution Schematics
Ground Distribution Schematics