GM Service Manual Online
For 1990-2009 cars only
Figure 1:

Power and Ground


Object Number: 1237529  Size: FS
Master Electrical Component List
Powertrain Control Module Description
MIL Control and Serial Data
Engine Controls Schematic Icons
B+ Bus Bar - 2 of 2
PCM B, ECMRPV, EDU Fuses, F/PMP and EDU/IGN 1 Relays - Diesel Only
Ignition Switch - ACC/RUN and RUN/START Bus Bars
B+ Bus Bar - 2 of 2
FUEL HT and PCM I Fuses - Diesel
Ignition Switch - START, RUN, and ACC/RUN/START Bus Bars
IGN 0, TBC IGN 0,TBC ACCY, SEO ACCY, RR WPR, and WS WPR Fuses
G102, G103, G108 and G109 - Diesel
Figure 2:

MIL Control and Serial Data


Object Number: 1237530  Size: FS
Master Electrical Component List
Powertrain Control Module Description
Engine Data Sensors - Pressure and Temperature
Power and Ground
Engine Controls Schematic Icons
RTD, IPC/DIC, SEO B1, SUNROOF, EAP, and RR WPR Fuses
RTD, IPC/DIC, SEO B1, SUNROOF, EAP, and RR WPR Fuses
SP205 - 2 of 2
MIL Control, Serial Data and Torque Signals
MIL Control, Serial Data and Torque Signals
Indicators
Figure 3:

Engine Data Sensors - Pressure and Temperature


Object Number: 1237531  Size: FS
Master Electrical Component List
Powertrain Control Module Description
Engine Data Sensors - EGR and Vacuum
MIL Control and Serial Data
Engine Controls Schematic Icons
SBA, ETC/ECM, PCM 1, BTSI, and TRL B/U Fuses
SBA, ETC/ECM, PCM 1, BTSI, and TRL B/U Fuses
Engine Data Sensors - EGR and Vacuum
Engine Data Sensors - EGR and Vacuum
Figure 4:

Engine Data Sensors - EGR and Vacuum


Object Number: 1237532  Size: FS
Master Electrical Component List
Powertrain Control Module Description
Engine Data Sensors - Pedal Position
Engine Data Sensors - Pressure and Temperature
Engine Controls Schematic Icons
Ignition Switch - ACC/RUN and RUN/START Bus Bars
Engine Data Sensors - Pressure and Temperature
Engine Data Sensors - Pressure and Temperature
FUEL HT and PCM I Fuses - Diesel
FUEL HT and PCM I Fuses - Diesel
Figure 5:

Engine Data Sensors - Pedal Position


Object Number: 1237534  Size: FS
Master Electrical Component List
Powertrain Control Module Description
Engine Data Sensors - VSS and Injection Timing Controls
Engine Data Sensors - EGR and Vacuum
Engine Controls Schematic Icons
Figure 6:

Engine Data Sensors - VSS and Injection Timing Controls


Object Number: 1237535  Size: FS
Master Electrical Component List
Powertrain Control Module Description
Engine Data Sensors - Glow Plug Controls - Except California Emissions
Engine Data Sensors - Pedal Position
Engine Controls Schematic Icons
Gages
Vehicle Speed and Speedometer
Speed Sensors
Manual Transmission Schematics
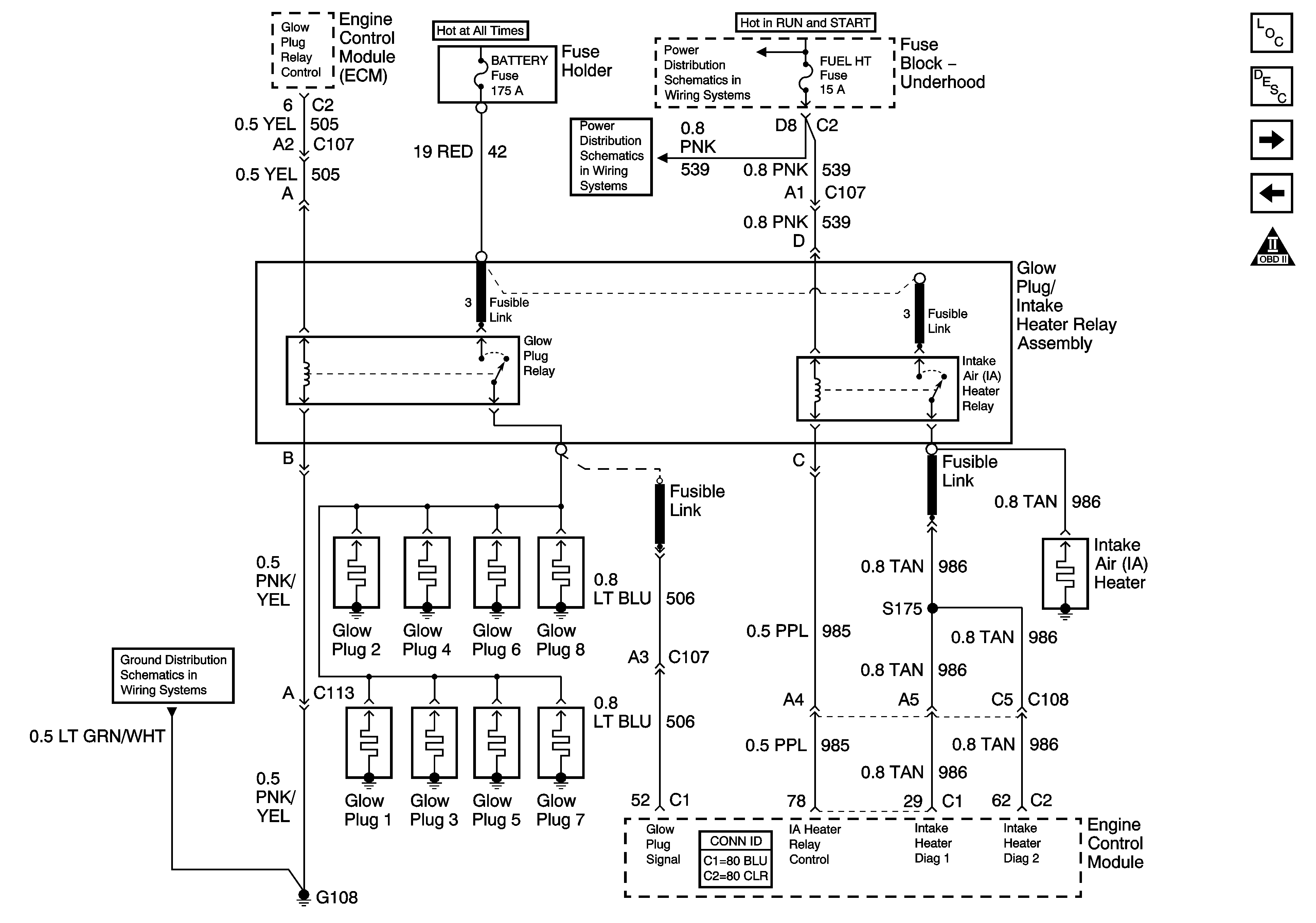
Figure 7:

Engine Data Sensors - Glow Plug Controls - Except California Emissions


Object Number: 1237536  Size: FS
Master Electrical Component List
Powertrain Control Module Description
Engine Data Sensors - Glow Plug Controls - California Emissions
Engine Data Sensors - VSS and Injection Timing Controls
Engine Controls Schematic Icons
Ignition Switch - ACC/RUN and RUN/START Bus Bars
FUEL HT and PCM I Fuses - Diesel
G102, G103, G108 and G109 - Diesel
Figure 8:

Engine Data Sensors - Glow Plug Controls - California Emissions


Object Number: 1237537  Size: FS
Master Electrical Component List
Powertrain Control Module Description
Fuel Controls - Fuel Pump Controls
Engine Data Sensors - Glow Plug Controls - Except California Emissions
Engine Controls Schematic Icons
Ignition Switch - ACC/RUN and RUN/START Bus Bars
FUEL HT and PCM I Fuses - Diesel
G102, G103, G108 and G109 - Diesel
Figure 9:

Fuel Controls - Fuel Pump Controls


Object Number: 1237538  Size: FS
Master Electrical Component List
Powertrain Control Module Description
Fuel Controls - Fuel Temperature Sensor, Fuel Pressure Sensor and Fuel Heater
Engine Data Sensors - Glow Plug Controls - California Emissions
Engine Controls Schematic Icons
PCM B, ECMRPV, EDU Fuses, F/PMP and EDU/IGN 1 Relays - Diesel Only
G104, G106, and G107
G104, G106, and G107
G104, G106, and G107
G110
Fuel Gage
Figure 10:

Fuel Controls - Fuel Temperature Sensor, Fuel Pressure Sensor, and Fuel Heater


Object Number: 1237539  Size: FS
Master Electrical Component List
Powertrain Control Module Description
Fuel Controls - Injector and Pressure Controls
Fuel Controls - Fuel Pump Controls
Engine Controls Schematic Icons
Ignition Switch - ACC/RUN and RUN/START Bus Bars
FUEL HT and PCM I Fuses - Diesel
G102, G103, G108 and G109 - Diesel
Figure 11:

Fuel Controls - Injector and Pressure Controls


Object Number: 1237540  Size: FS
Master Electrical Component List
Powertrain Control Module Description
Fuel Controls - Fuel Injectors
Fuel Controls - Fuel Temperature Sensor, Fuel Pressure Sensor and Fuel Heater
Engine Controls Schematic Icons
PCM B, ECMRPV, EDU Fuses, F/PMP and EDU/IGN 1 Relays - Diesel Only
G102, G103, G108 and G109 - Diesel
G102, G103, G108 and G109 - Diesel
Figure 12:

Fuel Controls - Fuel Injectors


Object Number: 1237541  Size: FS
Master Electrical Component List
Powertrain Control Module Description
Controlled/Monitored Subsystem References
Fuel Controls - Injector and Pressure Controls
Engine Controls Schematic Icons
Figure 13:

Controlled/Monitored Subsystem References


Object Number: 1237542  Size: FS
Master Electrical Component List
Powertrain Control Module Description
Transmission Controls - A/T
Fuel Controls - Fuel Injectors
Engine Controls Schematic Icons
A/C Compressor Controls
A/C Compressor Controls
Diesel - 1 of 2
Backup Lamps - GMC
Charging - Diesel
Charging - Diesel
Transfer Case Control Schematics
Power, Ground, Class 2 Serial Data and Transfer Case Encoder Motor
Over 8600 GVW - 1 of 2
Manual Transmission Schematics
Indicators
Coolant Level Indicator Control - Diesel and L18 Only
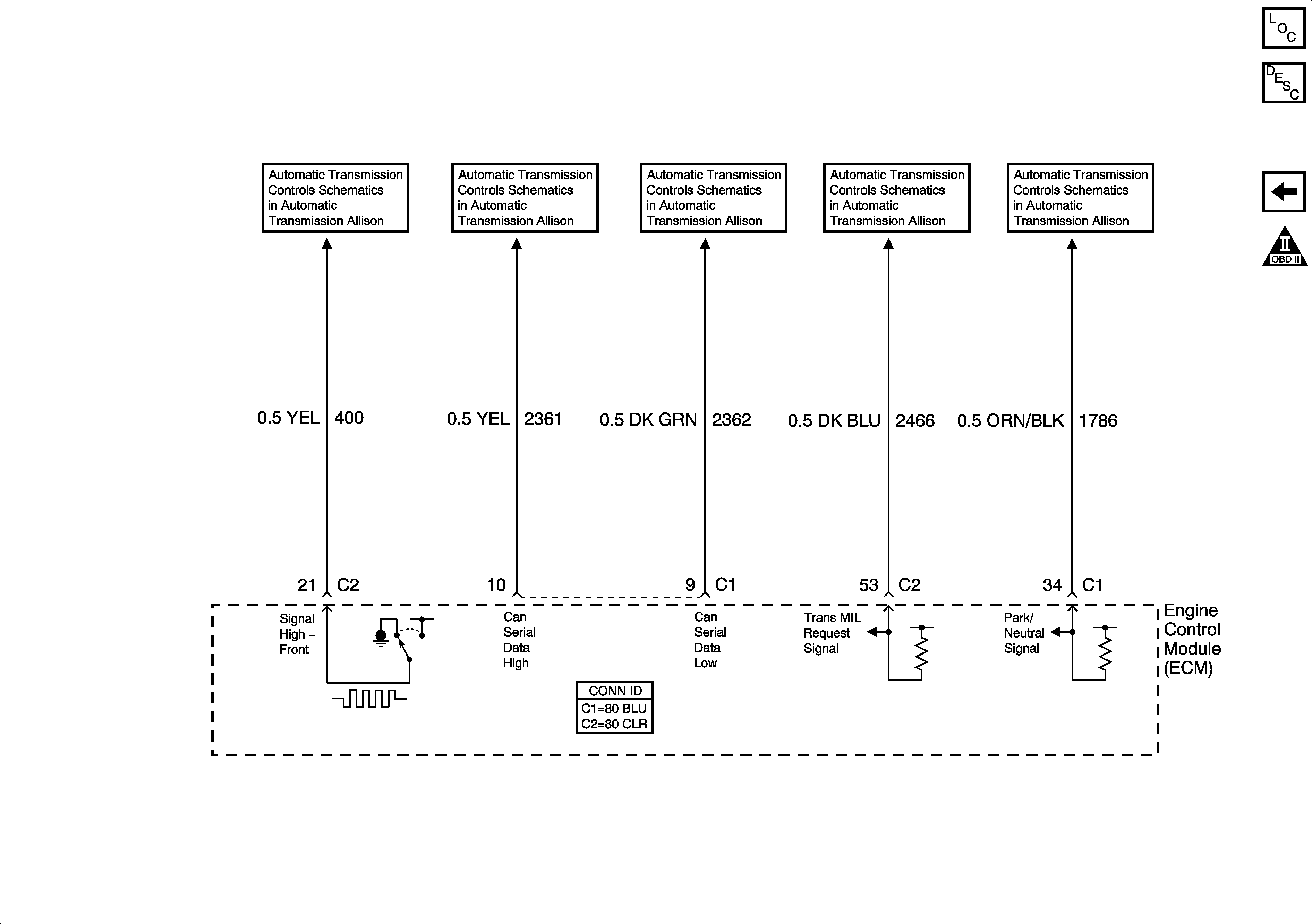
Figure 14:

Transmission Controls - A/T


Object Number: 1237543  Size: FS
Master Electrical Component List
Powertrain Control Module Description
Controlled/Monitored Subsystem References
Engine Controls Schematic Icons
Speed Sensors
MIL Control, Serial Data and Torque Signals
MIL Control, Serial Data and Torque Signals
MIL Control, Serial Data and Torque Signals
Shift Solenoids and PNP Signals