GM Service Manual Online
For 1990-2009 cars only
Makes
🢒
Chevrolet
🢒
2004
🢒
Chevy C Silverado - 2WD
🢒
Accessories
🢒
Entertainment
🢒 Instrument Cluster Schematics
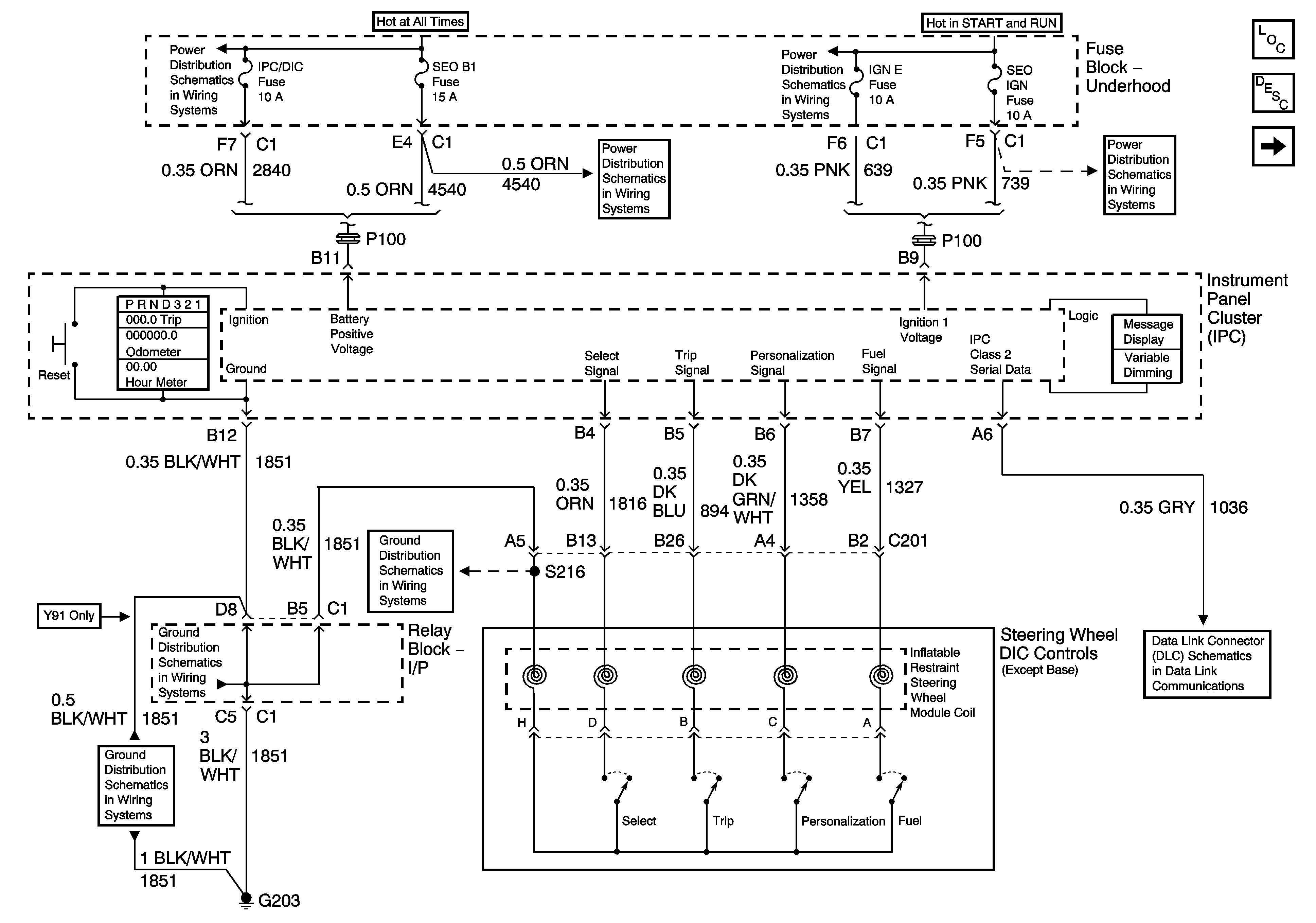
Figure
1:
Power, Ground, Serial Data and Driver Information Controls
Master Electrical Component List
Instrument Cluster Description and Operation
Indicators
B+ Bus Bar - 1 of 2
Ignition Switch - ACC/RUN and RUN/START Bus Bars
RTD, IPC/DIC, SEO B1, SUNROOF, EAP, and RR WPR Fuses
SEO B2, RR DEFOG, SEO IGN, and B/U LP Fuses
G203 - 3 of 3
G203 - 1 of 3
G203 - 1 of 3
SP205 - 1 of 2
Figure
2:
Indicators
Master Electrical Component List
Instrument Cluster Description and Operation
Gages
Power, Ground, Serial Data and Driver Information Controls
SP205 - 1 of 2
Supplemental Brake Assist
G102, G103, G108 and G109 - Diesel
G102, G103, G108 and G109 - Diesel
G103 - Gas
G100 and G101
Left Turn Signals - Domestic - GMC
Left Turn Signals - Export - GMC
Right Turn Signals - Domestic - GMC
Right Turn Signals - Export - GMC
Figure
3:
Gages
Master Electrical Component List
Instrument Cluster Description and Operation
Vehicle Speed and Speedometer
Indicators
SP205 - 1 of 2
Engine Speed Signal and Accessory Battery Charging
Figure
4:
Vehicle Speed and Speedometer
Master Electrical Component List
Instrument Cluster Description and Operation
Fuel Gage
Gages
Figure
5:
Fuel Gage
Master Electrical Component List
Instrument Cluster Description and Operation
Vehicle Speed and Speedometer
SP205 - 1 of 2
Fuel/Device Controls - EVAP, Fuel Tank Pressure, and IAC