| Figure 1: |
Module Power - 1 of 2 and Ground
|
| Figure 2: |
Module Power - 2 of 2, Serial Data and MIL
|
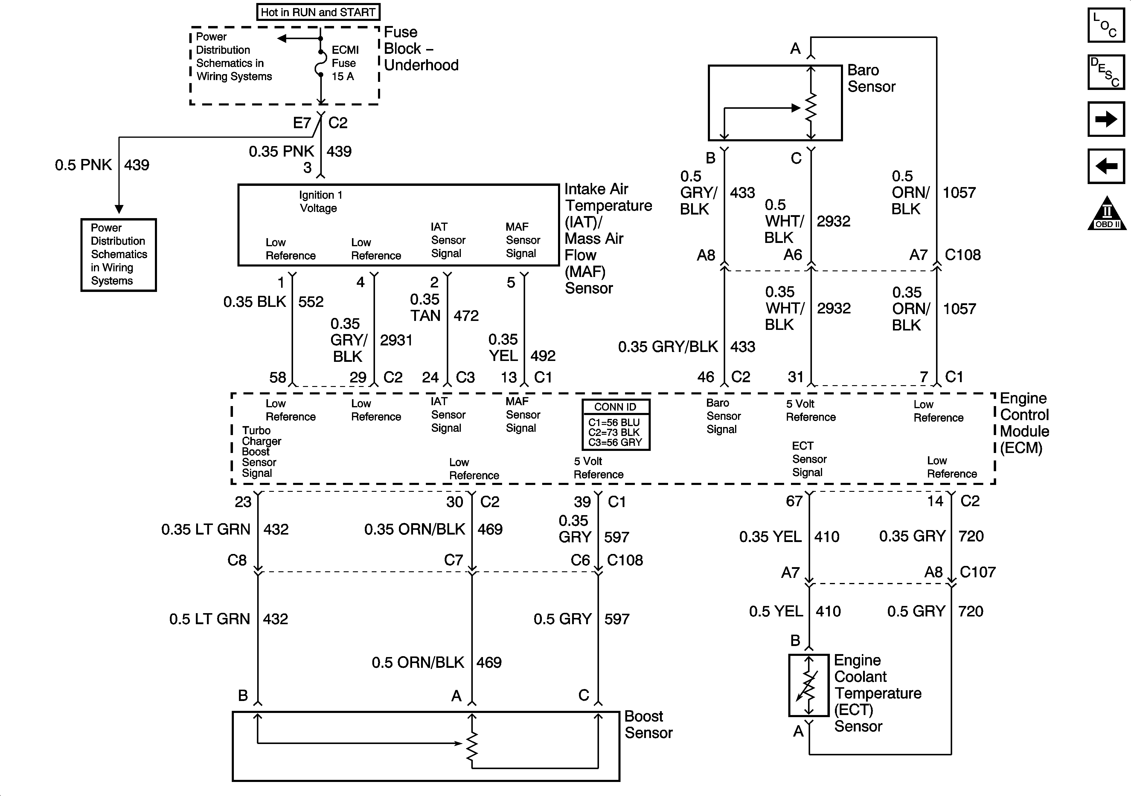
| Figure 3: |
Engine Data Sensors - Pressure and Temperature
|
| Figure 4: |
Engine Data Sensors - EGR and Turbocharger Controls
|
| Figure 5: |
Engine Data Sensors - Pedal Position
|
| Figure 6: |
Engine Data Sensors - VSS and Injection Timing Controls
|
| Figure 7: |
Engine Data Sensors - Glow Plug Controls
|
| Figure 8: |
Fuel Controls - Fuel Pump Controls
|
| Figure 9: |
Fuel Controls - Temperature
|
| Figure 10: |
Fuel Controls - Injector and Pressure Controls
|
| Figure 11: |
Fuel Controls - Fuel Injectors
|
| Figure 12: |
Controlled/Monitored Subsystem References - 1 of 2
|
| Figure 13: |
Controlled/Monitored Subsystem References - 2 of 2
|