GM Service Manual Online
For 1990-2009 cars only
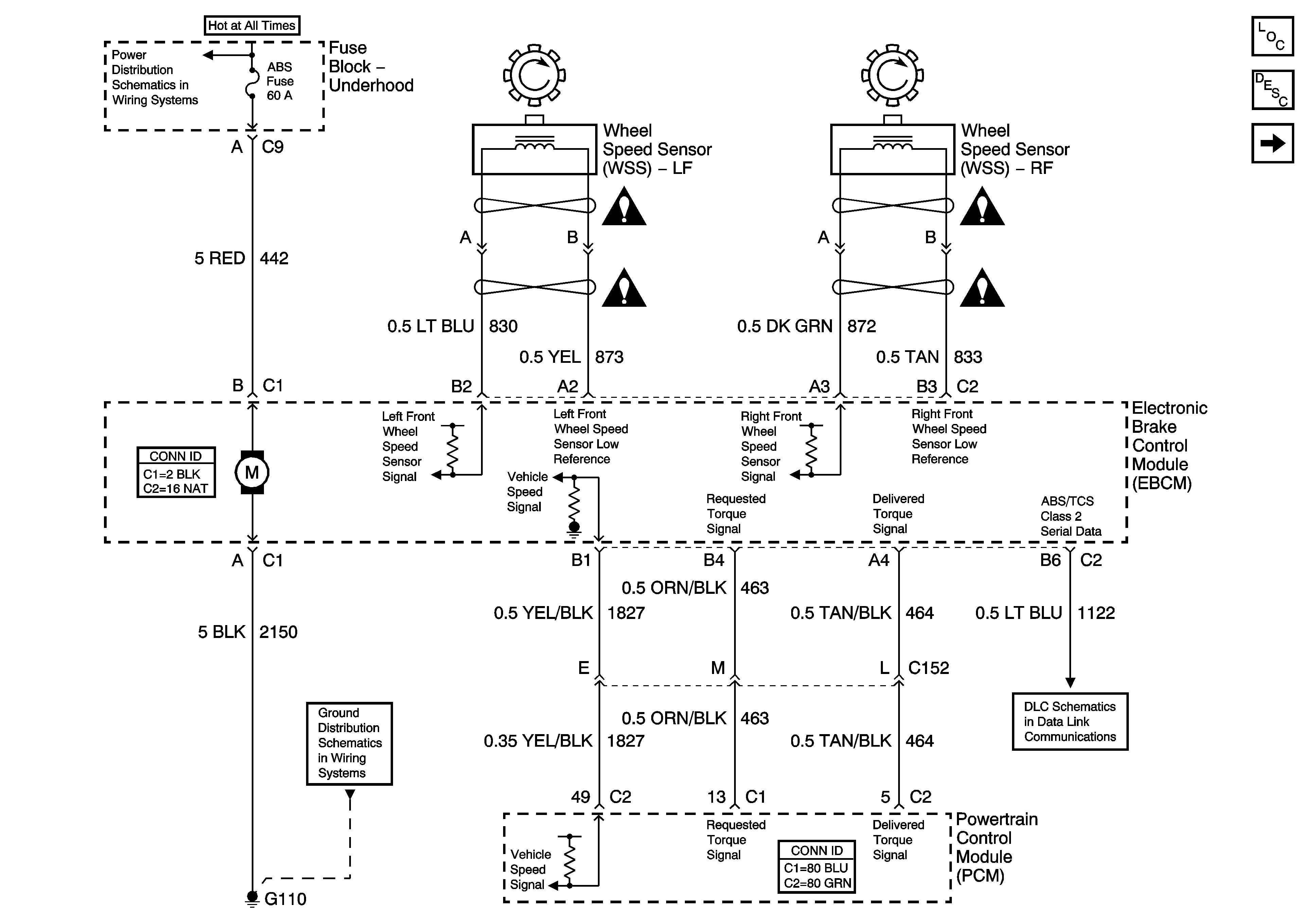
Figure 1:

8600 GVW or Less - 1 of 2


Object Number: 1245129  Size: FS
Master Electrical Component List
ABS Description and Operation 8600 GVW or less except PHT
8600 GVW or Less - 2 of 2
ABS, VSES/ECAS, STUD #1, STUD #2, and TBC BATT Fuses
Antilock Brake System Schematic Icons
Antilock Brake System Schematic Icons
Antilock Brake System Schematic Icons
Antilock Brake System Schematic Icons
G110
SP205 - 1 of 2
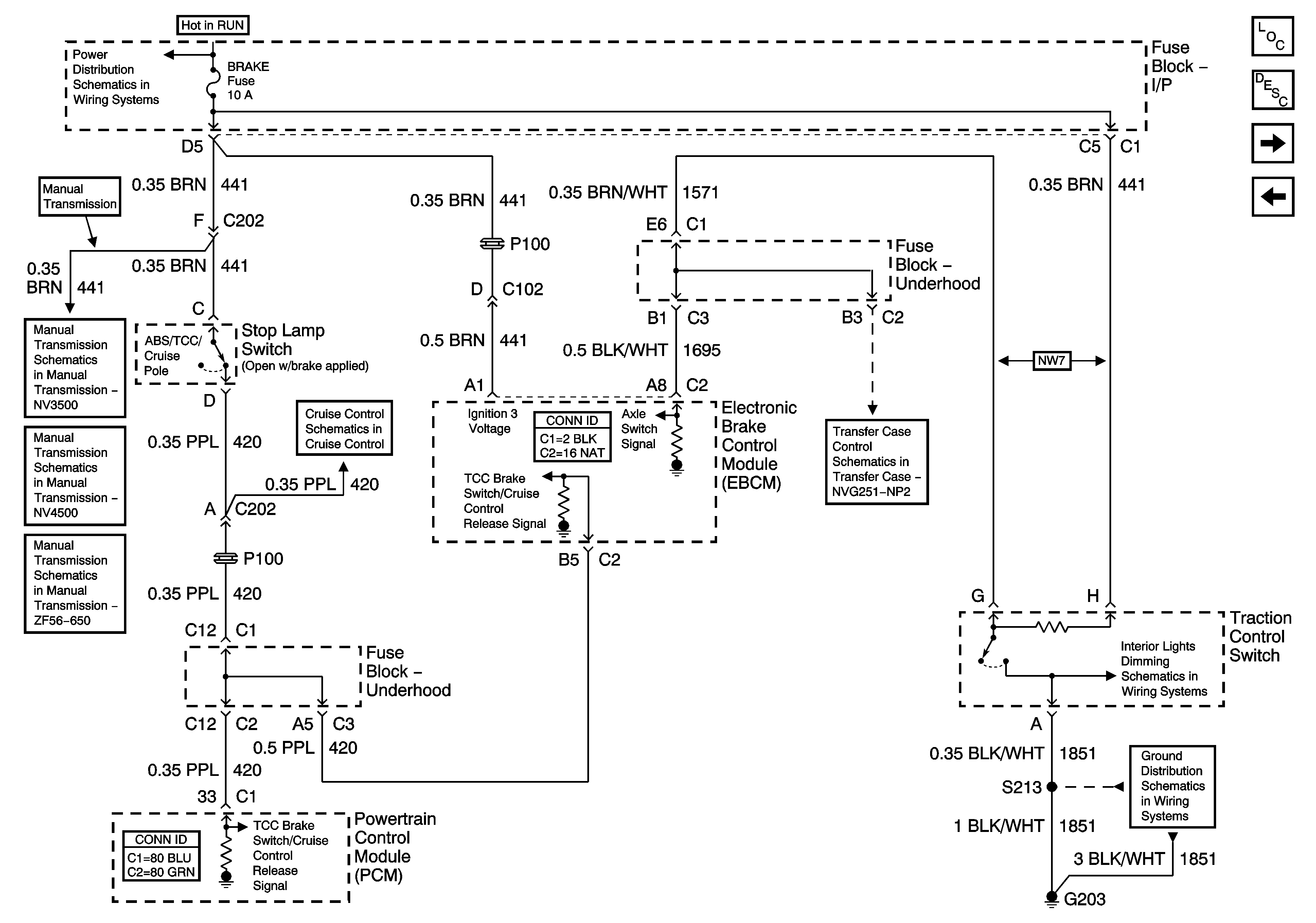
Figure 2:

8600 GVW or Less - 2 of 2


Object Number: 1245130  Size: FS
Master Electrical Component List
ABS Description and Operation 8600 GVW or less except PHT
Over 8600 GVW - 1 of 2
8600 GVW or Less - 1 of 2
BRAKE, HTR/AC, and HVAC 1 Fuses
Manual Transmission Schematics
Manual Transmission Schematics
Manual Transmission Schematics
4.3L - 2 of 2
Transfer Case Control Schematics
G203 - 1 of 3
G203 - 1 of 3
Figure 3:

Over 8600 GVW - 1 of 2


Object Number: 1245132  Size: FS
Master Electrical Component List
ABS Description and Operation Over 8600 GVW or PHT
Over 8600 GVW - 2 of 2
8600 GVW or Less - 2 of 2
ABS, VSES/ECAS, STUD #1, STUD #2, and TBC BATT Fuses
Antilock Brake System Schematic Icons
Antilock Brake System Schematic Icons
Antilock Brake System Schematic Icons
Antilock Brake System Schematic Icons
G110
SP205 - 1 of 2
Figure 4:

Over 8600 GVW - 2 of 2


Object Number: 1245135  Size: FS
Master Electrical Component List
ABS Description and Operation 8600 GVW or less except PHT
Over 8600 GVW - 1 of 2
Ignition Switch - START, RUN, and ACC/RUN/START Bus Bars
BRAKE, HTR/AC, and HVAC 1 Fuses
Manual Transmission Schematics
Manual Transmission Schematics
BRAKE, HTR/AC, and HVAC 1 Fuses
Transfer Case Control Schematics