| Figure 1: |
Battery Supply - 1 of 2
|
| Figure 2: |
Battery Supply - 2 of 2
|
| Figure 3: |
B+ Bus Bar
|
| Figure 4: |
ABS, AUX HTR PMP, ESCM, HCM-B, MBEC 1, RTD, STUD
1, STUD 2, TRANS PUMP, and VSES/ECAS Fuses and RT DOORS and SEAT Circuit Breakers
|
| Figure 5: |
4WS, RR WPR, STOP LP, TREC, VEH STOP and VEH CHMSL
Fuses
|
| Figure 6: |
IPC/DIC, LH HID, RH HID, SEO B1, SEO B2 and TBC
BATT Fuses
|
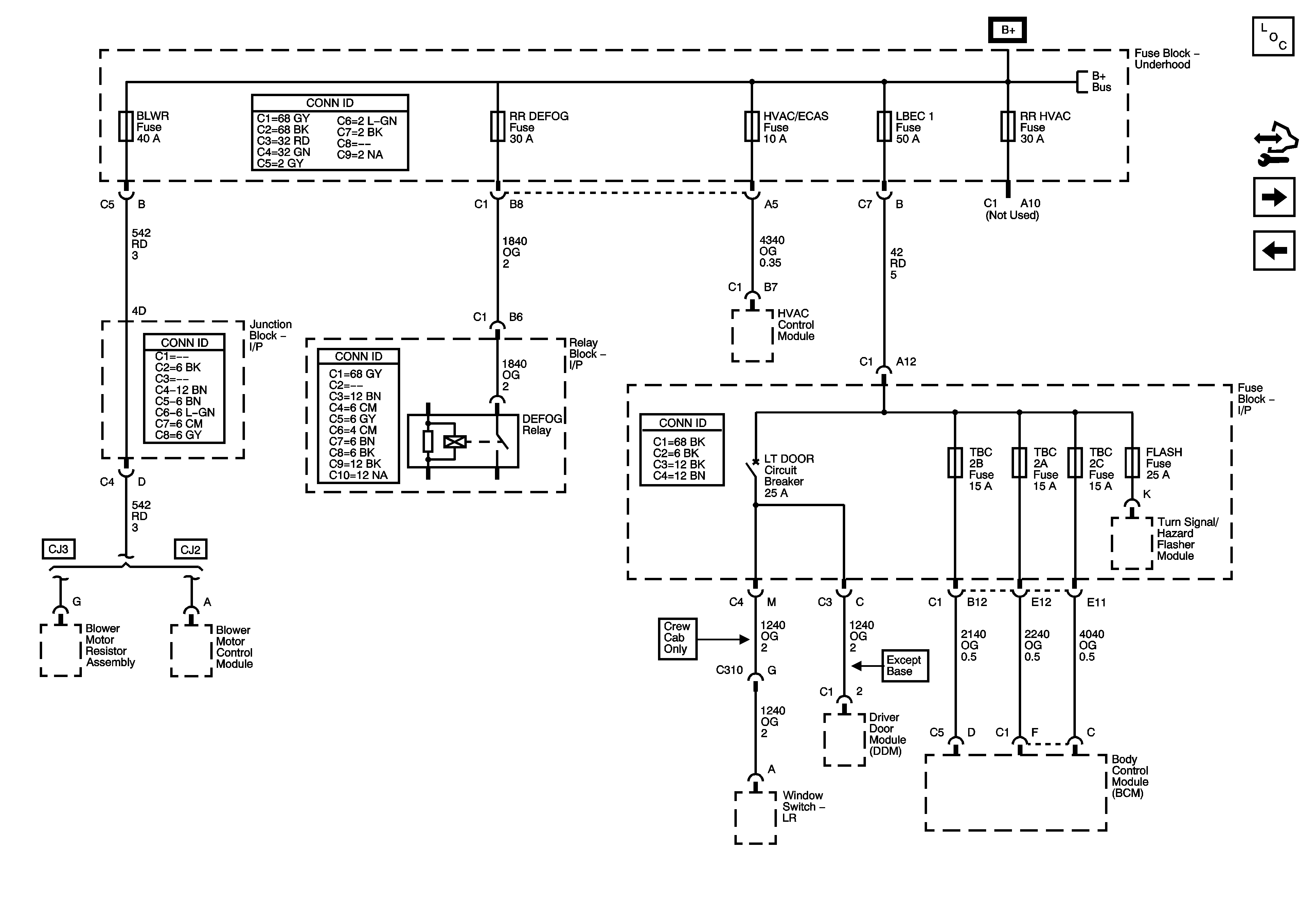
| Figure 7: |
BLWR, FLASH, HVAC/ECAS, LBEC 1, RR DEFOG, RR HVAC,
TBC 2A, TBC 2B and TBC 2C Fuses and LT DOOR Circuit Breaker
|
| Figure 8: |
CIG LTR, EAP, INFO and RVC Fuses
|
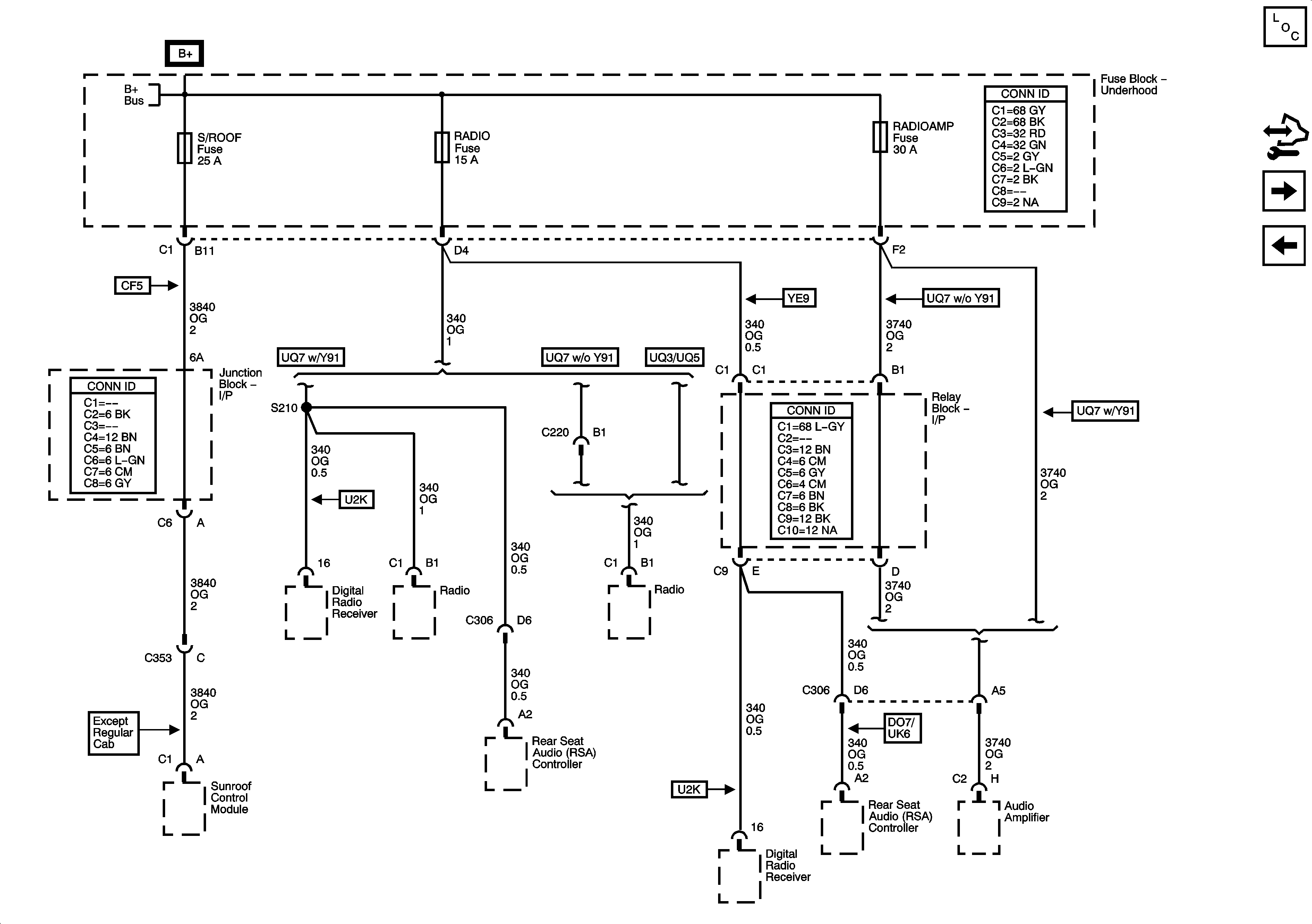
| Figure 9: |
RADIO, RADIO AMP, and S/ROOF Fuses
|
| Figure 10: |
AUX PWR, AUX PWR2, DDM, ECC, LBEC 2, LOCKS, PCM
B, and PDM Fuses
|
| Figure 11: |
Ignition Switch - START, RUN, and ACC/RUN/START
Bus Bars, IGN A and CRANK Fuses
|
| Figure 12: |
Ignition Switch - ACC/RUN and RUN/START
Bus Bars, and IGN B Fuse
|
| Figure 13: |
4WD, BRAKE, CRUISE, HTR/AC, HVAC 1, and IGN 3
Fuses
|
| Figure 14: |
B/U LP, BTSI, O2A, O2B, SEO IGN, TBC IGN 1, and
TRL B/U Fuses
|
| Figure 15: |
IGN E and AIRBAG Fuses
|
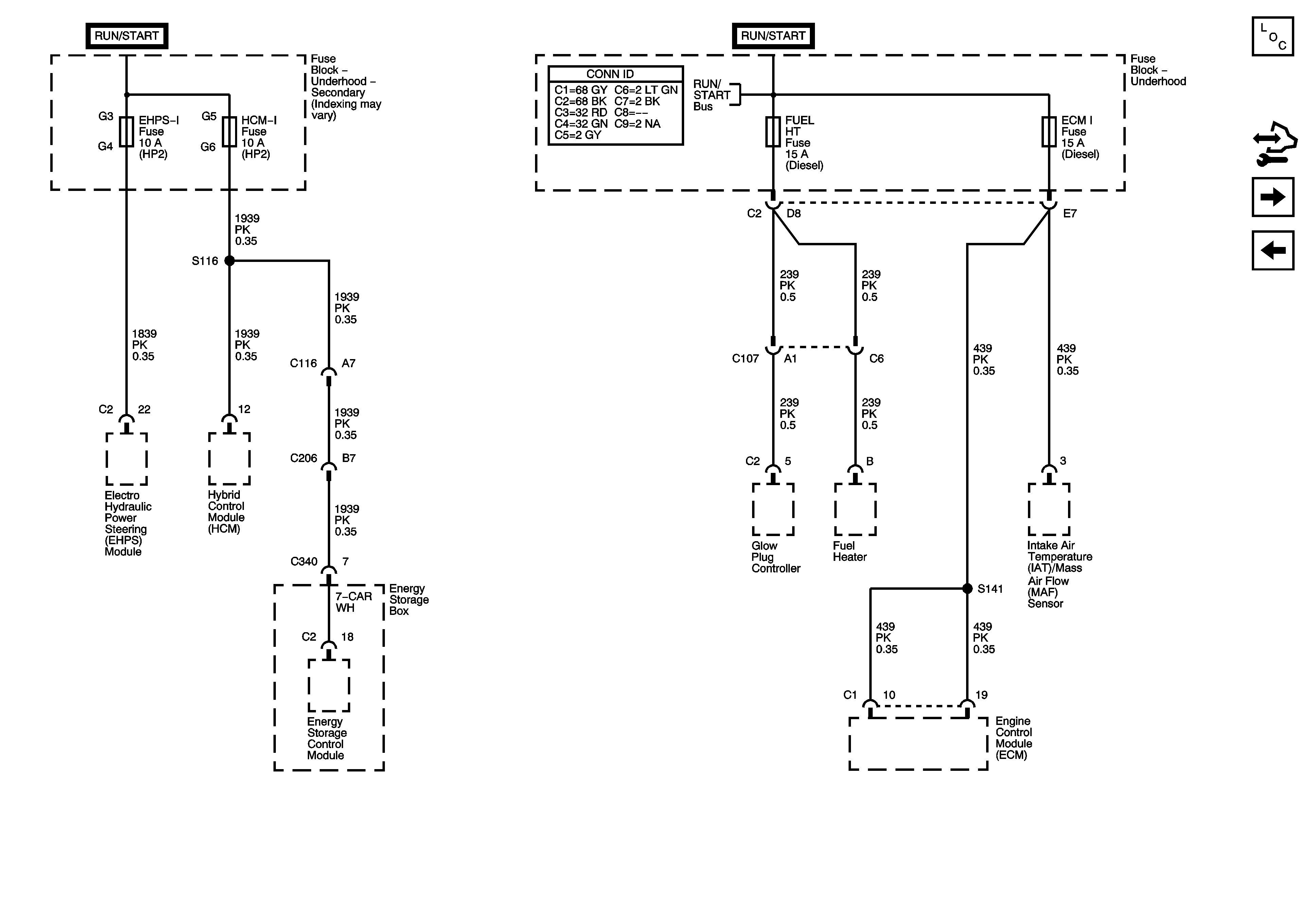
| Figure 16: |
ECM I, EHPS-I, FUEL HT, and HCM-I
Fuses
|
| Figure 17: |
COOL PMP, HYBRID 02A, HYBRID O2B, IGN B, and PWR
MAINT Fuses
|
| Figure 18: |
LT TRLR ST/TRN, LT TRN, RT TRLR ST/TRN, and RT
TRN Fuses
|
| Figure 19: |
ETC/ECM, INJ 1, INJ 2, PCM 1, and SBA Fuses -
Gas
|
| Figure 20: |
IGN 0, RR WPR, SEO ACCY, TBC ACCY, TBC IGN 0,
and WS WPR Fuses
|
| Figure 21: |
INJ 1 and INJ 2 Fuses - 8.1L
|
| Figure 22: |
LR PARK and RR PARK Fuses
|
| Figure 23: |
FRT PARK, INT PARK, and TRL PARK Fuses
|
| Figure 24: |
HI HDLP LT, HI HDLP RT, HORN, LO HDLP LT, and
LO HDLP RT Fuses
|
| Figure 25: |
ECM RPV and EDU Fuses - Diesel
|