GM Service Manual Online
For 1990-2009 cars only
Figure 1:

G100, G101, and G102


Object Number: 1459028  Size: FS
Master Electrical Component List
Control Module References
G103 - Gas
G120, G121, G122, G310, G311 and G405 (HP2)
G102, G103, G108 and G109 - Diesel
Figure 2:

G103 - Gas


Object Number: 1459035  Size: FS
Master Electrical Component List
Control Module References
G102, G103, G108 and G109 - Diesel
G100, G101, and G102
Figure 3:

G102, G103, G108 and G109 - Diesel


Object Number: 1459039  Size: FS
Master Electrical Component List
Control Module References
G104, G106, G107 and G110
G103 - Gas
G100, G101, and G102
Figure 4:

G104, G106, G107 and G110


Object Number: 1459040  Size: FS
Master Electrical Component List
Control Module References
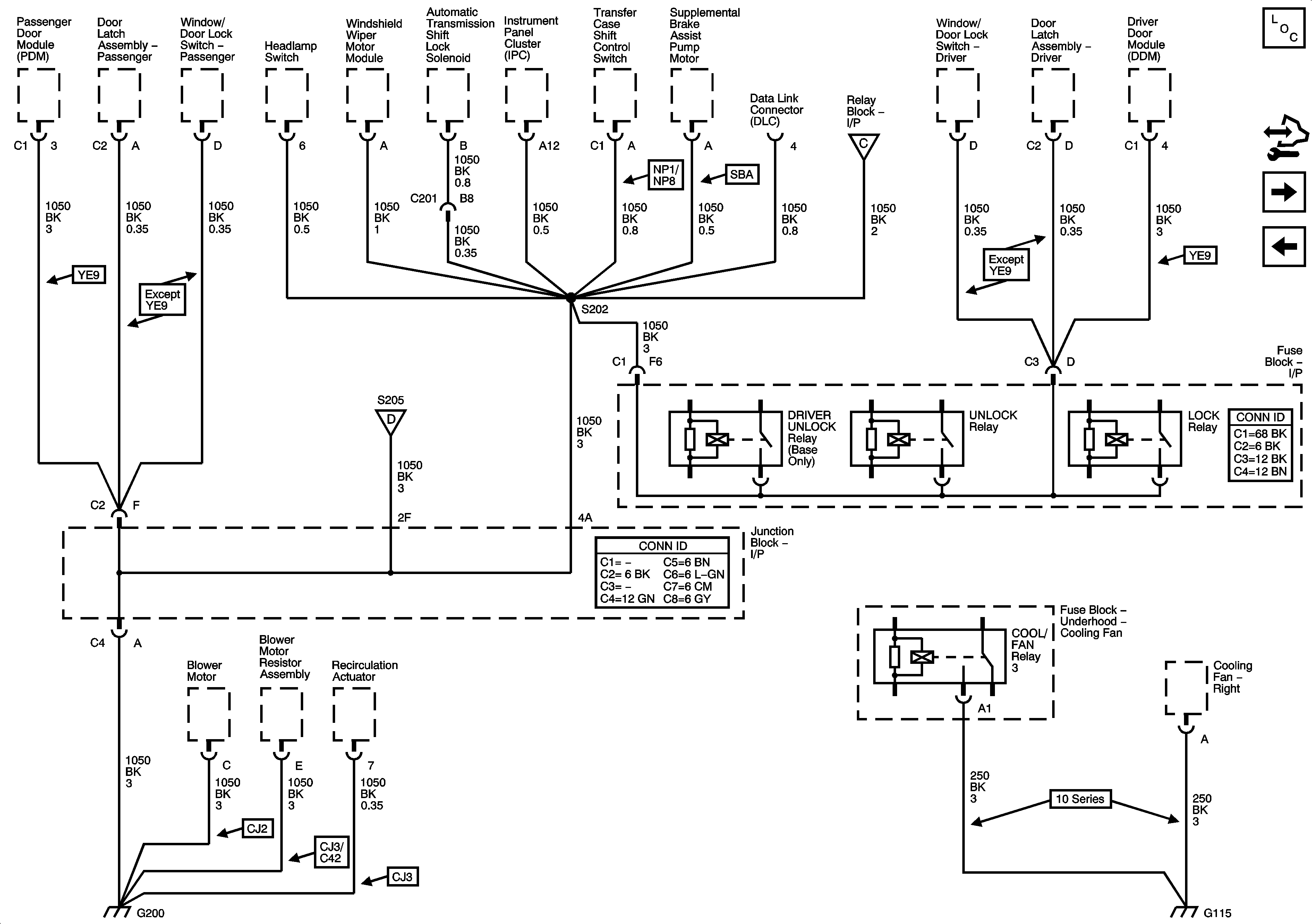
G115 and G200 - 1 of 2
G102, G103, G108 and G109 - Diesel
Figure 5:

G115 and G200 - 1 of 2


Object Number: 1459043  Size: FS
Master Electrical Component List
Control Module References
G200 - 2 of 2
G104, G106, G107 and G110
G200 - 2 of 2
G200 - 2 of 2
Figure 6:

G200 - 2 of 2


Object Number: 1459045  Size: FS
Master Electrical Component List
Control Module References
G203 - 1 of 2
G115 and G200 - 1 of 2
G115 and G200 - 1 of 2
G115 and G200 - 1 of 2
Figure 7:

G203 - 1 of 2


Object Number: 1459046  Size: FS
Master Electrical Component List
Control Module References
G203 - 2 of 2
G200 - 2 of 2
G203 - 2 of 2
Figure 8:

G203 - 2 of 2


Object Number: 1459048  Size: FS
Master Electrical Component List
Control Module References
G302
G203 - 1 of 2
G203 - 1 of 2
Figure 9:

G302


Object Number: 1459050  Size: FS
Master Electrical Component List
Control Module References
G304, G305, G306 and G390
G203 - 2 of 2
Figure 10:

G304, G305, G306 and G390


Object Number: 1459051  Size: FS
Master Electrical Component List
Control Module References
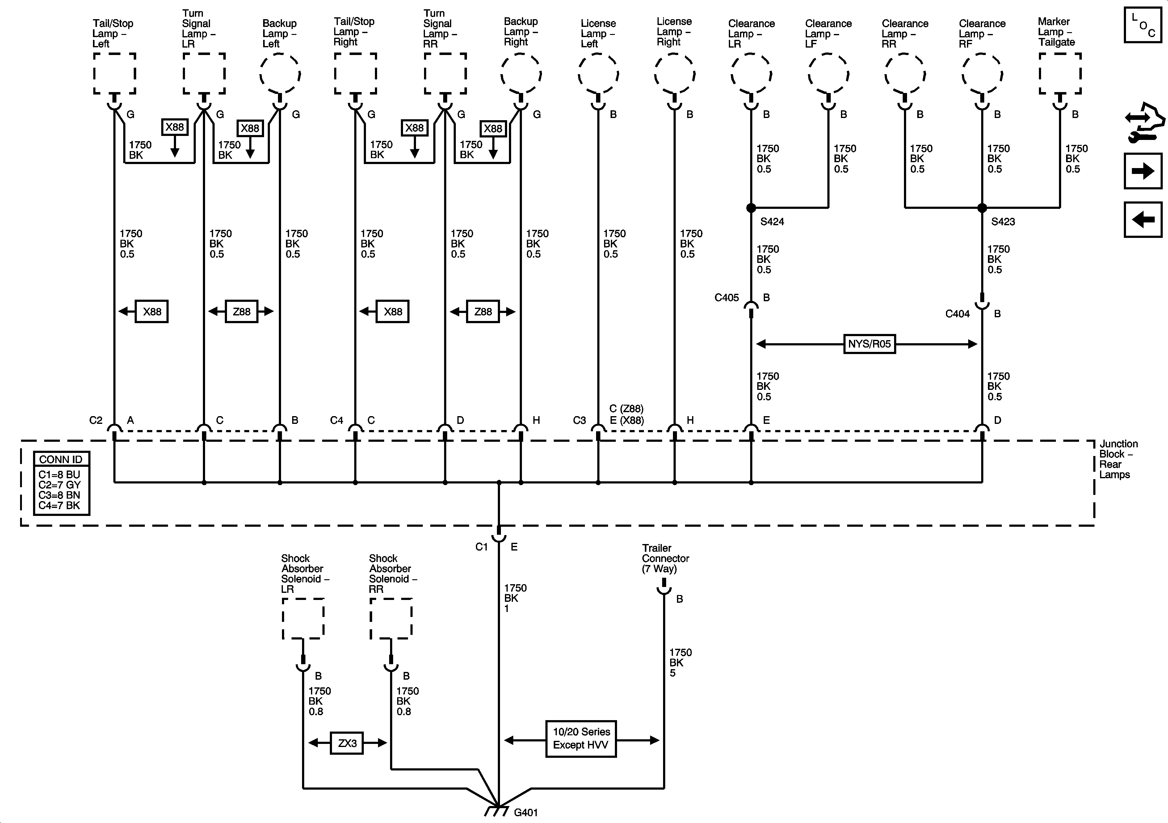
G401
G302
Figure 11:

G401


Object Number: 1459054  Size: FS
Master Electrical Component List
Control Module References
G403
G304, G305, G306 and G390
Figure 12:

G403


Object Number: 1459056  Size: FS
Master Electrical Component List
Control Module References
G120, G121, G122, G310, G311 and G405 (HP2)
G401
Figure 13:

G120, G121, G122, G310, G311 and G405 (HP2)


Object Number: 1459057  Size: FS
Master Electrical Component List
Control Module References
G403
G100, G101, and G102