GM Service Manual Online
For 1990-2009 cars only

WATER BLOWS OUT PASSENGER SIDE AIR DUCT (REPL. MOTOR ASSY.)

SUBJECT: WATER BLOWS OUT PASSENGER SIDE AIR DUCT, (INSTALL NEW EVAPORATOR BLOWER MOTOR ASSEMBLY)

MODELS: 1990-92 CHEVROLET AND GMC G VANS WITH AIR CONDITIONING

CONDITION:

SOME OWNERS MAY EXPERIENCE A FINE MIST OR POSSIBLY WATER DROPLETS BEING SPRAYED OUT OF THE A/C DUCT ON THE PASSENGER SIDE OF THE VEHICLE. THIS CONDITION MAY BE ENCOUNTERED DURING A/C USAGE, ESPECIALLY ON HOT DAYS WITH HIGH HUMIDITY.

THE EVAPORATOR CORE IS A HEAT EXCHANGER, WHEREBY HEAT IS REMOVED FROM THE AIR BY PASSING THROUGH THE EVAPORATOR CORE, RESULTING IN COOL AIR. DURING THIS PROCESS OF HEAT LOSS FROM THE AIR, ANY MOISTURE IN THE AIR (HUMIDITY) CONDENSATES ON THE OUTSIDE SURFACE OF THE EVAPORATOR CORE. THE MOISTURE SHOULD DRAIN OFF AS WATER THROUGH A DRAIN HOLE AT THE BOTTOM OF THE EVAPORATOR CASE.

IN SOME CASES, WHEN THE A/C BLOWER SETTING IS ON "HI", THE AIR CAN BLOW WATER DROPLETS PAST THE EVAPORATOR'S FOAM FILTER ALLOWING THE WATER TO BE SPRAYED INTO THE A/C DUCTS.

CAUSE:

THE RETICULATED FOAM FILTER IS NOT RETAINING THE CONDENSATION (WATER) WHICH MAY RESULT IN INADEQUATE CONTAINMENT OR IMPROPER DRAINAGE OF THE WATER.

CORRECTION:

REPLACE THE EVAPORATOR BLOWER MOTOR ASSEMBLY. REFER TO THE PARTS INFORMATION SECTION FOR THE PROPER ASSEMBLY PART NUMBER. THE NEW ASSEMBLY HAS A CONVOLUTED WIRE MESH SCREEN THAT REDUCES THE WATER SPLASH CREATED BY THE HIGH BLOWER ACTION.

SERVICE PROCEDURE:

CAUTION:

AVOID BREATHING A/C REFRIGERANT AND LUBRICANT VAPORS OR MIST. EXPOSURE MAY IRRITATE EYES, NOSE AND THROAT. WHEN WORKING WITH REFRIGERATION SYSTEMS, MAKE SURE THE AREA IS WELL VENTILATED.

ALWAYS WEAR GOGGLES AND GLOVES WHEN DOING WORK THAT INVOLVES OPENING THE REFRIGERATION SYSTEM. IF LIQUID REFRIGERANT COMES IN CONTACT WITH EYES OR SKIN, INJURY MAY RESULT.

REMOVAL PROCEDURE

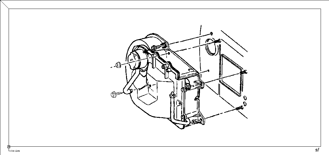
1. DISCONNECT NEGATIVE BATTERY CABLE. REFER TO SECTION OA. 2. RECOVER REFRIGERANT FROM THE SYSTEM. REFER TO SECTION 1B, REFRIGERANT RECOVERY, RECYCLING, EVACUATING, RECHARGING, PROCEDURES. 3. REMOVE COOLANT RECOVERY RESERVOIR. REFER TO SECTION 6B1. 4. REMOVE RIGHT MARKER LAMP. REFER TO SECTION 8B. 5. REMOVE ELECTRICAL CONNECTORS AND COMPONENTS, AS REQUIRED (FIGURE 1). - BLOWER MOTOR RESISTOR CONNECTOR AND COMPONENT - BLOWER MOTOR RELAY CONNECTOR AND COMPONENT - PRESSURE CYCLING SWITCH CONNECTOR LOCATED ON THE ACCUMULATOR 6. REMOVE BRACKET AT THE EVAPORATOR CASE. 7. REMOVE EVAPORATOR INLET TUBE. DISCARD O-RING IF APPLICABLE (FIGURE 2). 8. REMOVE REFRIGERANT TUBE AND EVAPORATOR TUBE FROM ACCUMULATOR. DISCARD O-RINGS IF APPLICABLE (FIGURE 3). 9. REMOVE ACCUMULATOR AND BRACKETS FROM VEHICLE (FIGURE 3). 10. REMOVE EVAPORATOR BLOWER MOTOR ASSEMBLY FROM THE VEHICLE (FIGURE 4).

INSTALLATION PROCEDURE

NOTICE: BEFORE INSTALLING THE EVAPORATOR CORE, 90 ML (3 FL. OZ.) OF NEW REFRIGERANT OIL SHOULD BE ADDED TO THE EVAPORATOR CORE.

NEW NEOPRENE O-RINGS MUST BE USED WHEN REPLACING ANY O-RING IN THE SYSTEM.

IMPORTANT: KEEP COMPONENTS CLEAN AND FREE FROM WATER AND DIRT. IF ANY REFRIGERANT LINES ARE OPENED TO THE ATMOSPHERE, IT SHOULD BE IMMEDIATELY CAPPED TO PREVENT THE ENTRANCE OF MOISTURE AND DIRT. OUTSIDE CONTAMINANTS MAY REDUCED A/C PERFORMANCE. DAMAGE TO SYSTEM COMPONENTS COULD OCCUR.

1. INSTALL EVAPORATOR BLOWER MOTOR ASSEMBLY TO THE VEHICLE (FIGURE 4). 2. INSTALL NEW O-RING TO EVAPORATOR OUTLET TUBE FITTING IF APPLICABLE. LIGHTLY COAT O-RING WITH MINERAL OIL OR EQUIVALENT PRIOR TO INSTALLING O-RING TO FITTING. 3. INSTALL EVAPORATOR OUTLET TUBE TO ACCUMULATOR. TIGHTEN CONNECTION TO 41 N.M (30 FT. LBS.). 4. INSTALL ACCUMULATOR, BRACKET SCREW, AND BRACKET TO EVAPORATOR CASE. TIGHTEN SCREW 2.7 N.M (25 LBS. IN.) (FIGURE 3). 5. INSTALL NEW O-RING TO REFRIGERANT TUBE IF APPLICABLE. LIGHTLY COAT O-RING WITH MINERAL OIL OR EQUIVALENT PRIOR TO INSTALLING O-RING TO FITTING. 6. INSTALL REFRIGERANT TUBE TO ACCUMULATOR. TIGHTEN CONNECTION TO 41 N.M (30 LBS. FT.). 7. INSTALL NEW O-RING TO EVAPORATOR INLET TUBE FITTING IF APPLICABLE. LIGHTLY COAT O-RING WITH MINERAL OIL OR EQUIVALENT PRIOR TO INSTALLING O-RING TO FITTING. 8. INSTALL EVAPORATOR INLET TUBE. TIGHTEN CONNECTION TO 17 N.M (13 LBS. FT.) (FIGURE 2). 9. INSTALL RIGHT MARKER LAMP. REFER TO SECTION 8B. 10. INSTALL ALL ELECTRICAL COMPONENTS AND CONNECTIONS, AS REQUIRED (FIGURE 1). - BLOWER MOTOR RESISTOR CONNECTOR. - BLOWER MOTOR RELAY CONNECTOR. - PRESSURE CYCLING SWITCH CONNECTOR TO ACCUMULATOR. 11. INSTALL BRACKET TO EVAPORATOR CASE. 12. INSTALL COOLANT RECOVERY RESERVOIR. REFER TO SECTION 6B1. 13. CHARGE REFRIGERANT SYSTEM. REFER TO SECTION 1B, RECOVERY, RECYCLING, EVACUATING AND RECHARGING PROCEDURES. 14. INSTALL NEGATIVE BATTERY CABLE. REFER TO SECTION 0A. 15. CHECK THE SYSTEM FOR REFRIGERANT LEAKS.

SERVICE PARTS INFORMATION

P/N DESCRIPTION QTY OPTION

52457932 EVAPORATOR BLOWER 1 W/C60 MOTOR ASSEMBLY

52457933 EVAPORATOR BLOWER 1 W/C60 + C69 MOTOR ASSEMBLY

PARTS ARE EXPECTED TO BE AVAILABLE FROM GMSPO ON 11/22/93.

WARRANTY INFORMATION

FOR VEHICLES REPAIRED UNDER WARRANTY, USE:

LABOR OP DESCRIPTION LABOR TIME D1322 EVAPORATOR BLOWER 1.3 HRS. MOTOR ASSEMBLY

FIGURES: 4

CAPTIONS: FIGURE 1 - ELECTRICAL CONNECTORS AND COMPONENTS FIGURE 2 - EVAPORATOR INLET TUBE FIGURE 3 - REFRIGERANT TUBE AND EVAPORATOR TUBE, ACCUMULATOR FIGURE 4 - EVAPORATOR BLOWER MOTOR ASSEMBLY


Object Number: 81174  Size: FS


Object Number: 80677  Size: FS


Object Number: 83070  Size: FS


Object Number: 81173  Size: FS

GENERAL MOTORS BULLETINS ARE INTENDED FOR USE BY PROFESSIONAL TECHNICIANS, NOT A "DO-IT-YOURSELFER". THEY ARE WRITTEN TO INFORM THOSE TECHNICIANS OF CONDITIONS THAT MAY OCCUR ON SOME VEHICLES, OR TO PROVIDE INFORMATION THAT COULD ASSIST IN THE PROPER SERVICE OF A VEHICLE. PROPERLY TRAINED TECHNICIANS HAVE THE EQUIPMENT, TOOLS, SAFETY INSTRUCTIONS AND KNOW-HOW TO DO A JOB PROPERLY AND SAFELY. IF A CONDITION IS DESCRIBED, DO NOT ASSUME THAT THE BULLETIN APPLIES TO YOUR VEHICLE, OR THAT YOUR VEHICLE WILL HAVE THAT CONDITION. SEE A GENERAL MOTORS DEALER SERVICING YOUR BRAND OF GENERAL MOTORS VEHICLE FOR INFORMATION ON WHETHER YOUR VEHICLE MAY BENEFIT FROM THE INFORMATION.

COPYRIGHT 1993 GENERAL MOTORS CORPORATION. ALL RIGHTS RESERVED.