GM Service Manual Online
For 1990-2009 cars only
Figure 1:

Starting System


Object Number: 106741  Size: FS
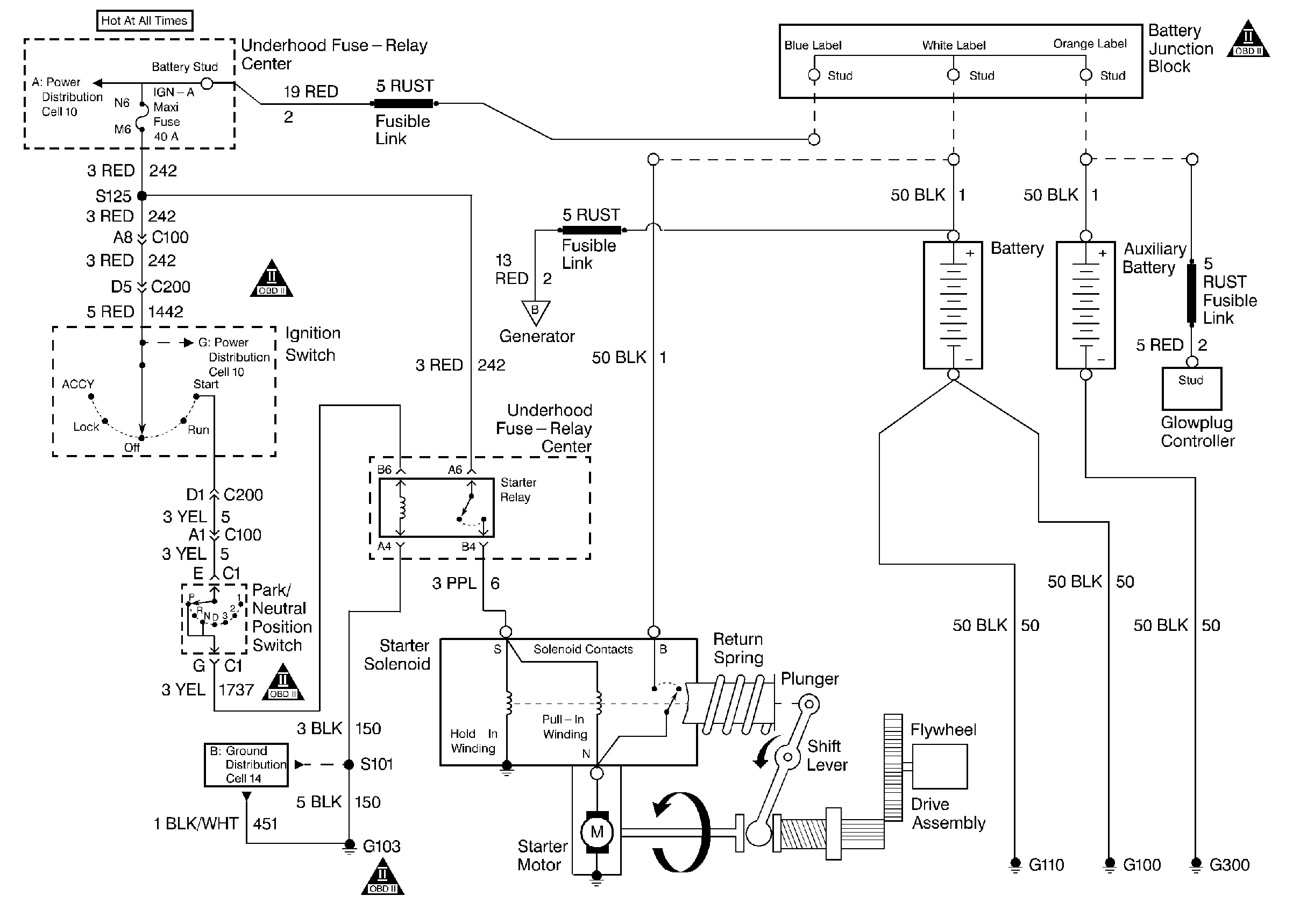
Figure 2:

Starting System


Object Number: 106742  Size: FS
Figure 3:

Charging System


Object Number: 106744  Size: FS