GM Service Manual Online
For 1990-2009 cars only
Figure 1:

DLC, MIL, I/P (5.0L/5.7L)


Object Number: 44874  Size: FS
Engine Controls Components 5.0L/5.7L/7.4L
Vehicle Control Module Serial Data Communications
OBD II Symbol Description Notice
CKP, CMP Sensors, ICM with Ignition Coil (5.0L/5.7L)
Handling ESD Sensitive Parts Notice
Handling ESD Sensitive Parts Notice
Handling ESD Sensitive Parts Notice
Figure 2:

CKP, CMP Sensors, ICM with Ignition Coil (5.0L/5.7L)


Object Number: 44887  Size: FS
Engine Controls Components 5.0L/5.7L/7.4L
Enhanced Ignition System Overview
Fuel Pump, Fuel Pump Relay, Oil Pressure Switch (5.0L/5.7L)
DLC, MIL, I/P (5.0L/5.7L)
OBD II Symbol Description Notice
Handling ESD Sensitive Parts Notice
Figure 3:

Fuel Pump, Fuel Pump Relay, Oil Pressure Switch (5.0L/5.7L)


Object Number: 44894  Size: FS
Engine Controls Components 5.0L/5.7L/7.4L
Fuel System Overview
Injectors (5.0L/5.7L)
CKP, CMP Sensors, ICM with Ignition Coil (5.0L/5.7L)
OBD II Symbol Description Notice
Handling ESD Sensitive Parts Notice
Figure 4:

Injectors (5.0L/5.7L)


Object Number: 44901  Size: FS
Engine Controls Components 5.0L/5.7L/7.4L
Fuel System Central SFI
MAP, IAT, TP, ECT Sensors (5.0L/5.7L)
Fuel Pump, Fuel Pump Relay, Oil Pressure Switch (5.0L/5.7L)
OBD II Symbol Description Notice
Handling ESD Sensitive Parts Notice
Figure 5:

MAP, IAT, TP, ECT Sensors (5.0L/5.7L)


Object Number: 44904  Size: FS
Engine Controls Components 5.0L/5.7L/7.4L
Information Sensors 5.7L, 7.4L
EGR, EVAP Canister Purge Valves, EVAP Canister Vacuum Switch, MAF Sensor(5.0L/5.7L)
Injectors (5.0L/5.7L)
OBD II Symbol Description Notice
Handling ESD Sensitive Parts Notice
Handling ESD Sensitive Parts Notice
Figure 6:

EGR, EVAP Canister Purge Valves, EVAP Canister Vacuum Switch, MAF Sensor (5.0L/5.7L)


Object Number: 44908  Size: FS
Engine Controls Components 5.0L/5.7L/7.4L
Information Sensors 5.7L, 7.4L
HO2S Sensors (5.0L)
MAP, IAT, TP, ECT Sensors (5.0L/5.7L)
OBD II Symbol Description Notice
Handling ESD Sensitive Parts Notice
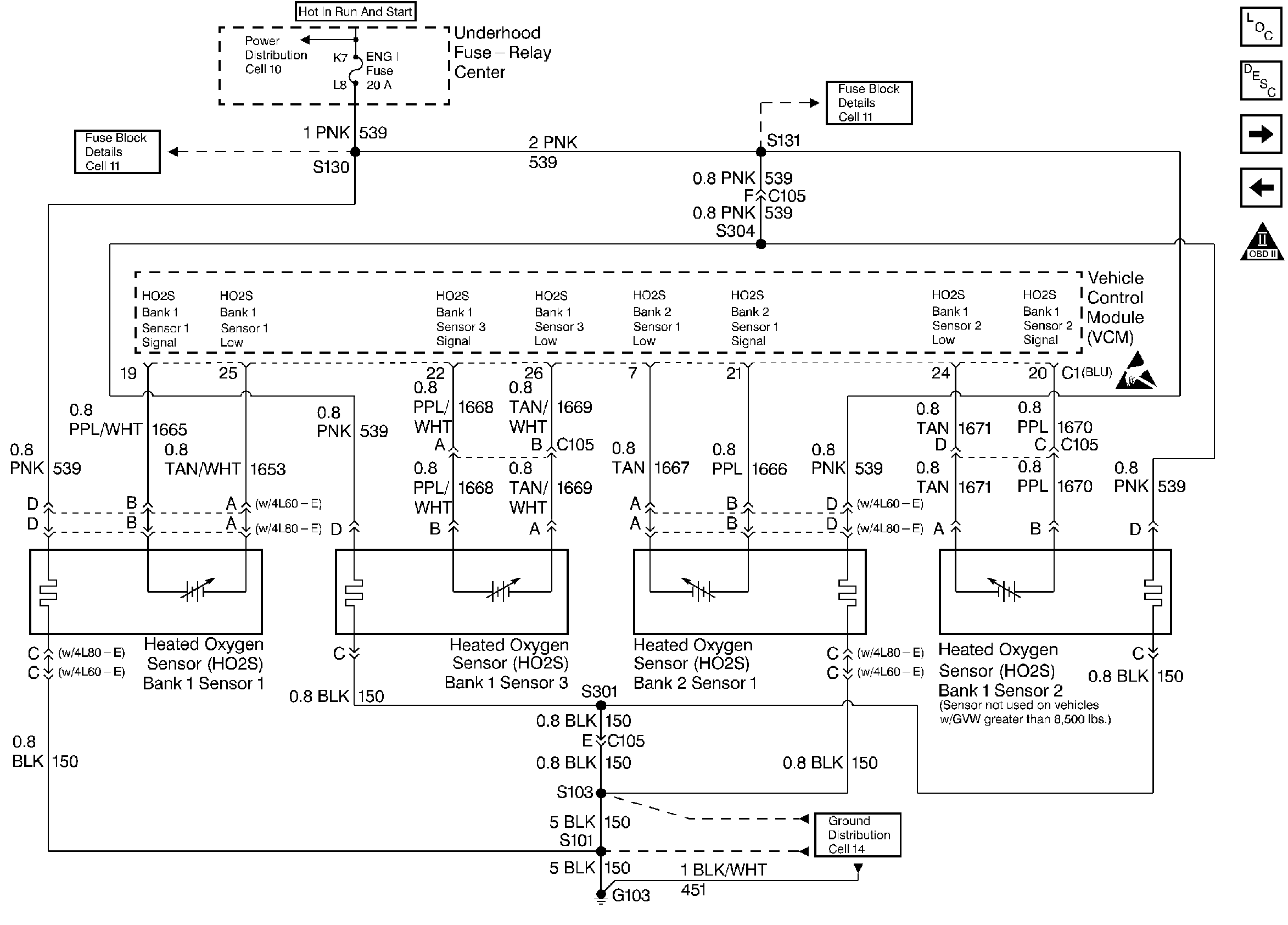
Figure 7:

HO2S Sensors (5.0L)


Object Number: 44912  Size: FS
Engine Controls Components 5.0L/5.7L/7.4L
Information Sensors 5.7L, 7.4L
HO2S Sensors (5.7L)
EGR, EVAP Canister Purge Valves, EVAP Canister Vacuum Switch, MAF Sensor(5.0L/5.7L)
OBD II Symbol Description Notice
Handling ESD Sensitive Parts Notice
Figure 8:

HO2S Sensors (5.7L)


Object Number: 44914  Size: FS
Engine Controls Components 5.0L/5.7L/7.4L
Information Sensors 5.7L, 7.4L
IAC, VSS Sensor, EBCM, Radio, Cruise Control Module, Instrument Cluster(5.0L/5.7L)
HO2S Sensors (5.0L)
OBD II Symbol Description Notice
Handling ESD Sensitive Parts Notice
Figure 9:

IAC, VSS Sensor, EBCM, Radio, Cruise Control Module, Instrument Cluster (5.0L/5.7L)


Object Number: 44920  Size: FS
Engine Controls Components 5.0L/5.7L/7.4L
Information Sensors 5.7L, 7.4L
OBD II Symbol Description Notice
Handling ESD Sensitive Parts Notice
Handling ESD Sensitive Parts Notice
Handling ESD Sensitive Parts Notice
Handling ESD Sensitive Parts Notice
TCC/Stoplamp Switch, A/T 4L60E (5.0L/5.7L)
HO2S Sensors (5.7L)
Figure 10:

TCC/Stoplamp Switch, A/T 4L60E (5.0L/5.7L)


Object Number: 44924  Size: FS
Engine Controls Components 5.0L/5.7L/7.4L
OBD II Symbol Description Notice
Handling ESD Sensitive Parts Notice
A/T 4L60E, TFT Sensor, PC Solenoid (5.0L/5.7L)
IAC, VSS Sensor, EBCM, Radio, Cruise Control Module, Instrument Cluster(5.0L/5.7L)
Figure 11:

A/T 4L60E, TFT Sensor, PC Solenoid (5.0L/5.7L)


Object Number: 44929  Size: FS
Engine Controls Components 5.0L/5.7L/7.4L
OBD II Symbol Description Notice
Handling ESD Sensitive Parts Notice
Handling ESD Sensitive Parts Notice
TCC/Stoplamp Switch, A/T 4L80E (5.0L/5.7L)
TCC/Stoplamp Switch, A/T 4L60E (5.0L/5.7L)
Figure 12:

TCC/Stoplamp Switch, A/T 4L80E (5.0L/5.7L)


Object Number: 44931  Size: FS
Engine Controls Components 5.0L/5.7L/7.4L
OBD II Symbol Description Notice
Handling ESD Sensitive Parts Notice
A/T ISS Sensor, A/T 4L80E (5.0L/5.7L)
A/T 4L60E, TFT Sensor, PC Solenoid (5.0L/5.7L)
Figure 13:

A/T ISS Sensor, A/T 4L80E (5.0L/5.7L)


Object Number: 44935  Size: FS
Engine Controls Components 5.0L/5.7L/7.4L
OBD II Symbol Description Notice
Handling ESD Sensitive Parts Notice
Handling ESD Sensitive Parts Notice
HVAC Control Module, A/C Low Pressure Cutoff Switch, A/C High Pressure Cutoff Switch (5.0L/5.7L)
TCC/Stoplamp Switch, A/T 4L80E (5.0L/5.7L)
Figure 14:

HVAC Control Module, A/C Low Pressure Cutoff Switch, A/C High Pressure Cutoff Switch (5.0L/5.7L)


Object Number: 44946  Size: FS
Engine Controls Components 5.0L/5.7L/7.4L
OBD II Symbol Description Notice
Handling ESD Sensitive Parts Notice
DLC (7.4L)
A/T ISS Sensor, A/T 4L80E (5.0L/5.7L)
Figure 15:

DLC (7.4L)


Object Number: 44949  Size: FS
Engine Controls Components 5.0L/5.7L/7.4L
Vehicle Control Module Serial Data Communications
OBD II Symbol Description Notice
Handling ESD Sensitive Parts Notice
Handling ESD Sensitive Parts Notice
Handling ESD Sensitive Parts Notice
CKP, CMP Sensor, ICM (7.4L)
HVAC Control Module, A/C Low Pressure Cutoff Switch, A/C High Pressure Cutoff Switch (5.0L/5.7L)
Figure 16:

CKP, CMP Sensor, ICM (7.4L)


Object Number: 44953  Size: FS
Engine Controls Components 5.0L/5.7L/7.4L
Enhanced Ignition System Overview
OBD II Symbol Description Notice
Handling ESD Sensitive Parts Notice
Fuel Pump Switch and Engine Oil Pressure Gauge Sensor (7.4L)
DLC (7.4L)
Figure 17:

Fuel Pump Switch and Engine Oil Pressure Gauge Sensor (7.4L)


Object Number: 44955  Size: FS
Engine Controls Components 5.0L/5.7L/7.4L
Fuel System Overview
OBD II Symbol Description Notice
Handling ESD Sensitive Parts Notice
Fuel Injector #1 - #8 (7.4L)
CKP, CMP Sensor, ICM (7.4L)
Figure 18:

Fuel Injector #1 -- #8 (7.4L)


Object Number: 44958  Size: FS
Engine Controls Components 5.0L/5.7L/7.4L
Fuel System SFI
OBD II Symbol Description Notice
Handling ESD Sensitive Parts Notice
MAP, IAT, ECT, TP Sensor (7.4L)
Fuel Pump Switch and Engine Oil Pressure Gauge Sensor (7.4L)
Figure 19:

MAP, IAT, ECT, TP Sensor (7.4L)


Object Number: 44959  Size: FS
Engine Controls Components 5.0L/5.7L/7.4L
Information Sensors 5.7L, 7.4L
OBD II Symbol Description Notice
Handling ESD Sensitive Parts Notice
Handling ESD Sensitive Parts Notice
MAF, EGR, EVAP Canister Purge Valve, EVAP Canister Vacuum Switch (7.4L)
Fuel Injector #1 - #8 (7.4L)
Figure 20:

MAF, EGR, EVAP Canister Purge Valve, EVAP Canister Vacuum Switch (7.4L)


Object Number: 44961  Size: FS
Engine Controls Components 5.0L/5.7L/7.4L
Information Sensors 5.7L, 7.4L
OBD II Symbol Description Notice
Handling ESD Sensitive Parts Notice
Heated Oxygen Sensor (7.4L)
MAP, IAT, ECT, TP Sensor (7.4L)
Figure 21:

Heated Oxygen Sensor (7.4L)


Object Number: 44963  Size: FS
Engine Controls Components 5.0L/5.7L/7.4L
Information Sensors 5.7L, 7.4L
OBD II Symbol Description Notice
Handling ESD Sensitive Parts Notice
IAC, VSS Sensor, EBCM, Radio, Cruise Control Module, Instrument Cluster(7.4L)
MAF, EGR, EVAP Canister Purge Valve, EVAP Canister Vacuum Switch (7.4L)
Figure 22:

IAC, VSS Sensor, EBCM, Radio, Cruise Control Module, Instrument Cluster (7.4L)


Object Number: 44967  Size: FS
Engine Controls Components 5.0L/5.7L/7.4L
Information Sensors 5.7L, 7.4L
OBD II Symbol Description Notice
Handling ESD Sensitive Parts Notice
Handling ESD Sensitive Parts Notice
Handling ESD Sensitive Parts Notice
Handling ESD Sensitive Parts Notice
AIR Pump Relay (7.4L)
Heated Oxygen Sensor (7.4L)
Figure 23:

AIR Pump Relay (7.4L)


Object Number: 44968  Size: FS
Engine Controls Components 5.0L/5.7L/7.4L
Secondary Air Injection System Description
OBD II Symbol Description Notice
Handling ESD Sensitive Parts Notice
TCC/Stoplamp Switch, A/T 4L80E (7.4L)
IAC, VSS Sensor, EBCM, Radio, Cruise Control Module, Instrument Cluster(7.4L)
Figure 24:

TCC/Stoplamp Switch, A/T 4L80E (7.4L)


Object Number: 44973  Size: FS
Engine Controls Components 5.0L/5.7L/7.4L
OBD II Symbol Description Notice
Handling ESD Sensitive Parts Notice
A/T ISS Sensor, A/T 4L80E (7.4L)
AIR Pump Relay (7.4L)
Figure 25:

A/T ISS Sensor, A/T 4L80E (7.4L)


Object Number: 44974  Size: FS
Engine Controls Components 5.0L/5.7L/7.4L
OBD II Symbol Description Notice
Handling ESD Sensitive Parts Notice
Handling ESD Sensitive Parts Notice
HVAC Control Module, A/C Low Pressure Cutoff Switch, A/C High Pressure Cutoff Switch (7.4L)
TCC/Stoplamp Switch, A/T 4L80E (7.4L)
Figure 26:

HVAC Control Module, A/C Low Pressure Cutoff Switch, A/C High Pressure Cutoff Switch (7.4L)


Object Number: 44975  Size: FS
Engine Controls Components 5.0L/5.7L/7.4L
OBD II Symbol Description Notice
Handling ESD Sensitive Parts Notice
DLC, MIL, I/P (5.0L/5.7L)
A/T ISS Sensor, A/T 4L80E (7.4L)