GM Service Manual Online
For 1990-2009 cars only

Removal Procedure

  1. Raise the vehicle. Refer to Lifting and Jacking the Vehicle in General Information.
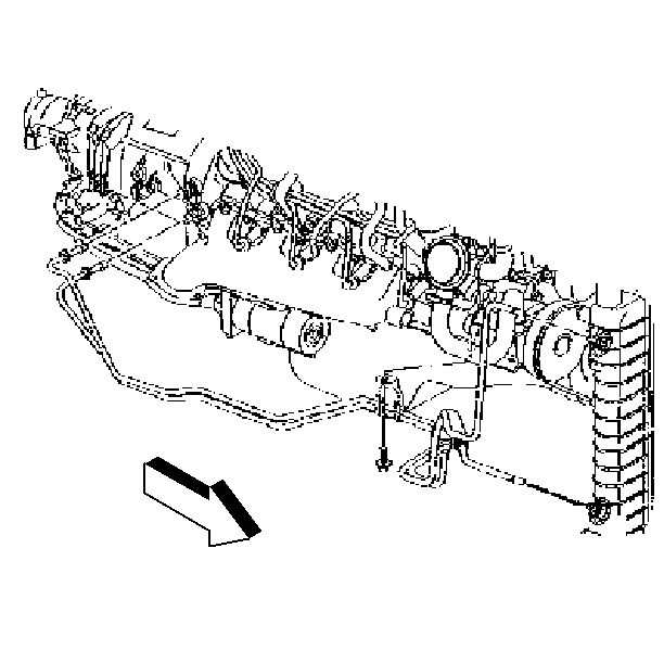
  2. Support the vehicle with safety stands.

  3. Object Number: 104975  Size: SH
  4. Remove the two oil cooler lines from the radiator.

  5. Object Number: 106047  Size: SH
  6. Disconnect the oil cooler pipe from the connector at the radiator.

  7. Object Number: 104976  Size: SH
  8. Disconnect the two oil cooler pipes from the connectors at the radiator. (6.5L diesel engine)

  9. Object Number: 104740  Size: SH

    Important: Perform the following procedures when removing the retaining ring and cooler line from the quick connect fitting on the transmission.

  10. Pull the plastic cap back from the quick connect fitting and down along the cooler line about two inches.

  11. Object Number: 104737  Size: SH
  12. Using a bent-tip screwdriver, pull on one of the open ends of the retaining ring in order to rotate the retaining ring around the quick connect fitting until the retaining ring is out of position and can be completely removed.

  13. Object Number: 104739  Size: SH
  14. Remove the retaining ring from the quick connect fitting.
  15. Discard the retaining ring.

  16. Object Number: 104740  Size: SH
  17. Pull the cooler line straight out from the quick connect fitting.
  18. Remove the retaining ring (E-clips) securing the cooler line to the quick connect in order to remove the remaining cooler lines from the remaining quick connect fittings.
  19. Remove the cooler lines from the vehicle.

Installation Procedure


    Object Number: 104975  Size: SH
  1. Install the transmission oil cooler line to the vehicle. (7.4L engine)

  2. Object Number: 104976  Size: SH
  3. Install the transmission oil cooler line to the vehicle. (6.5L diesel engine)
  4. Important: Do not reuse any of the existing retaining rings that were removed from the existing quick connect fittings. All retaining rings being installed must be New.

  5. Install the new retaining ring (E-clip) into the quick connect fitting.

  6. Object Number: 104743  Size: SH
  7. Hook one of the open ends of the retaining ring in one of the slots in the quick connect fitting.

  8. Object Number: 104746  Size: SH
  9. Rotate the retaining ring around the fitting until the retaining ring is positioned with all three ears through the three slots on the fitting.

  10. Object Number: 104741  Size: SH
  11. Do not install the new retaining ring onto the fitting by pushing the retaining ring down over the fitting.

  12. Object Number: 104664  Size: SH
  13. Ensure that the three retaining ring ears are seen from inside the fitting and that the retaining ring moves freely in the fitting slots.
  14. Install the new retaining ring (E-clip) into the remaining quick connect fittings.
  15. Notice: Ensure that the cooler line being installed has a plastic cap on each end that connects to a quick connect fitting. If no plastic cap exists, or the plastic cap is damaged, obtain a new plastic cap and position on to the cooler line prior to the cooler line installation.

  16. Install the cooler lines to the vehicle.

  17. Object Number: 104752  Size: SH
  18. Install the cooler line into the quick connect fitting.
  19. Insert the cooler line end into the quick connect fitting until a click is either heard or felt.

  20. Object Number: 104750  Size: SH
  21. Do not use the plastic cap on the cooler line in order to install the cooler line into the fitting.
  22. Pull back sharply on the cooler line in order to ensure that the cooler line is fastened into the quick connect fitting.

  23. Object Number: 104753  Size: SH
  24. Position (snap) the plastic cap onto the fitting. Do not manually depress the retaining ring when installing the plastic cap onto the quick connect fitting.
  25. Ensure that the plastic cap is fully seated against the fitting.

  26. Object Number: 104754  Size: SH
  27. Ensure that no gap is present between the cap and the fitting.

  28. Object Number: 104753  Size: SH
  29. Ensure that the yellow identification band on the tube is hidden within the quick connect fitting. A hidden yellow identification band indicates proper joint seating.

  30. Object Number: 104755  Size: SH
  31. Do not install the cooler line into the fitting incorrectly.
  32. If you cannot position the plastic cap against the fitting, remove the retaining ring from the quick connect fitting per step 3 of the cooler line removal procedure. Check the retaining ring and the tube end in order to ensure neither is bent. Replace the cooler line or the retaining ring if necessary, and reinstall per Step 1 of the cooler line installation procedure.
  33. Install the cooler line into the quick connect fitting again in order to install the remaining cooler lines into the remaining quick connect fittings.
  34. Install the flair nuts securing the oil cooler lines to the radiator.
  35. Tighten
    Tighten the flair nuts to 45 N·m (33 lb ft).

    Notice: Use the correct fastener in the correct location. Replacement fasteners must be the correct part number for that application. Fasteners requiring replacement or fasteners requiring the use of thread locking compound or sealant are identified in the service procedure. Do not use paints, lubricants, or corrosion inhibitors on fasteners or fastener joint surfaces unless specified. These coatings affect fastener torque and joint clamping force and may damage the fastener. Use the correct tightening sequence and specifications when installing fasteners in order to avoid damage to parts and systems.


    Object Number: 104976  Size: SH
  36. Install the engine or transmission cooler lines to the frame. (6.5L engine)

  37. Object Number: 104975  Size: SH
  38. Install the engine or transmission cooler lines to the frame. (7.4L engine)