GM Service Manual Online
For 1990-2009 cars only

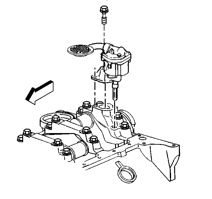
Removal Procedure


    Object Number: 173012  Size: SH
  1. Disconnect the battery negative cable from the battery. Refer to Battery Cable in Engine Electrical.
  2. Raise the vehicle.
  3. Remove the oil pan from the engine block. Refer to Oil Pan Replacement .
  4. Remove the oil pump bolt mounting bolts.
  5. Remove the oil pump assembly from the crankshaft rear bearing cap.

Installation Procedure

Important: When installing the oil pump assembly to the engine block, always replace the retainer between the oil pump and the drive shaft.


    Object Number: 173012  Size: SH
  1. Prime the oil pump assembly.
  2. 1.1. Submerge the oil pump in a clean container with clean motor oil.
    1.2. Rotate the oil pump hex drive by hand until the oil begins to flow from the oil pump assembly.
    1.3. Clean excess motor oil from the outside of the oil pump.
  3. Align the extension shaft with the drive shaft to the oil pump drive gear. The oil pump should slide easily into place, do not force the oil pump into place.
  4. Install the oil pump and the extension shaft to the engine block
  5. Install the oil pump assembly to the crankshaft rear bearing cap.
  6. Notice: Use the correct fastener in the correct location. Replacement fasteners must be the correct part number for that application. Fasteners requiring replacement or fasteners requiring the use of thread locking compound or sealant are identified in the service procedure. Do not use paints, lubricants, or corrosion inhibitors on fasteners or fastener joint surfaces unless specified. These coatings affect fastener torque and joint clamping force and may damage the fastener. Use the correct tightening sequence and specifications when installing fasteners in order to avoid damage to parts and systems.

  7. Install the oil pump mounting bolts to the rear crankshaft main bearing cap.
  8. Tighten
    Tighten the mounting bolts to 90 N·m (65 lb ft)

  9. Install the oil pan to the engine block. Refer to Oil Pan Replacement .
  10. Connect the battery negative cables to the batteries. Refer to Battery Cable in Engine Electrical.