GM Service Manual Online
For 1990-2009 cars only
Figure 1:

Starter Controls (Gas)


Object Number: 362222  Size: FS
Engine Electrical Components
Starting System Circuit Description
Starter Controls (Diesel)
Cell 10: Battery, and Underhood Fuse Block
Cell 10: Battery, and Underhood Fuse Block
Cell 10: IGN A Fuse and Ignition Switch
Cell 14: G105 (1 of 2)
Cell 14: G105 (1 of 2)
Figure 2:

Starter Controls (Diesel)


Object Number: 362224  Size: FS
Engine Electrical Components
Starting System Circuit Description
Generator Controls (Gas)
Starter Controls (Gas)
Cell 10: Battery, and Underhood Fuse Block
Cell 10: IGN A Fuse and Ignition Switch
Cell 10: Battery, and Underhood Fuse Block
Cell 14: G105 (1 of 2)
Cell 14: G105 (1 of 2)
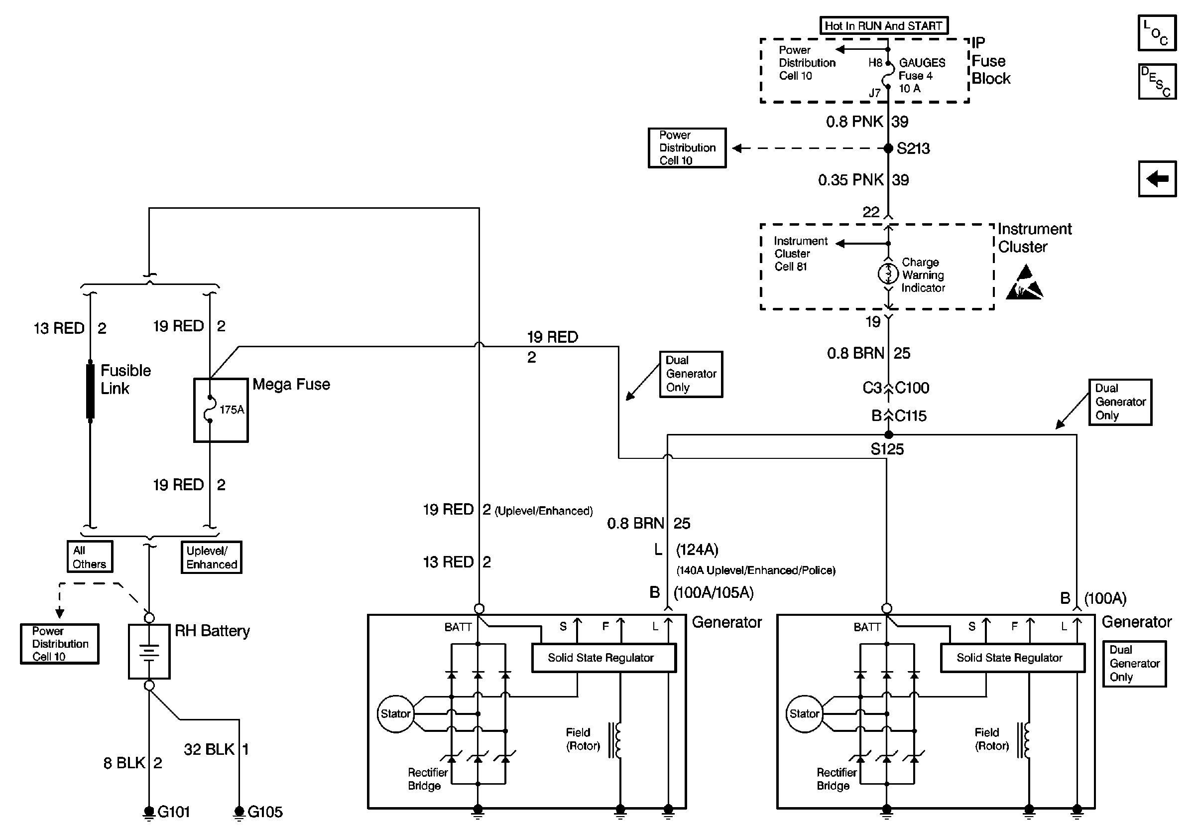
Figure 3:

Generator Controls (Gas)


Object Number: 362226  Size: FS
Engine Electrical Components
Starting System Circuit Description
Generator Controls (Diesel)
Starter Controls (Diesel)
Cell 10: IGN A Fuse and Ignition Switch
Cell 10: GAUGES Fuse
Gauges
Handling Electrostatic Discharge Sensitive Parts Notice
Cell 10: Battery, and Underhood Fuse Block
Figure 4:

Generator Controls (Diesel)


Object Number: 362225  Size: FS
Engine Electrical Components
Starting System Circuit Description
Generator Controls (Gas)
Cell 10: IGN A Fuse and Ignition Switch
Cell 10: GAUGES Fuse
Gauges
Handling Electrostatic Discharge Sensitive Parts Notice
Cell 10: Battery, and Underhood Fuse Block