GM Service Manual Online
For 1990-2009 cars only
Makes
🢒
Chevrolet
🢒
1998
🢒
Chevy K Pickup - 4WD
🢒
Body and Accessories
🢒
Doors
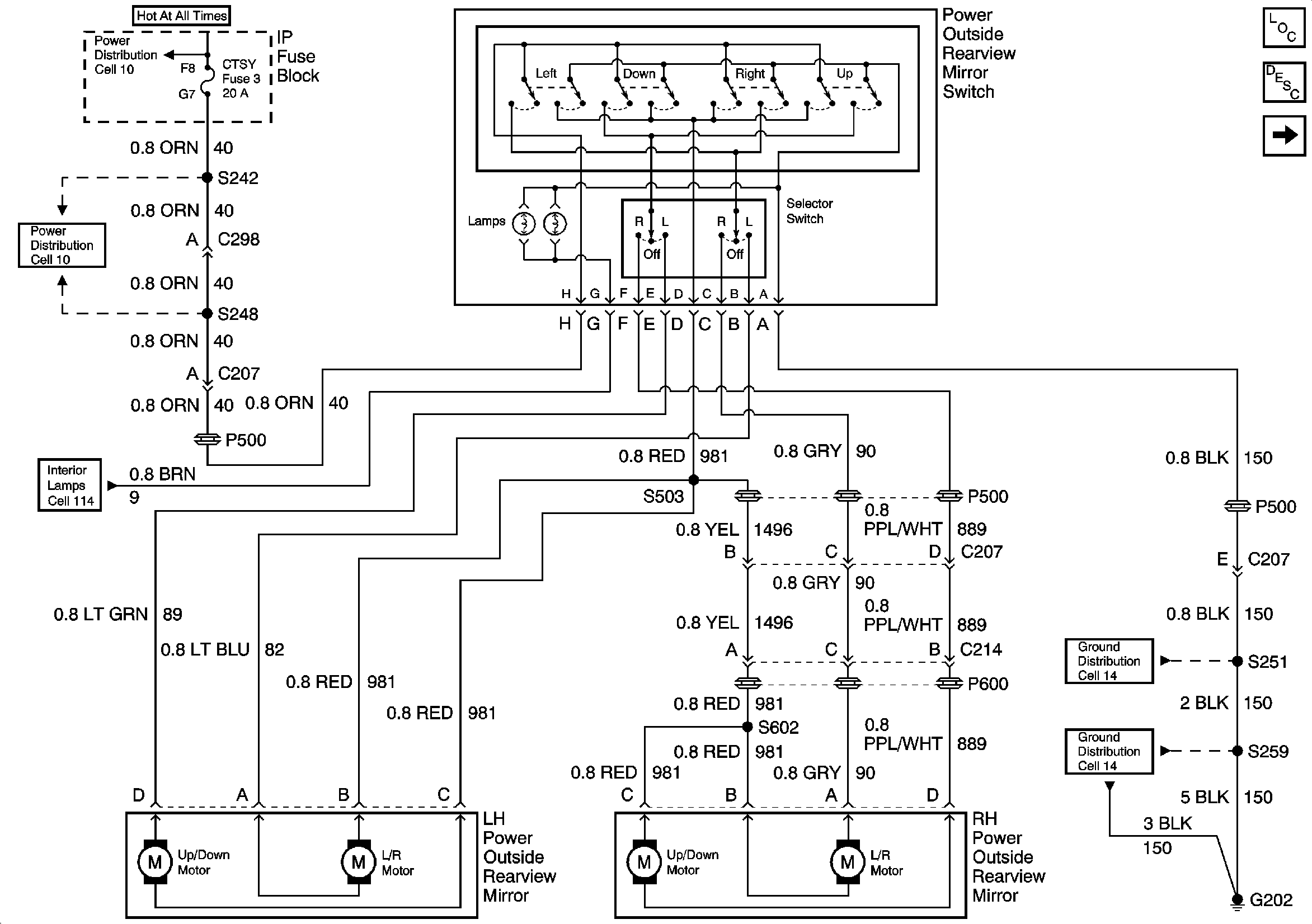
🢒 Outside Rearview Mirror Schematics
Figure
1:
Power Outside Rearview Mirrors
Power Door Systems Components
Outside Mirrors Circuit Description
Power Distribution Schematics
Power Distribution Schematics
Ground Distribution Schematics
Ground Distribution Schematics
Interior Lights Schematics
Cell 130: PWR ACCY Circuit Breaker, Door Lock Switches, Door Lock Motors,G202 (Pickup/Extended Cab)
Figure
2:
Fuse Block, HVAC Control Module
Power Door Systems Components
Outside Mirrors Circuit Description
Heated Mirror Relay, Heated Mirrors
Power Outside Rearview Mirrors
Power Distribution Schematics
Handling ESD Sensitive Parts Notice
Ground Distribution Schematics
Ground Distribution Schematics
Ground Distribution Schematics
Heated Mirror Relay, Heated Mirrors
Power Distribution Schematics
Power Distribution Schematics
Figure
3:
Heated Mirror Relay, Heated Mirrors
Power Distribution Schematics
Ground Distribution Schematics
Fuse Block, HVAC Control Module
Power Door Systems Components
Outside Mirrors Circuit Description
Fuse Block, HVAC Control Module