GM Service Manual Online
For 1990-2009 cars only
Makes
🢒
Chevrolet
🢒
1998
🢒
Chevy K Pickup - 4WD
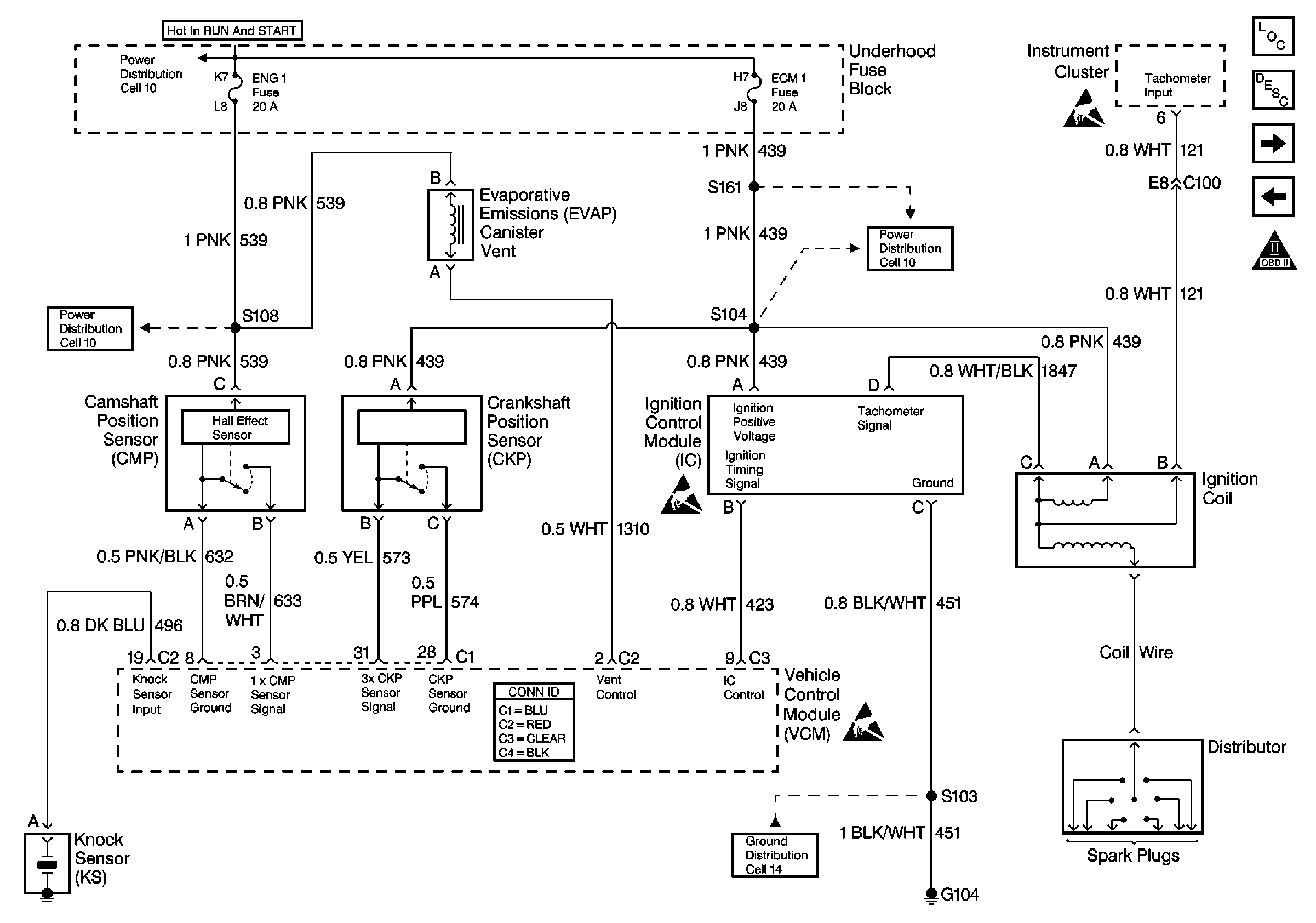
🢒 Ignition System
Ignition System
Ignition System
Engine Controls Components
Information Sensors/Switches Description
Fuel Controls
PWR, GND, and DLC
OBDII Symbol Description Notice