GM Service Manual Online
For 1990-2009 cars only
Makes
🢒
Chevrolet
🢒
1998
🢒
Chevy K Pickup - 4WD
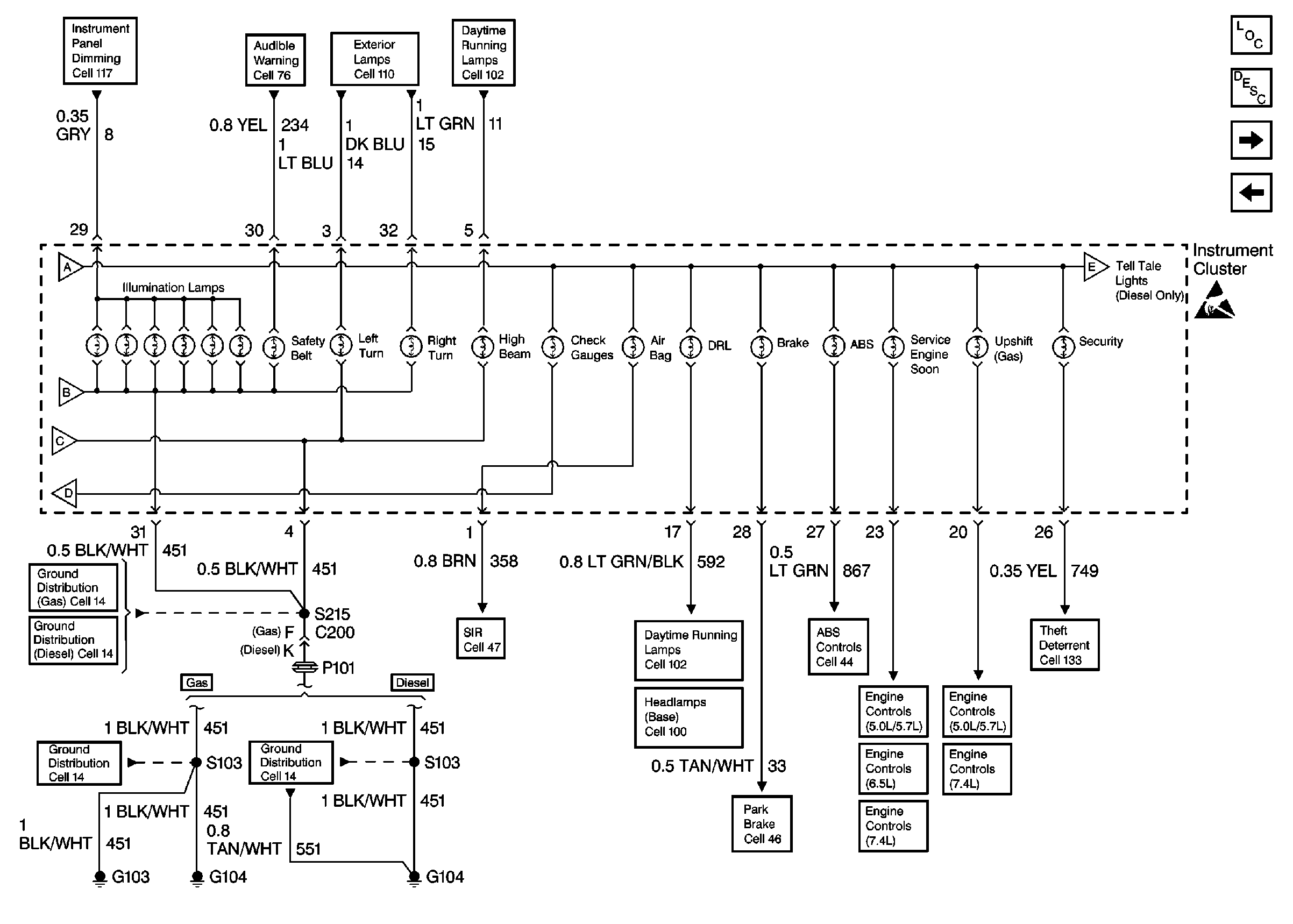
🢒 Indicator Lamps
Indicator Lamps
Indicator Lamps
Instrument Cluster Components
Instrument Cluster Circuit Description
Indicator Lamps (Diesel Only)
Gauges
Interior Lights Dimming Schematics
Audible Warnings Schematics
Exterior Lights Schematics
Headlights/Daytime Running Lights (DRL) Schematics
Indicator Lamps (Diesel Only)
Indicator Lamps (Diesel Only)
Gauges
Ground Distribution Schematics
Ground Distribution Schematics
Ground Distribution Schematics
Ground Distribution Schematics
SIR Schematics
Headlights/Daytime Running Lights (DRL) Schematics
Headlights Schematics
Antilock Brake System Schematics
Engine Controls Schematics Base and Luxury
Engine Controls Schematics
Engine Controls Schematics
Engine Controls Schematics Base and Luxury
Theft Deterrent System Schematics
Handling ESD Sensitive Parts Notice
Engine Controls Schematics