GM Service Manual Online
For 1990-2009 cars only

For a full page schematic, refer to

Cell 51: Uplevel Door Locks


Object Number: 366607  Size: FS
Body Control Module Components
Body Control System Circuit Description
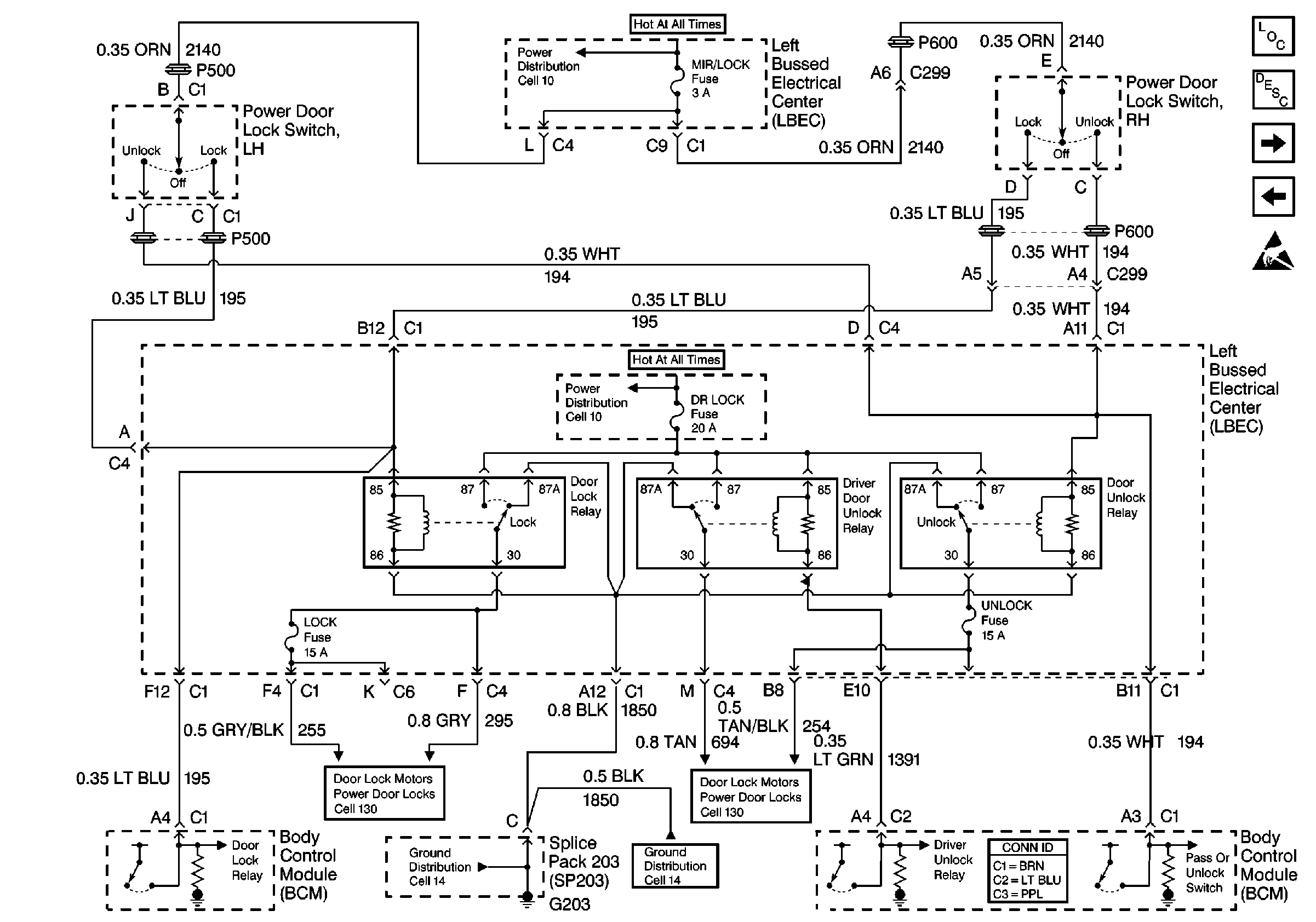
Cell 51: Base Power Door Locks
Cell 51: Passlock Sensor, VSS Signal
Handling ESD Sensitive Parts Notice
Power Distribution Schematics
Power Distribution Schematics
Door Lock/Indicator Schematics
Ground Distribution Schematics
Door Lock/Indicator Schematics
in Body Control Module Schematics.

Circuit Description

The body control module (BCM) monitors and supplies an output on CKT 195. When the BCM receives a LOCK command from the remote control door lock receiver the BCM supplies voltage on CKT 195 to lock the doors.

Conditions for Setting the DTC

    • When the BCM receives a LOCK signal from the remote control door lock receiver module and CKT 195 is shorted to ground.
    • The system voltage must be between 9.0-16.0 volts.
    • The above conditions must be met for 0.25 seconds.

Action Taken When the DTC Sets

    • The door LOCK system will not LOCK the doors from the key fob.
    • The door lock switches will not LOCK or UNLOCK the doors.

Conditions for Clearing the MIL/DTC

    • A current DTC will clear after the next fault free door LOCK cycle.
    • A history DTC will clear after 100 consecutive ignition cycles without a fault present.
    • History and current DTC(s) can be cleared using a scan tool.

Diagnostic Aids

    • Always diagnose the first DTC listed on the scan tool.
    • The scan tool must display DTC B3137 as a current code before performing diagnostics.
    • Perform a visual inspect for loose or poor connections at all related components.
    • Refer to Intermittents and Poor Connections in Wiring Systems.

Test Description

Step number(s) below refer to the same step number(s) in the Diagnostic Table.

  1. This step determines if the LOCK relay is shorted to ground.

  2. This step determines if the left front door lock switch is shorted to ground.

  3. This step determines if the right front door lock switch is shorted to ground.

  4. This step determines if the CKT 195 is shorted to ground.

Step

Action

Value(s)

Yes

No

1

Was the BCM Diagnostic System Check performed?

--

Go to Step 2

Go to Diagnostic System Check - Body Control System

2

  1. Turn the ignition switch to the OFF position.
  2. Remove the LOCK relay from the left bussed electrical center (LBEC).
  3. With a scan tool monitor the current DTCs.
  4. Press and release the LOCK button on the key fob.

Does the scan tool display B3137 as a current code?

--

Go to Step 3

Go to Step 9

3

  1. Disconnect the LH power door lock switch.
  2. With a scan tool monitor the current DTCs.
  3. Press and release the LOCK button on the key fob.

Does the scan tool display B3137 as a current code?

--

Go to Step 4

Go to Step 7

4

  1. Disconnect the RH power door lock switch.
  2. With a scan tool monitor the current DTCs.
  3. Press and release the LOCK button on the key fob.

Does the scan tool display B3137 as a current code?

--

Go to Step 5

Go to Step 8

5

  1. Disconnect the brown BCM (C1) connector and remove the comb from the connector.
  2. Connect a test lamp to B+ and backprobe in order to prevent damage to the terminal, to CKT 195 (LT BLU) cavity A4.

Does the test lamp light?

--

Go to Step 6

Go to Step 10

6

  1. Locate and repair the short to ground in CKT 195 (LT BLU) between the BCM and the lock relay and or the RH and LH power door lock switches.
  2. Replace the open MIR/LOCK fuse (located in the LBEC).

Is the repair complete?

--

Go to Step 11

--

7

  1. Replace the power door lock switch, LH.
  2. Replace the open MIR/LOCK fuse (located in the LBEC).

Is the repair complete?

--

Go to Step 11

--

8

  1. Replace the power door lock switch, RH.
  2. Replace the open MIR/LOCK fuse (located in the LBEC).

Is the repair complete?

--

Go to Step 11

--

9

  1. Replace the LOCK relay.
  2. Replace the open MIR/LOCK fuse (located in the LBEC).

Is the repair complete?

--

Go to Step 11

--

10

  1. Replace the BCM. Refer to Body Control Module Replacement .
  2. Replace the open MIR/LOCK fuse (located in the LBEC).
  3. Program the BCM with the proper calibrations. Refer to Body Control Module (BCM) Programming/RPO Configuration .
  4. Perform the learn procedure.

Is the repair complete?

--

System OK

--

11

  1. Re-connect all components.
  2. Clear the DTCs. Refer to Clearing DTCs .

Is the action complete?

--

System OK

--