GM Service Manual Online
For 1990-2009 cars only
Makes
🢒
Chevrolet
🢒
2001
🢒
Chevy K Silverado - 4WD
🢒
Transmission/Transaxle
🢒
Automatic Transmission - 4L80-E
🢒 Automatic Transmission Controls Schematics
Figure
1:
Brake Switch Signal and Valve Controls
Master Electrical Component List
Electronic Component Description
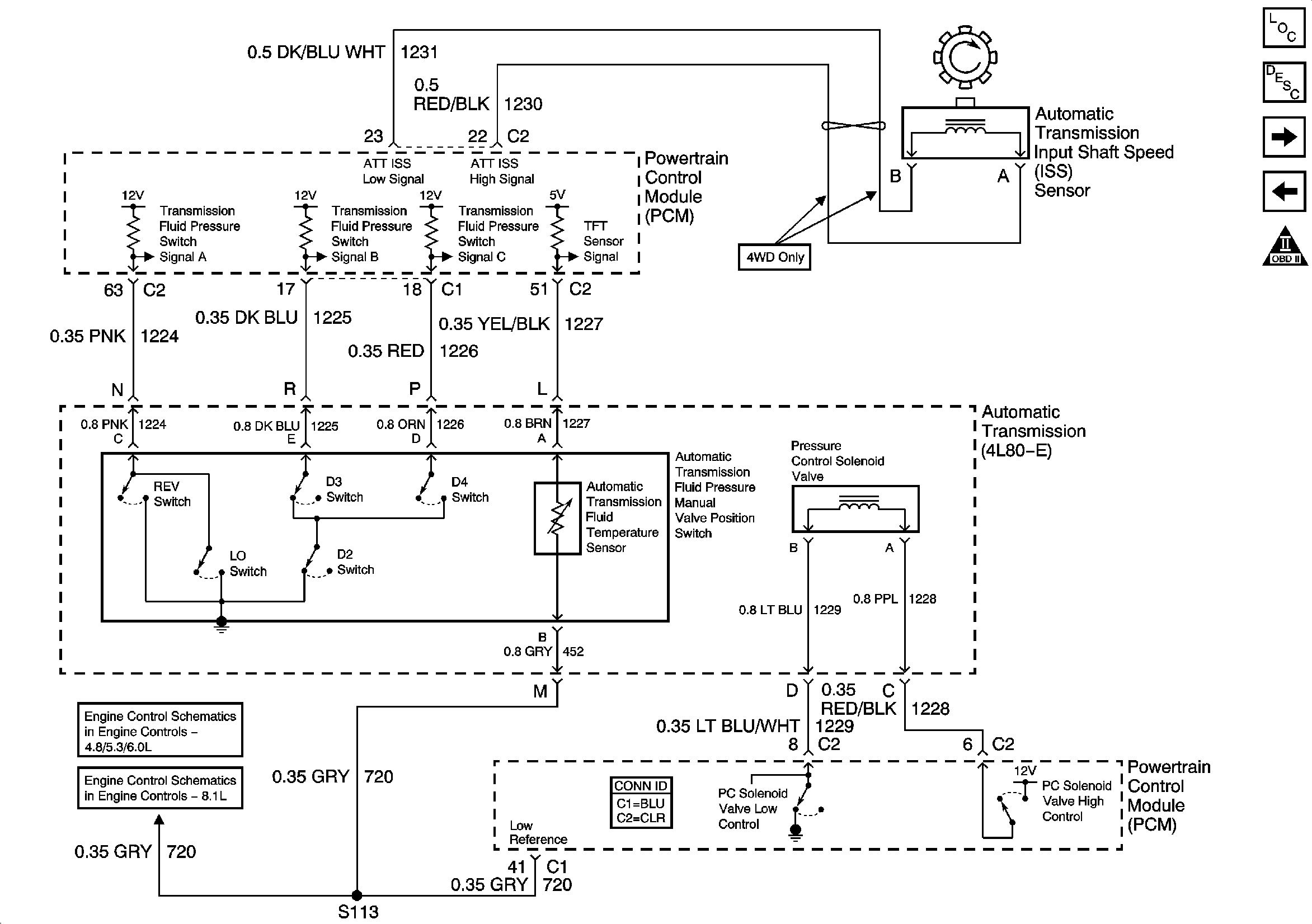
TFT Sensor, Pressure Control Solenoid, and ISS Sensor
OBD II Symbol Description Notice
IGNITION, RUN, ACCESSORY, and RAP Bus Bars, RAP #1 and RAP #2 Fuses
RTD, RDO AMP, CRANK, and IGN 0 Fuses
Cruise Control Module (CCM), Clutch Pedal Position (CPP) Switch, Stoplamp Switch
Power, Ground, Serial Data - w/o Traction Assist
Figure
2:
TFT Sensor, Pressure Control Solenoid, and ISS Sensor
Master Electrical Component List
Electronic Component Description
Park/Neutral Position (PNP) Switch
Brake Switch Signal and Valve Controls
OBD II Symbol Description Notice
Engine Data Sensors - Pressure and Temperature
Figure
3:
Park/Neutral Position (PNP) Switch
Master Electrical Component List
Electronic Component Description
Vehicle Speed Signal and 4WD Low Signal
TFT Sensor, Pressure Control Solenoid, and ISS Sensor
OBD II Symbol Description Notice
SP205
G203 - 3 of 4 - Base Pickup
G203 - 3 of 4 - Base Pickup
G203 - 1 of 4
G103 and G105 - Gas
Figure
4:
Vehicle Speed Signal and 4WD Low Signal
Master Electrical Component List
Electronic Component Description
Park/Neutral Position (PNP) Switch
OBD II Symbol Description Notice