GM Service Manual Online
For 1990-2009 cars only

Transmission Replacement With 6.6L Engine

Tools Required

    • J 21366 Converter Holding Strap
    • J 44257 Connector Removal Tool

Removal Procedure

Important: If replacing a failed transmission, it is important to reset the transmission control module (TCM) to base calibration and fast adaptive for all shifts. This can be done in one step with a scan tool. If this is not done, the TCM's adaptive values will still be at the settings that it learned for the old transmission, and will be in slow adaptive mode. Under these conditions, it would take an unacceptably long time for the adaptive values to converge to levels suitable for the new transmission.


    Object Number: 401885  Size: SH
  1. Disconnect both of the negative battery cables. Refer to Battery Negative Cable Disconnection and Connection in Engine Electrical.
  2. Remove the transmission fluid level indicator.
  3. Raise the vehicle until the right front wheel and tire can be removed. Refer to Lifting and Jacking the Vehicle in General Information.
  4. Remove the right front wheel and tire.
  5. Remove the right front wheel house inner panel retainers (2).
  6. Disconnect any harness retainers attached to the inner panel.
  7. Remove the inner panel (2).

  8. Object Number: 674619  Size: SH
  9. Remove the positive battery cable nut and cable from the starter.
  10. Remove the solenoid nut and wire from the starter.

  11. Object Number: 660305  Size: SH
  12. Remove the starter motor bolts and reposition the starter.

  13. Object Number: 310119  Size: SH
  14. Remove the engine protection shield bolts and shield.

  15. Object Number: 702519  Size: SH

    Important: Rotate the engine clockwise ONLY, rotating the engine counterclockwise may loosen the crankshaft balancer bolt.

  16. Rotate the engine clockwise, using the crankshaft bolt in order to access the torque converter bolts thru the starter opening. Have an assistant rotate the engine while aligning the bolts.
  17. Remove the torque converter bolts.
  18. Completely raise the vehicle.
  19. Drain the transmission fluid.

  20. Object Number: 686691  Size: SH
  21. Disconnect the shift cable from the selector lever ball stud (5) and remove the cable from the bracket (3).

  22. Object Number: 686689  Size: SH
  23. Remove the shift cable bracket bolts and bracket (2) from the transmission.
  24. Reposition the bracket with the cable attached off to the side.

  25. Object Number: 702521  Size: SH
  26. Remove the fuel line retainer (1) bolts on the left side of the transmission.

  27. Object Number: 702523  Size: SH
  28. Remove the fuel line bracket nut from the converter housing stud.

  29. Object Number: 702774  Size: SH
  30. Disconnect the turbine speed sensor (1) and input speed sensor (2) electrical connectors.
  31. Disconnect the output speed sensor (3) electrical connector. If the vehicle is equipped with 4WD, the output speed sensor is located on the transfer case and will be disconnected later.

  32. Object Number: 659284  Size: SH
  33. Disconnect the transmission main electrical connector. J 44257 may be used, but is not required.

  34. Object Number: 694239  Size: SH
  35. Disconnect the park/neutral position (PNP) switch electrical connector.
  36. Remove the exhaust hanger bolts and reposition the hanger.
  37. Support the transmission with a transmission jack.
  38. If the vehicle is a 2WD, remove the propeller shaft. Refer to One-Piece Propeller Shaft Replacement or Two-Piece Propeller Shaft Replacement in Propeller Shaft.
  39. If the vehicle is equipped with 4WD, remove the transfer case.
  40. • If equipped with a NVG 261-NP2, refer to Transfer Case Assembly Replacement in Driveline/Axle.
    • If equipped with a NVG 263-NP1, refer to Transfer Case Assembly Replacement in Driveline/Axle.
  41. Reposition any wiring harness branches out of the way.

  42. Object Number: 702527  Size: SH
  43. Secure a safety chain around the transmission. Use care not to overlap any wiring, fuel lines, or other related components.

  44. Object Number: 686709  Size: SH
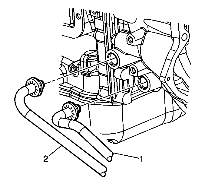
  45. Disconnect the transmission oil cooler lines (1, 2) from the transmission.
  46. Plug the transmission oil cooler line fittings in the transmission case.
  47. If the vehicle is equipped with a power take off (PTO) unit , disconnect and/or remove any necessary components to facilitate transmission removal.

  48. Object Number: 702776  Size: SH
  49. Remove the transmission fill tube nuts from the converter housing studs.

  50. Object Number: 702529  Size: SH
  51. Remove the wire harness/vent tube bracket nut from the converter housing stud and reposition the bracket.

  52. Object Number: 686685  Size: SH
  53. Remove the remaining converter housing bolts and studs.
  54. Separate the transmission from the engine.

  55. Object Number: 702530  Size: SH
  56. Install J 21366 to the converter housing in order to keep the torque converter from sliding off of the turbine shaft.
  57. Carefully lower the transmission from the vehicle while simultaneously removing the fill tube.
  58. Remove the J 21366 .

Installation Procedure


    Object Number: 702530  Size: SH
  1. Install J 21366 to the converter housing in order to keep the torque converter from sliding off of the turbine shaft.
  2. Raise the transmission into place while simultaneously installing the transmission fill tube.
  3. Remove the J 21366 .

  4. Object Number: 686685  Size: SH

    Important: Do not install the transmission by drawing it to the engine using the studs and bolts.

  5. Align the transmission with the engine using the alignment dowels located at the rear of the engine.
  6. Notice: Use the correct fastener in the correct location. Replacement fasteners must be the correct part number for that application. Fasteners requiring replacement or fasteners requiring the use of thread locking compound or sealant are identified in the service procedure. Do not use paints, lubricants, or corrosion inhibitors on fasteners or fastener joint surfaces unless specified. These coatings affect fastener torque and joint clamping force and may damage the fastener. Use the correct tightening sequence and specifications when installing fasteners in order to avoid damage to parts and systems.

    Important: Ensure that the torque converter can be rotated before tightening the bolts and studs.

  7. Install the converter housing bolts and studs.
  8. Tighten
    Tighten the bolts/studs to 50 N·m (37 lb ft).


    Object Number: 702529  Size: SH
  9. Install the wire harness/vent tube bracket and nut to the converter housing stud.
  10. Tighten
    Tighten the nut to 18 N·m (13 lb ft).


    Object Number: 702776  Size: SH
  11. Install the transmission fill tube and nuts to the converter housing studs.
  12. Tighten
    Tighten the nuts to 18 N·m (13 lb ft).

  13. If the vehicle is equipped with a PTO unit, connect and/or install the components at this time.

  14. Object Number: 702527  Size: SH
  15. Remove the safety chain from around the transmission.
  16. Install the transfer case, if the vehicle is equipped with 4WD.
  17. • If equipped with a NVG 261-NP2, refer to Transfer Case Assembly Replacement in Driveline/Axle.
    • If equipped with a NVG 263-NP1, refer to Transfer Case Assembly Replacement in Driveline/Axle.
  18. If the vehicle is a 2WD, install the propeller shaft. Refer to One-Piece Propeller Shaft Replacement or Two-Piece Propeller Shaft Replacement in Propeller Shaft.
  19. Remove the transmission jack.

  20. Object Number: 694239  Size: SH
  21. Position the exhaust hanger and install the bolts.
  22. Tighten
    Tighten the bolts to 12 N·m (106 lb in).

  23. Position the wiring harness branches.
  24. Connect the PNP switch electrical connectors.

  25. Object Number: 702524  Size: SH
  26. Connect the transmission main electrical connector (2).

  27. Object Number: 702774  Size: SH
  28. Connect the output speed sensor (3) electrical connector. If the vehicle is equipped with 4WD, the output speed sensor is located on the transfer case and has been connected during the transfer case installation.
  29. Connect the turbine speed sensor (1) and the input speed sensor (2) electrical connectors.

  30. Object Number: 702523  Size: SH
  31. Install the fuel line bracket and nut to the transmission converter housing stud.
  32. Tighten
    Tighten the nut to 18 N·m (13 lb ft).


    Object Number: 702521  Size: SH
  33. Install the fuel line retainer (1) and bolts to the left side of the transmission.
  34. Tighten
    Tighten the bolts to 2.5 N·m (22 lb in).


    Object Number: 686689  Size: SH
  35. Install the shift cable bracket (2) and bolts to the transmission.
  36. Tighten
    Tighten the bolts to 25 N·m (18 lb ft).


    Object Number: 686691  Size: SH
  37. Install the shift cable to the bracket (3) and the selector lever ball stud (5).

  38. Object Number: 713136  Size: SH
  39. Remove the access hole cover (1) on the converter housing in order to rotate the converter and align the first torque converter bolt.

  40. Object Number: 702519  Size: SH
  41. If reusing the torque converter bolts, clean the bolt threads and apply LOCTITE 242 GM P/N 12345382 (Canadian P/N 10953489), or equivalent to the threads prior to installation.
  42. Install the torque converter bolts.
  43. Tighten
    Tighten the bolts to 60 N·m (44 lb ft).

  44. Install the converter housing access hole cover.

  45. Object Number: 310119  Size: SH
  46. Install the engine protection shield and bolts.
  47. Tighten
    Tighten the bolts to 20 N·m (15 lb ft).


    Object Number: 660305  Size: SH
  48. Position and install the starter motor bolts.
  49. Tighten
    Tighten the bolts to 78 N·m (58 lb ft).


    Object Number: 674619  Size: SH
  50. Install the solenoid wire and nut to the starter.
  51. Tighten
    Tighten the nut to 3.4 N·m (30 lb in).

  52. Install the positive battery cable and nut to the starter.
  53. Tighten
    Tighten the nut to 9 N·m (80 lb in).


    Object Number: 401885  Size: SH
  54. Install the inner panel (2).
  55. Connect any harness retainers to the inner panel.
  56. Install the right front wheel house inner panel retainers (2).
  57. Install the right front wheel and tire.

  58. Object Number: 686709  Size: SH
  59. Remove the plugs from the transmission oil cooler fittings.
  60. Flush the transmission oil cooler and lines, if necessary. Refer to Transmission Fluid Cooler Flushing and Flow Test .
  61. Connect the transmission oil cooler lines (1, 2) to the transmission.
  62. Lower the vehicle.
  63. Connect both negative battery cables . Refer to Battery Negative Cable Disconnection and Connection in Engine Electrical.
  64. Fill the transmission with new transmission fluid.
  65. Install the transmission fluid level indicator.
  66. Important: It is recommended that the transmission adaptive pressure (TAP) information be reset.

    Resetting the TAP values using a scan tool will erase all learned values in all cells. As a result, the ECM, PCM or TCM will need to relearn the TAP values. Transmission performance may be affected as new TAP values are learned.

  67. Reset the TAP values. Refer to Adapt Function .
  68. If a replacement transmission was installed, reset the TCM to base calibration and fast adaptive, using a scan tool.

Transmission Replacement With 8.1L Engine

Tools Required

    • J 21366 Converter Holding Strap
    • J 44257 Main Wiring Harness Connector Remover

Removal Procedure

Important: If replacing a failed transmission with a replacement unit, it is important to reset the transmission control module (TCM) to base calibration and fast adaptive for all shifts.


    Object Number: 686700  Size: SH
  1. Disconnect the battery. Refer to Battery Negative Cable Disconnection and Connection in Engine Electrical.
  2. Remove the fluid level indicator.
  3. Raise the vehicle. Refer to Lifting and Jacking the Vehicle in General Information.
  4. Remove the starter motor bolts and position the starter motor aside. Refer to Starter Motor Replacement in Engine Electrical.

  5. Object Number: 647997  Size: SH
  6. Drain the transmission fluid, if necessary. Refer to Automatic Transmission Fluid and Filter Replacement .
  7. Remove the rear propeller shaft. Refer to One-Piece Propeller Shaft Replacement or Two-Piece Propeller Shaft Replacement in Propeller Shaft.
  8. If the vehicle is equipped with 4WD, remove the front propeller shaft. Refer to Front Propeller Shaft Replacement in Propeller Shaft.
  9. Support the transmission with a transmission jack.
  10. Remove the two nuts securing the transmission mount to the transmission support.

  11. Object Number: 652595  Size: SH
  12. Remove the transmission support nuts and bolts.
  13. Remove the transmission support from the vehicle.

  14. Object Number: 648001  Size: SH
  15. Remove the bolts and remove the transmission mount from the vehicle. Refer to Transmission Mount Replacement .

  16. Object Number: 686691  Size: SH
  17. If the vehicle is equipped with 4WD, remove the transfer case. Refer to Transfer Case Assembly Replacement in Transfer Case-NVG 261-NP2 (Two Speed Manual) or Transfer Case Assembly Replacement in Transfer Case-NVG 263-NP1 (Selectable).
  18. Remove the shift cable (2) from the selecter lever ball stud (5) and bracket (3). Refer to Shift Cable Replacement .

  19. Object Number: 686689  Size: SH
  20. Remove the shift cable bracket (2) from the transmission.

  21. Object Number: 702521  Size: SH
  22. Remove the bolts from the fuel line retainers (1) on the left side of the transmission.

  23. Object Number: 702523  Size: SH
  24. Remove the nut from the stud that retains the fuel line bracket to the converter housing.

  25. Object Number: 702774  Size: SH
  26. Disconnect the electrical connectors from the turbine speed sensor (1) and the input speed sensor (2).
  27. Disconnect the electrical connector from the output speed sensor (3). If the vehicle is equipped with 4WD, the output speed sensor is located on the transfer case and will already be disconnected.

  28. Object Number: 659284  Size: SH
  29. Remove the main electrical connector from the transmission using the J 44257 .

  30. Object Number: 744180  Size: SH
  31. Remove the transmission heat shields. Refer to Transmission Heat Shield Replacement .

  32. Object Number: 694239  Size: SH
  33. Disconnect the electrical connectors from the park/neutral position switch.
  34. Remove the exhaust pipe hanger. Refer to Exhaust Hanger Mounting Bracket Replacement in Engine Exhaust.

  35. Object Number: 702527  Size: SH
  36. Secure the transmission safety chain around the transmission. Use care not to overlap any wiring, fuel lines, or other related components that may still be connected to the vehicle.

  37. Object Number: 686709  Size: SH
  38. Disconnect the transmission oil cooler lines (1, 2) from the transmission. Refer to Oil Cooler Hose/Pipe Replacement .
  39. Plug the transmission oil cooler line fittings in the transmission case.
  40. If the vehicle is equipped with a power take off unit (PTO), disconnect and / or remove the necessary components to facilitate transmission removal.

  41. Object Number: 686693  Size: SH
  42. Remove the converter housing inspection cover.

  43. Object Number: 686680  Size: SH
  44. Mark the flywheel to torque converter relationship for reassembly purposes.
  45. Remove the torque converter bolts (3).

  46. Object Number: 702776  Size: SH
  47. Remove the nuts from the studs on the converter housing and position aside the fill tube.

  48. Object Number: 702529  Size: SH
  49. Remove the nut from the stud on the converter housing and position aside the wire harness/vent tube retaining bracket.

  50. Object Number: 744182  Size: SH
  51. Remove the remaining bolts and studs from the converter housing.
  52. Separate the transmission from the engine.

  53. Object Number: 702530  Size: SH
  54. Install the J 21366 to the transmission converter housing in order to keep the torque converter from sliding off of the transmission turbine shaft.
  55. Carefully lower the transmission from the vehicle while simultaneously removing the fill tube.

Installation Procedure


    Object Number: 702530  Size: SH
  1. Install the J 21366 in order to keep the torque converter from sliding off of the transmission turbine shaft.
  2. Raise the transmission into place while simultaneously installing the fill tube.
  3. Remove the J 21366 .
  4. Align the transmission with the engine using the alignment dowels located at the rear of the engine.
  5. Ensure that the torque converter can be rotated before tightening the studs and bolts.
  6. Important: Do not install the transmission by drawing it to the engine using the studs and bolts.

  7. Make sure the transmission is flush against the engine.

  8. Object Number: 744182  Size: SH

    Notice: Use the correct fastener in the correct location. Replacement fasteners must be the correct part number for that application. Fasteners requiring replacement or fasteners requiring the use of thread locking compound or sealant are identified in the service procedure. Do not use paints, lubricants, or corrosion inhibitors on fasteners or fastener joint surfaces unless specified. These coatings affect fastener torque and joint clamping force and may damage the fastener. Use the correct tightening sequence and specifications when installing fasteners in order to avoid damage to parts and systems.

  9. Install the studs and bolts that secure the transmission to the engine.
  10. Tighten
    Tighten the studs and bolts to 50 N·m (37 lb ft).


    Object Number: 702529  Size: SH
  11. Install the wire harness/vent tube retaining bracket to the stud on the converter housing.
  12. Install the nut to the stud that retains the bracket.

    Tighten
    Tighten the nut to 18 N·m (13 lb ft).


    Object Number: 702776  Size: SH
  13. Install the fill tube to the studs on the converter housing.
  14. Install the nuts to the studs that retain the fill tube.

    Tighten
    Tighten the nuts to 18 N·m (13 lb ft).


    Object Number: 713136  Size: SH
  15. Remove the converter housing access cover (1) to align the first torque converter bolt. Use the marks made during disassembly.

  16. Object Number: 686680  Size: SH
  17. If reusing the torque converter bolts, clean the bolt threads and apply LOCTITE 242 GM P/N 12345382 (Canadian P/N 10953489), or equivalent to the threads prior to installation.
  18. Install the torque converter bolts (3).
  19. Tighten
    Tighten the bolts to 60 N·m (44 lb ft).


    Object Number: 713136  Size: SH
  20. Install the converter housing access cover (1).

  21. Object Number: 686693  Size: SH
  22. Install the converter housing inspection cover.
  23. Install the converter housing inspection cover bolts.
  24. Tighten
    Tighten the bolts to 10 N·m (89 lb in).


    Object Number: 694239  Size: SH
  25. Remove the transmission safety chain from around the transmission.
  26. If the vehicle is equipped with a power take off unit (PTO), connect and / or install the components at this time.
  27. Install the exhaust pipe hanger. Refer to Exhaust Hanger Mounting Bracket Replacement in Engine Exhaust.

  28. Object Number: 744180  Size: SH
  29. Install the transmission heat shield. Refer to Transmission Heat Shield Replacement .

  30. Object Number: 702524  Size: SH
  31. Connect the electrical connectors to the park/neutral position switch.
  32. Install the main electrical connector (2) to the transmission.

  33. Object Number: 702774  Size: SH
  34. Connect the electrical connector to the output speed sensor (3). This sensor is located on the transfer case if the vehicle is equipped with 4WD, and will be connected during transfer case installation.
  35. Connect the electrical connectors to the turbine speed sensor (1) and the input speed sensor (2).

  36. Object Number: 702523  Size: SH
  37. Install the fuel line bracket to the stud on the transmission converter housing.
  38. Install the nut to the converter housing stud that retains the fuel line bracket.
  39. Tighten
    Tighten the nut to 18 N·m (13 lb ft).


    Object Number: 702521  Size: SH
  40. Install the fuel line retainers (1) and bolts to the left side of the transmission.
  41. Tighten
    Tighten the bolts to 2.5 N·m (22 lb in).


    Object Number: 686689  Size: SH
  42. Install the shift cable bracket (2) to the transmission.
  43. Install the shift cable bracket bolts to the transmission.
  44. Tighten
    Tighten the bolts to 25 N·m (18 lb ft).


    Object Number: 686691  Size: SH
  45. Install the shift cable (2) to the bracket (3) and the selecter lever ball stud (5). Refer to Shift Cable Replacement .

  46. Object Number: 647998  Size: SH
  47. Install the transfer case, if equipped. Refer to Transfer Case Assembly Replacement in Transfer Case-NVG 261-NP2 (Two Speed Manual) or Transfer Case Assembly Replacement in Transfer Case-NVG 263-NP1 (Selectable).
  48. Install the transmission mount to the transmission. If equipped with 4WD, the transmission mount will be mounted to the transfer case adapter. Refer to Transmission Mount Replacement .
  49. Install the transmission mount bolts.
  50. Tighten
    For 4WD vehicles, tighten the bolts to 47 N·m (35 lb ft).

    Tighten
    For 2WD vehicles, tighten the bolts to 50 N·m (37 lb ft).


    Object Number: 652595  Size: SH
  51. Install the transmission support to the vehicle.
  52. Install the transmission support nuts and bolts.
  53. Tighten
    Tighten the nuts and bolts to 70 N·m (52 lb ft).

  54. Lower the transmission.

  55. Object Number: 647997  Size: SH
  56. Install the two nuts securing the transmission mount to the transmission support.
  57. Tighten
    Tighten the nuts to 40 N·m (30 lb ft).

  58. Remove the transmission jack.
  59. If equipped with a transfer case, Install the front propeller shaft. Refer to Front Propeller Shaft Replacement in Propeller Shaft.
  60. Install the rear propeller shaft. Refer to One-Piece Propeller Shaft Replacement or Two-Piece Propeller Shaft Replacement in Propeller Shaft.
  61. Install the starter motor. Refer to Starter Motor Replacement in Engine Electrical.

  62. Object Number: 686709  Size: SH
  63. Flush the transmission oil cooler and lines if necessary. Refer to Transmission Fluid Cooler Flushing and Flow Test .
  64. Connect the transmission oil cooler lines (1, 2) to the transmission. Refer to Oil Cooler Hose/Pipe Replacement .
  65. Lower the vehicle.
  66. Connect the battery. Refer to Battery Negative Cable Disconnection and Connection in Engine-Engine Electrical.
  67. Fill the transmission with new transmission fluid. Refer to Automatic Transmission Fluid and Filter Replacement .
  68. Important: It is recommended that the transmission adaptive pressure (TAP) information be reset.

    Resetting the TAP values using a scan tool will erase all learned values in all cells. As a result, the ECM, PCM or TCM will need to relearn the TAP values. Transmission performance may be affected as new TAP values are learned.

  69. Reset the TAP values. Refer to Adapt Function .
  70. If a replacement transmission was installed, reset the TCM to base calibration and fast adaptive, using a scan tool.