| Figure 1:  | 
 Inadvertent Power Relay, Door Courtesy Lamps, IP Courtesy Lamps, and
 CTSY LP Fuse - Uplevel
  
 
 | 
| Figure 2:  | 
 Inadvertent Power Relay, Courtesy Lamp Module, and CTSY LP Fuse -
Luxury
  
 
 | 
| Figure 3:  | 
 Door Courtesy Lamps and IP Courtesy Lamps - Luxury
  
 
 | 
| Figure 4:  | 
 Vanity Mirror Lamps and Map Lamp Assemblies - Uplevel
  
 
 | 
| Figure 5:  | 
 Vanity Mirror Lamps and Map Lamp Assemblies - Luxury
  
 
 | 
| Figure 6:  | 
 Courtesy Lamp Relay, Underhood Lamp, and IP Compartment Lamp
  
 
 | 
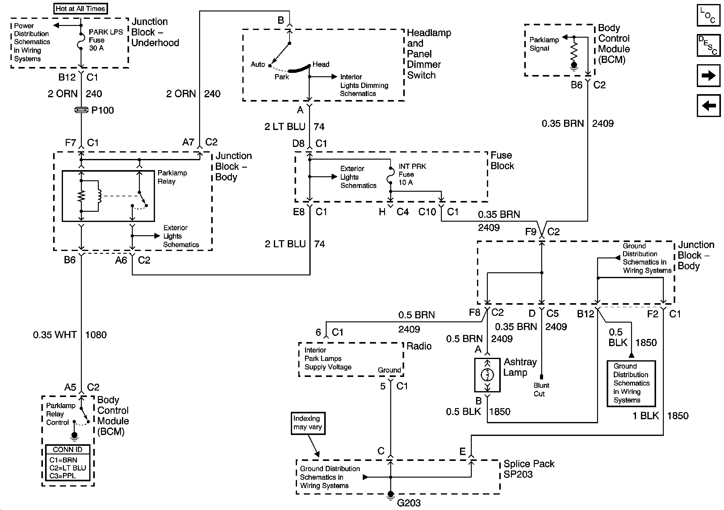
| Figure 7:  | 
 PARK LPS Fuse, Parklamp Relay, Door Lock Switch-Driver, Heated Seat
 Switches, and Ashtray Lamp
  
 
 | 
| Figure 8:  | 
 Mini Wedge (Door Jamb Switch) LF and Mini Wedge (Door Jamb Switch)
 RF
  
 
 | 
| Figure 9:  | 
 Door Lock Switch - Front Passenger, Window Switches LR/RR, and
Sunroof  Switch
  
 
 | 
| Figure 10:  | 
 Mini Wedge (Door Jamb Switch) LR, Mini Wedge (Door Jamb Switch) RR,
Bezel Lamp, and Cigar Lighter
  
 
 | 
| Figure 11:  | 
 Door Ajar Switches - Cargo or Liftgate
  
 
 | 
| Figure 12:  | 
 Rear Seat Audio Controller and Radio 
  
 
 |