GM Service Manual Online
For 1990-2009 cars only
Figure 1:

Power, Ground, and Serial Data


Object Number: 662713  Size: FS
Master Electrical Component List
Body Control System Description and Operation
Exterior Lighting Systems References
B+ Bus Bar
IGNITION, RUN, and START Bus Bar
IGNITION, RUN, ACCESSORY, and RAP Bus Bars, RAP #1 and RAP #2 Fuses
HDLP Relay, TBC, FOG LP, LT HDLP, and RT HDLP Fuses
BRAKE, CRUISE, HTR A/C, RR WPR, WS WPR, and SEO ACCY Fuses
HDLP Relay, TBC, FOG LP, LT HDLP, and RT HDLP Fuses
IGN 1, AIR BAG, and SEO IGN Fuses
BRAKE, CRUISE, HTR A/C, RR WPR, WS WPR, and SEO ACCY Fuses
G203 - 1 of 4
G203 - 1 of 4
SP205
Key In Ignition and Turn Signal Shime
Figure 2:

Exterior Lighting Systems References


Object Number: 662726  Size: FS
Master Electrical Component List
Body Control System Description and Operation
Interior Lighting Systems References
Power, Ground, and Serial Data
w/o Snowplow Package
Park Lamp Relay, FR PRK, TRL PRK, LR PRK, and RR PRK Fuses
PARK LPS Fuse, Headlamp Switch, FR PRK, TRL PRK, LR PRK and RR PRK Fuses
Headlamps Schematics
Fog Lamps Schematics
Headlamps Schematics
Park/Turn Signal Lamps, RT TURN Fuse and LT TURN Fuse
LT TURN Fuse, RT TURN Fuse, and Turn Signal Lamps
Headlamps Schematics
Exterior Illumination Lamps Relay and Exterior Illumination Lamps
Exterior Illumination Lamps
Figure 3:

Interior Lighting Systems References


Object Number: 662738  Size: FS
Master Electrical Component List
Body Control System Description and Operation
Controlled/Monitored Subsystem References
Exterior Lighting Systems References
Courtesy Lamp Relay, Underhood Lamp, and IP Compartment Lamp
I/P Compartment Lamp, Underhood Lamp and Map Lamp
I/P Compartment Lamp, Underhood Lamp, Reading Lamps and Cargo Lamps
Dome Lamp and Courtesy Lamp Control
Cargo and Underhood Lamp Control
Courtesy and Dome Lamp Control
Inadvertent Power Relay, Door Courtesy Lamps, IP Courtesy Lamps, and CTSY LP Fuse - Uplevel
Courtesy Lamp and Dome Lamp Power
Dome Lamp and Courtesy Lamp Control
Courtesy and Dome Lamp Control
PARK LPS Fuse, Parklamp Relay, Door Lock Switch-Driver, Heated Seat Switches, and Ashtray Lamp
Parklamp Control, Power Door Lock Switch, and Ashtray Lamp
Window/Door Lock Switches, Outside Rearview Mirror Switch, Heated Seat Switch and Ashtray Lamp
Parklamp Signal and Ashtray Lamp
Dimming Control, Traction Control, Fog Lamp and Selectable Ride Switches
Dimming Control, Rear Wiper/Washer, Roof Beacon, and Selectable Ride Switches
Transfer Case Shift Control, Roof Beacon, and Inflatable Restraint IP Module Disable Switches, HVAC Control Module, IPC, and Radio
Transfer Case Shift Control and Traction Control Switches and IPC
Cargo and Underhood Lamp Control
I/P Compartment Lamp, Underhood Lamp, Reading Lamps and Cargo Lamps
Cargo and Underhood Lamp Control
I/P Compartment Lamp, Underhood Lamp, Reading Lamps and Cargo Lamps
Figure 4:

Controlled/Monitored Subsystem References


Object Number: 662747  Size: FS
Master Electrical Component List
Body Control System Description and Operation
Mini Wedge (Door Jamb Switches) - Base Pickup
Interior Lighting Systems References
Seat Belt Schematics
Park/Neutral Position (PNP) Switch
Horn Schematics
Pickup
Rap #1 Controls - Utility
Ignition Key Alarm Switch and Vehicle Speed Signal
Ignition Key Alarm Switch and Vehicle Speed Signal
Key In Ignition and Turn Signal Shime
Liftgate Key Switch, Cargo Door Key Switch and Mini Wedge - Driver/Front Passenger
Body Control Module, Steering Wheel Speed/Position Sensor and Ignition Lock Cylinder Case
Variable Effort Steering Schematics
Gauges, VSS, and Engine Oil Signals
Key In Ignition and Turn Signal Shime
Brake Warning Schematics
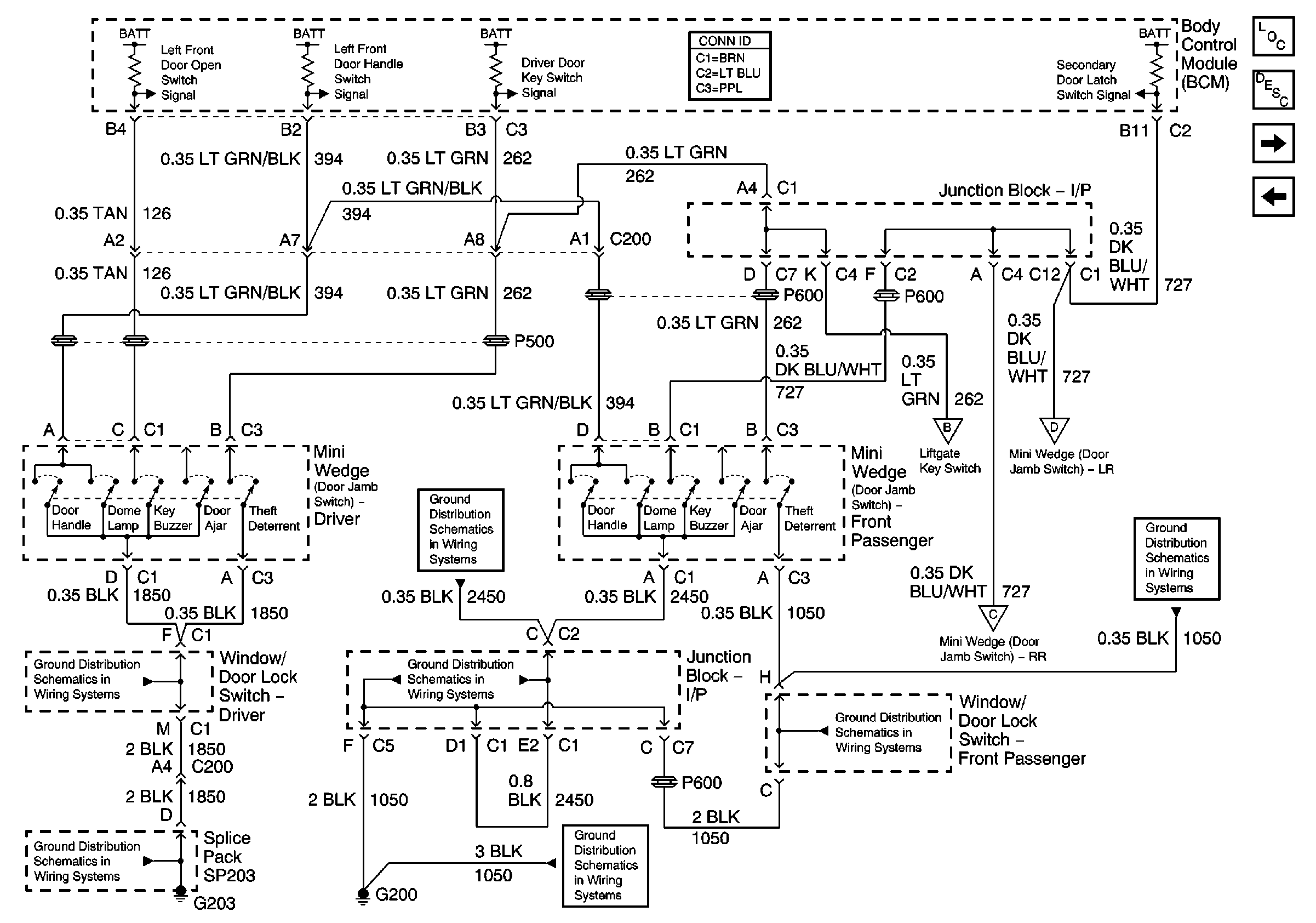
Figure 5:

Mini Wedge (Door Jamb Switches) - Base Pickup


Object Number: 663007  Size: FS
Master Electrical Component List
Body Control System Description and Operation
Mini Wedge (Door Jamb Switches) - Uplevel Pickup
Controlled/Monitored Subsystem References
G203 - 2 of 4
G203 - 2 of 4
G203 - 3 of 4 - Base Pickup
G203 - 3 of 4 - Base Pickup
G203 - 1 of 4
G203 - 1 of 4
Figure 6:

Mini Wedge (Door Jamb Switches) - Uplevel Pickup


Object Number: 663006  Size: FS
Master Electrical Component List
Body Control System Description and Operation
Mini wedge (Door Jamb Switches) - Base Utility
Mini Wedge (Door Jamb Switches) - Base Pickup
G203 - 2 of 4
G203 - 1 of 4
G200 - 1 of 2
G200 - 1 of 2
G200 - 2 of 2
G200 - 1 of 2
G200 - 1 of 2
Figure 7:

Mini wedge (Door Jamb Switches) - Base Utility


Object Number: 663008  Size: FS
Master Electrical Component List
Body Control System Description and Operation
Mini Wedge (Door Jamb Switches) - Uplevel Utility
Mini Wedge (Door Jamb Switches) - Uplevel Pickup
G203 - 2 of 4
G203 - 1 of 4
G203 - 1 of 4
G203 - 2 of 4
G200 - 1 of 2
G200 - 1 of 2
G305 and G306
Figure 8:

Mini Wedge (Door Jamb Switches) - Uplevel Utility


Object Number: 663012  Size: FS
Master Electrical Component List
Body Control System Description and Operation
Cargo Door Jamb Switches
Mini wedge (Door Jamb Switches) - Base Utility
G203 - 2 of 4
G203 - 1 of 4
G200 - 2 of 2
G200 - 1 of 2
G200 - 1 of 2
G200 - 1 of 2
G200 - 1 of 2
Door Key Switches, Mini Wedge (Door Jamb Switches)-Rear
Door Key Switches, Mini Wedge (Door Jamb Switches)-Rear
Door Key Switches, Mini Wedge (Door Jamb Switches)-Rear
Figure 9:

Cargo Door Jamb Switches


Object Number: 663010  Size: FS
Master Electrical Component List
Body Control System Description and Operation
Door Key Switches, Mini Wedge (Door Jamb Switches)-Rear
Mini Wedge (Door Jamb Switches) - Uplevel Utility
G410 - 2 of 2
G410 - 2 of 2
G410 - 2 of 2
Figure 10:

Door Key Switches, Mini Wedge (Door Jamb Switches) - Rear


Object Number: 663013  Size: FS
Master Electrical Component List
Body Control System Description and Operation
Cargo Door Jamb Switches
G410 - 2 of 2
G410 - 1 of 2
G410 - 2 of 2
G305 and G306
G305 and G306
Mini Wedge (Door Jamb Switches) - Uplevel Utility
Mini Wedge (Door Jamb Switches) - Uplevel Utility
Mini Wedge (Door Jamb Switches) - Uplevel Utility