GM Service Manual Online
For 1990-2009 cars only
Makes
🢒
Chevrolet
🢒
2001
🢒
Chevy K Silverado - 4WD
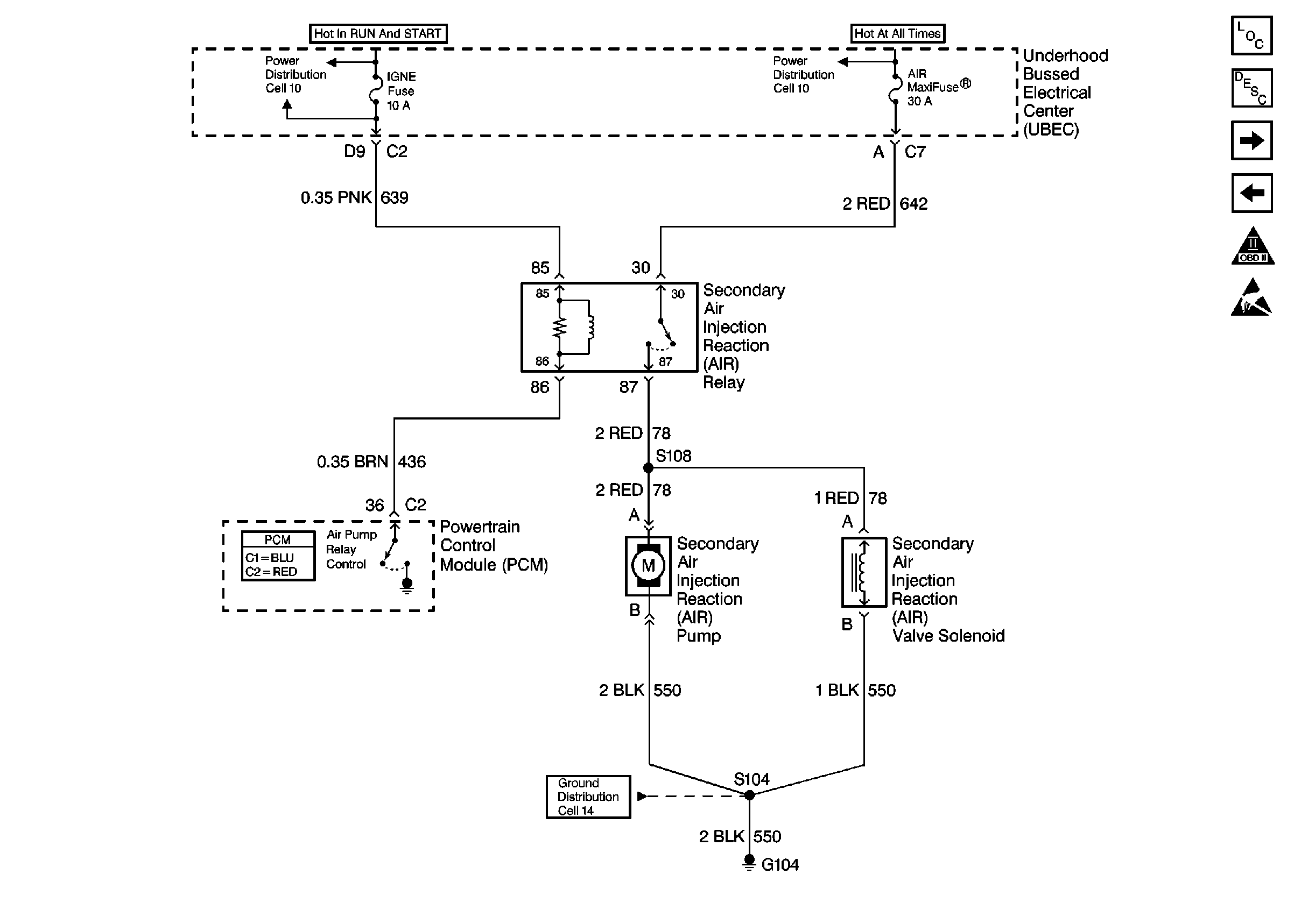
🢒 Cell 21: Secondary AIR Controls
Cell 21: Secondary AIR Controls
Cell 21: Secondary AIR Controls
Engine Controls Components
Powertrain Control Module Description
Cell 21: VSS
Cell 21: Oxygen Sensors
OBD II Symbol Description Notice
Handling ESD Sensitive Parts Notice
Cell 10: Underhood Bussed Electrical Center, Bussed Fuses
Cell 10: Underhood Bussed Electrical Center, Headlamp Dimmer Switch
Cell 14: Underhood Bussed Electrical Center, Windshield Wiper Motor