GM Service Manual Online
For 1990-2009 cars only
Figure 1:

Battery Supply - 1 of 2


Object Number: 1241483  Size: FS
Master Electrical Component List
Battery Supply - 2 of 2
B+ Bus Bar - 1 of 2
Battery Supply - 2 of 2
Figure 2:

Battery Supply - 2 of 2


Object Number: 1241495  Size: FS
Master Electrical Component List
B+ Bus Bar - 1 of 2
Battery Supply - 1 of 2
Battery Supply - 1 of 2
Figure 3:

B+ Bus Bar - 1 of 2


Object Number: 1285033  Size: FS
Master Electrical Component List
B+ Bus Bar - 2 of 2
Battery Supply - 2 of 2
Battery Supply - 1 of 2
B+ Bus Bar - 2 of 2
Figure 4:

B+ Bus Bar - 2 of 2


Object Number: 1241501  Size: FS
Master Electrical Component List
Ignition Switch - START, RUN, and ACC/RUN/START Bus Bars
B+ Bus Bar - 1 of 2
B+ Bus Bar - 1 of 2
Figure 5:

Ignition Switch - START, RUN, and ACC/RUN/START Bus Bars


Object Number: 1241507  Size: FS
Master Electrical Component List
Ignition Switch - ACC/RUN and RUN/START Bus Bars
B+ Bus Bar - 2 of 2
B+ Bus Bar - 2 of 2
Figure 6:

Ignition Switch - ACC/RUN and RUN/START Bus Bars


Object Number: 1241511  Size: FS
Master Electrical Component List
LBEC 1, LBEC 2, and MBEC 1 Fuses
Ignition Switch - START, RUN, and ACC/RUN/START Bus Bars
B+ Bus Bar - 1 of 2
Continuous Mode Bus Bar (HP2)
Continuous Mode Bus Bar (HP2)
Figure 7:

LBEC 1, LBEC2, and MBEC 1 Fuses


Object Number: 1241513  Size: FS
Master Electrical Component List
SEO B2, RR DEFOG, SEO IGN, and B/U LP Fuses
Ignition Switch - ACC/RUN and RUN/START Bus Bars
B+ Bus Bar - 1 of 2
Figure 8:

SEO B2, RR DEFOG, SEO IGN, and B/U LP Fuses


Object Number: 1241516  Size: FS
Master Electrical Component List
FLASH and LOCKS Fuses
LBEC 1, LBEC 2, and MBEC 1 Fuses
B+ Bus Bar - 1 of 2
Ignition Switch - ACC/RUN and RUN/START Bus Bars
Figure 9:

FLASH and LOCKS Fuses


Object Number: 1241536  Size: FS
Master Electrical Component List
ABS, VSES/ECAS, STUD #1, STUD #2, and TBC BATT Fuses
SEO B2, RR DEFOG, SEO IGN, and B/U LP Fuses
Figure 10:

ABS, VSES/ECAS, STUD #1, STUD #2, and TBC BATT Fuses


Object Number: 1241540  Size: FS
Master Electrical Component List
4WS, RADIO, and RADIO AMP Fuses
FLASH and LOCKS Fuses
B+ Bus Bar - 1 of 2
Continuous Mode Bus Bar (HP2)
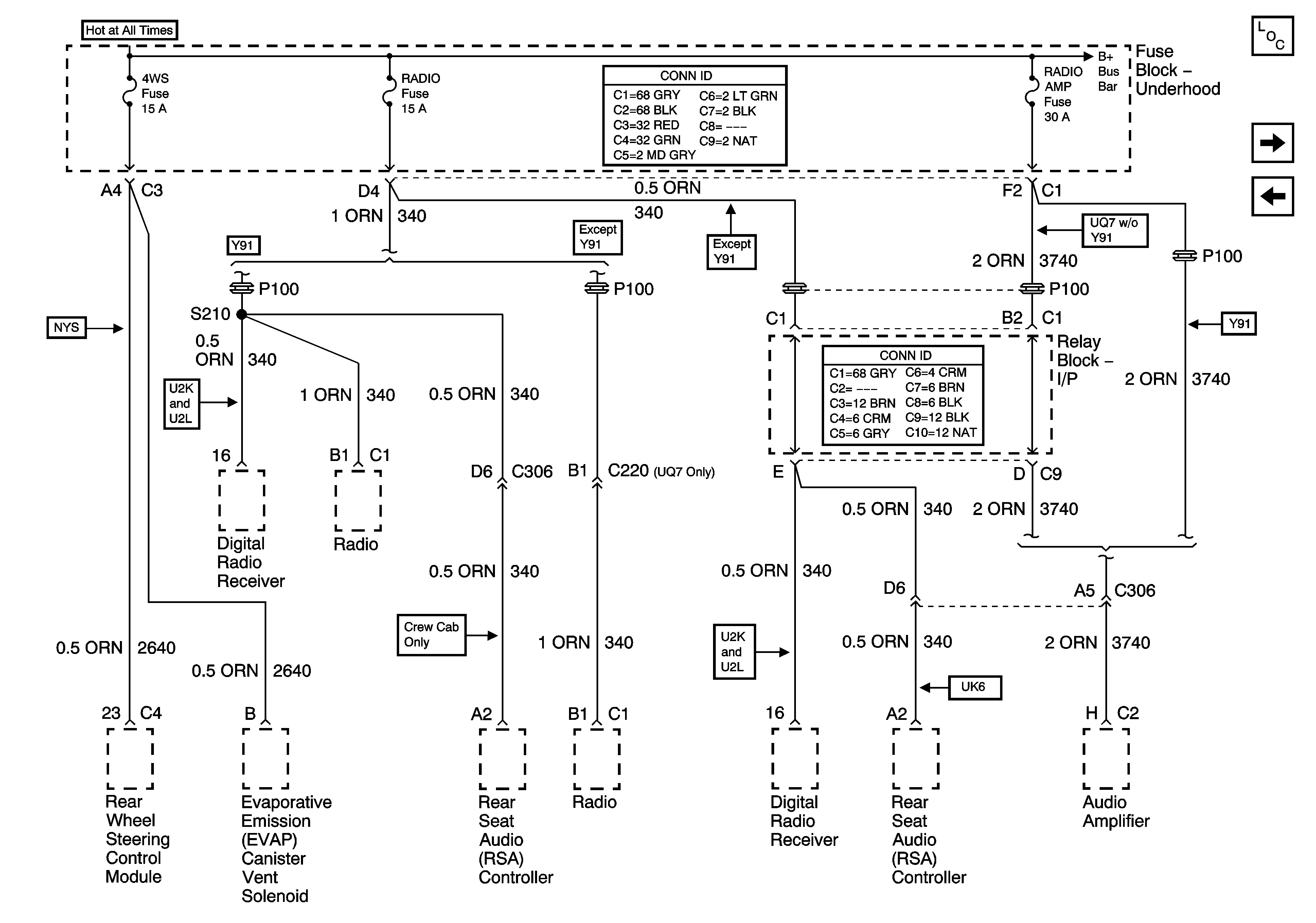
Figure 11:

4WS, RADIO, and RADIO AMP Fuses


Object Number: 1241568  Size: FS
Master Electrical Component List
INFO and CIG LTR Fuses
ABS, VSES/ECAS, STUD #1, STUD #2, and TBC BATT Fuses
B+ Bus Bar - 1 of 2
Figure 12:

INFO and CIG LTR Fuses


Object Number: 1241577  Size: FS
Master Electrical Component List
RTD, IPC/DIC, SEO B1, SUNROOF, EAP, and RR WPR Fuses
4WS, RADIO, and RADIO AMP Fuses
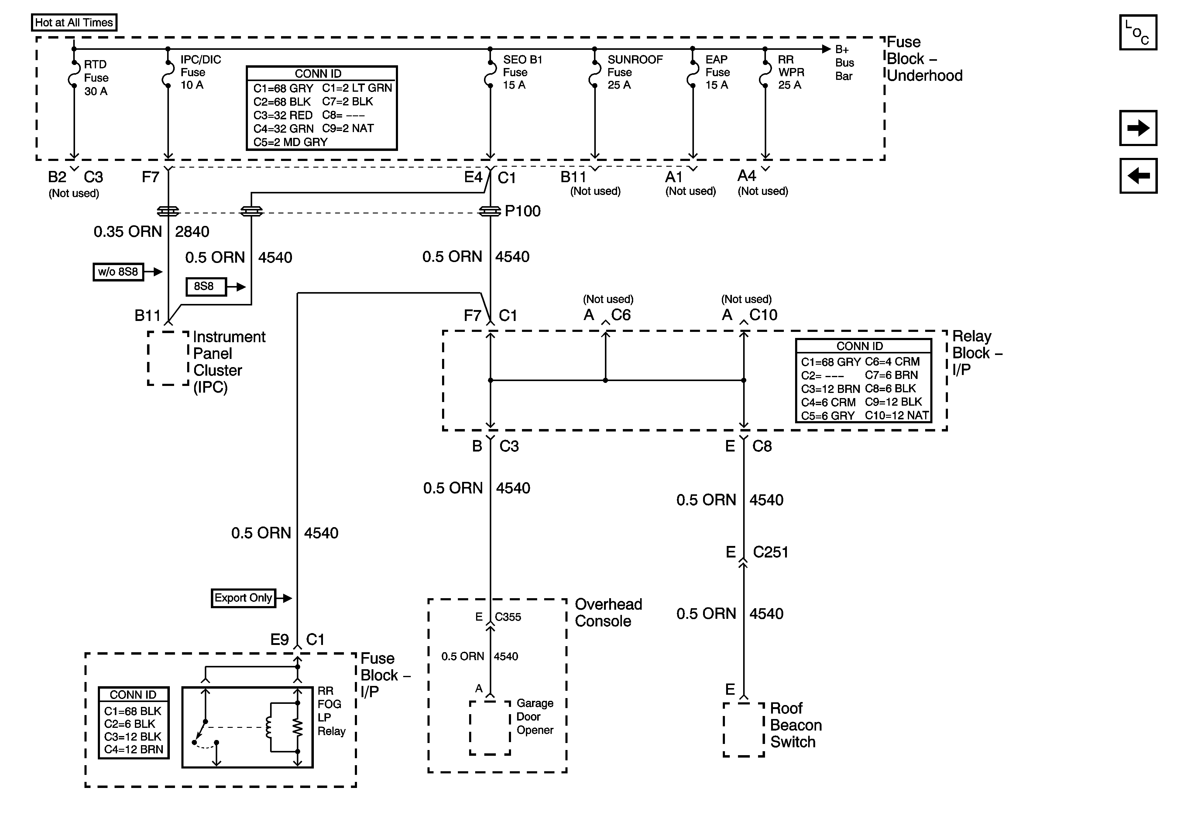
Figure 13:

RTD, IPC/DIC, SEO B1, SUNROOF, EAP, and RR WPR Fuses


Object Number: 1241623  Size: FS
Master Electrical Component List
PCM B, ECMRPV, EDU Fuses, F/PMP and EDU/IGN 1 Relays - Diesel Only
INFO and CIG LTR Fuses
B+ Bus Bar - 1 of 2
Figure 14:

PCM B, ECMRPV, EDU Fuses, F/PMP, and EDU/IGN1 Relays - Diesel Only


Object Number: 1241644  Size: FS
Master Electrical Component List
HVAC/ECAS, RR HVAC, BLOWER, RR DEFOG, STOP LP, and TREC Fuses
RTD, IPC/DIC, SEO B1, SUNROOF, EAP, and RR WPR Fuses
B+ Bus Bar - 2 of 2
Figure 15:

HVAC/ECAS, RR HVAC, BLOWER, RR DEFOG, STOP LP, and TREC Fuses


Object Number: 1241662  Size: FS
Master Electrical Component List
LH HID, RH HID, PCM B, CRANK, HORN, and SIR Fuses
PCM B, ECMRPV, EDU Fuses, F/PMP and EDU/IGN 1 Relays - Diesel Only
B+ Bus Bar - 1 of 2
VEH CHMSL, VEH STOP, LT TRLR ST/TRN, and RT TRLR ST/TRN Fuses
Figure 16:

LH HID, RH HID, PCM B, CRANK, HORN, and SIR Fuses


Object Number: 1241686  Size: FS
Master Electrical Component List
O2A, O2B, TBC IGN 1, and SEO IGN Fuses
HVAC/ECAS, RR HVAC, BLOWER, RR DEFOG, STOP LP, and TREC Fuses
B+ Bus Bar - 2 of 2
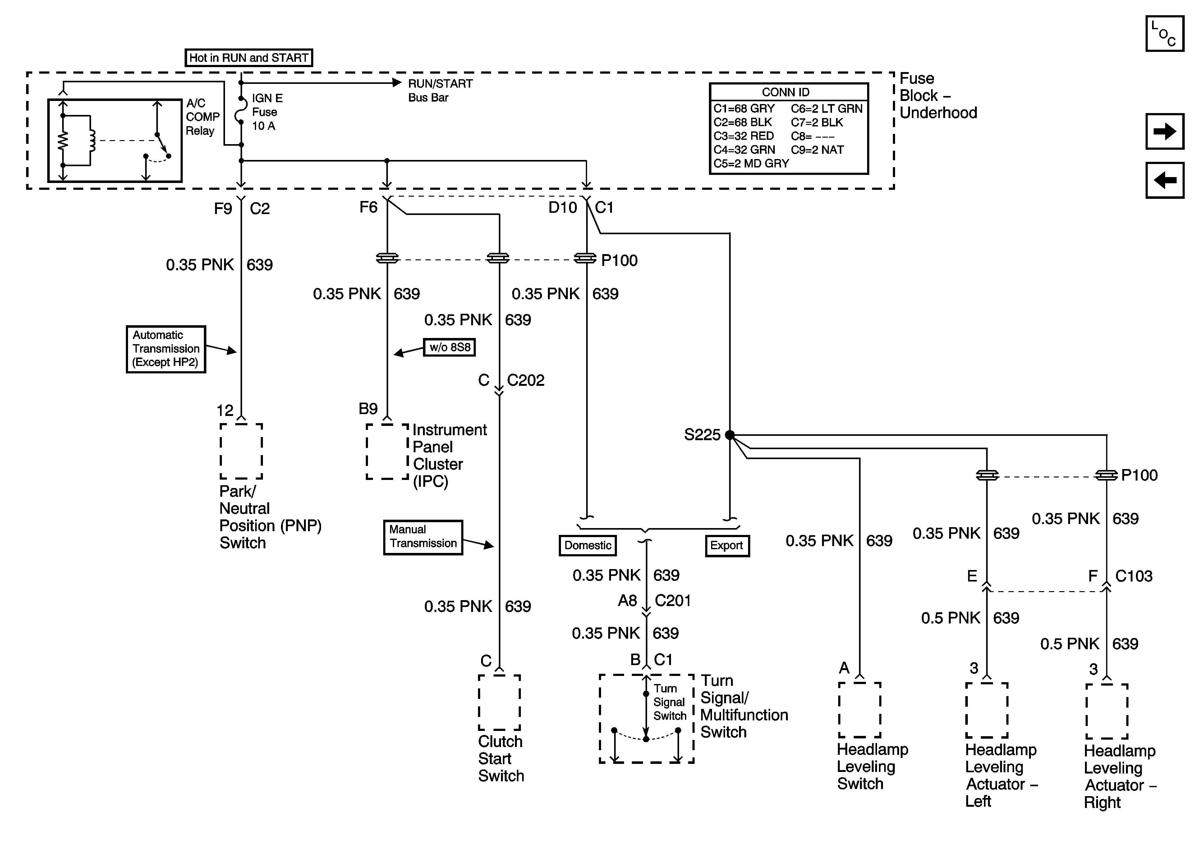
Figure 17:

O2A, O2B, TBC IGN 1, and SEO IGN Fuses


Object Number: 1241883  Size: FS
Master Electrical Component List
IGN E Fuse
LH HID, RH HID, PCM B, CRANK, HORN, and SIR Fuses
Ignition Switch - ACC/RUN and RUN/START Bus Bars
Figure 18:

IGN E Fuse


Object Number: 1241889  Size: FS
Master Electrical Component List
SBA, ETC/ECM, PCM 1, BTSI, and TRL B/U Fuses
O2A, O2B, TBC IGN 1, and SEO IGN Fuses
Ignition Switch - ACC/RUN and RUN/START Bus Bars
Figure 19:

SBA, ETC/ECM, PCM 1, BTSI, and TRL B/U Fuses


Object Number: 1241905  Size: FS
Master Electrical Component List
INJ 1and INJ 2 Fuses - Gas Except 8.1L
IGN E Fuse
B+ Bus Bar - 2 of 2
Continuous Mode Bus Bar (HP2)
Figure 20:

INJ 1 and INJ 2 Fuses - Gas Except 8.1L


Object Number: 1241918  Size: FS
Master Electrical Component List
INJ 1 and INJ 2 Fuses - 8.1L
SBA, ETC/ECM, PCM 1, BTSI, and TRL B/U Fuses
Figure 21:

INJ 1 and INJ 2 Fuses - 8.1L


Object Number: 1241928  Size: FS
Master Electrical Component List
IGN 0, TBC IGN 0,TBC ACCY, SEO ACCY, RR WPR, and WS WPR Fuses
INJ 1and INJ 2 Fuses - Gas Except 8.1L
Figure 22:

IGN 0, TBC IGN 0, TBC ACCY, SEO ACCY, RR WPR, and WS WPR Fuses


Object Number: 1241879  Size: FS
Master Electrical Component List
FUEL HT and PCM I Fuses - Diesel
INJ 1 and INJ 2 Fuses - 8.1L
Figure 23:

FUEL HT and PCM 1 Fuses - Diesel


Object Number: 1241936  Size: FS
Master Electrical Component List
TBC 2A, TBC 2B, TBC 2C Fuses and LT DOORS, RT DOOR, SEAT Circuit Breakers
IGN 0, TBC IGN 0,TBC ACCY, SEO ACCY, RR WPR, and WS WPR Fuses
Ignition Switch - ACC/RUN and RUN/START Bus Bars
Figure 24:

TBC 2A, TBC 2B, TBC 2C Fuses and LT DOORS, RT DOOR, SEAT Circuit Breakers


Object Number: 1241950  Size: FS
Master Electrical Component List
DDM, PDM, ECC, AUX PWR 2, and AUX PWR Fuses
FUEL HT and PCM I Fuses - Diesel
LBEC 1, LBEC 2, and MBEC 1 Fuses
Figure 25:

DDM, PDM, ECC, AUX PWR 2, and AUX PWR Fuses


Object Number: 1241965  Size: FS
Master Electrical Component List
BRAKE, HTR/AC, and HVAC 1 Fuses
TBC 2A, TBC 2B, TBC 2C Fuses and LT DOORS, RT DOOR, SEAT Circuit Breakers
LBEC 1, LBEC 2, and MBEC 1 Fuses
B+ Bus Bar - 1 of 2
Figure 26:

BRAKE, HTR/AC, and HVAC 1 Fuses


Object Number: 1241973  Size: FS
Master Electrical Component List
IGN 3, Cruise, and 4WD Fuses
DDM, PDM, ECC, AUX PWR 2, and AUX PWR Fuses
Ignition Switch - START, RUN, and ACC/RUN/START Bus Bars
Figure 27:

IGN 3, CRUISE, and 4WD Fuses


Object Number: 1242067  Size: FS
Master Electrical Component List
LO HDLP - LT, LO HDLP - RT, HI HDLP - LT, and HI HDLP - RT Fuses
BRAKE, HTR/AC, and HVAC 1 Fuses
Ignition Switch - START, RUN, and ACC/RUN/START Bus Bars
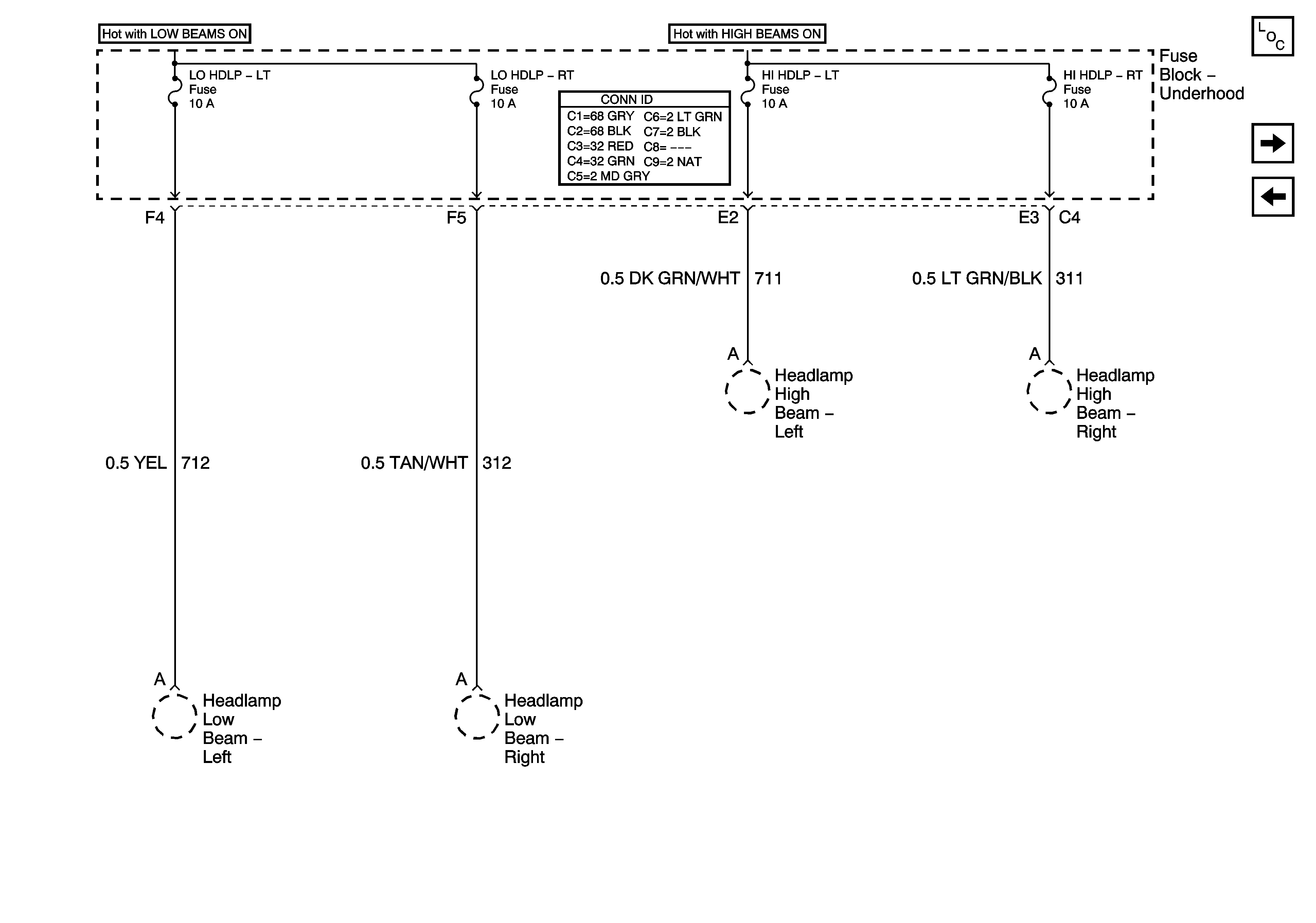
Figure 28:

LO HDLP - LT, LO HDLP - RT, HI HDLP - LT, and HI HDLP - RT Fuses


Object Number: 1242068  Size: FS
Master Electrical Component List
LR PARK and RR PARK Fuses
IGN 3, Cruise, and 4WD Fuses
Figure 29:

LR PARK and RR PARK Fuses


Object Number: 1242073  Size: FS
Master Electrical Component List
FRT PARK, INT PARK, and TRL PARK Fuses - Domestic
LO HDLP - LT, LO HDLP - RT, HI HDLP - LT, and HI HDLP - RT Fuses
B+ Bus Bar - 2 of 2
Figure 30:

FRT PARK, INT PARK, and TRL PARK Fuses - Domestic


Object Number: 1242078  Size: FS
Master Electrical Component List
FRT PARK, DRL, TRL PARK, and INT PARK Fuses - Export
LR PARK and RR PARK Fuses
B+ Bus Bar - 2 of 2
Figure 31:

FRT PARK, DRL, TRL PARK, and INT PARK Fuses - Export


Object Number: 1242079  Size: FS
Master Electrical Component List
VEH CHMSL, VEH STOP, LT TRLR ST/TRN, and RT TRLR ST/TRN Fuses
FRT PARK, INT PARK, and TRL PARK Fuses - Domestic
B+ Bus Bar - 2 of 2
Figure 32:

VEH CHMSL, VEH STOP, LT TRLR ST/TRN, and RT TRLR ST/TRN Fuses


Object Number: 1242085  Size: FS
Master Electrical Component List
Y91
FRT PARK, DRL, TRL PARK, and INT PARK Fuses - Export
Y91
Y91
HVAC/ECAS, RR HVAC, BLOWER, RR DEFOG, STOP LP, and TREC Fuses
Figure 33:

LT TRN and RT TURN Fuses - 1 of 2


Object Number: 1242086  Size: FS
Master Electrical Component List
LT TRN and RT TRN Fuses - 2 of 2
VEH CHMSL, VEH STOP, LT TRLR ST/TRN, and RT TRLR ST/TRN Fuses
VEH CHMSL, VEH STOP, LT TRLR ST/TRN, and RT TRLR ST/TRN Fuses
VEH CHMSL, VEH STOP, LT TRLR ST/TRN, and RT TRLR ST/TRN Fuses
LT TRN and RT TRN Fuses - 2 of 2
LT TRN and RT TRN Fuses - 2 of 2
LT TRN and RT TRN Fuses - 2 of 2
LT TRN and RT TRN Fuses - 2 of 2
Figure 34:

LT TRN and RT TURN Fuses - 2 of 2


Object Number: 1242088  Size: FS
Master Electrical Component List
Continuous Mode Bus Bar (HP2)
LT TRN and RT TRN Fuses - 1 of 2
LT TRN and RT TRN Fuses - 1 of 2
LT TRN and RT TRN Fuses - 1 of 2
LT TRN and RT TRN Fuses - 1 of 2
LT TRN and RT TRN Fuses - 1 of 2
Figure 35:

Continuous Mode Bus Bar (HP2)


Object Number: 1284955  Size: FS
Master Electrical Component List
PWR MAINT, HYBRID O2A, and HYBRID O2B Fuses (HP2)
LT TRN and RT TRN Fuses - 2 of 2
Ignition Switch - ACC/RUN and RUN/START Bus Bars
SBA, ETC/ECM, PCM 1, BTSI, and TRL B/U Fuses
Ignition Switch - ACC/RUN and RUN/START Bus Bars
ABS, VSES/ECAS, STUD #1, STUD #2, and TBC BATT Fuses
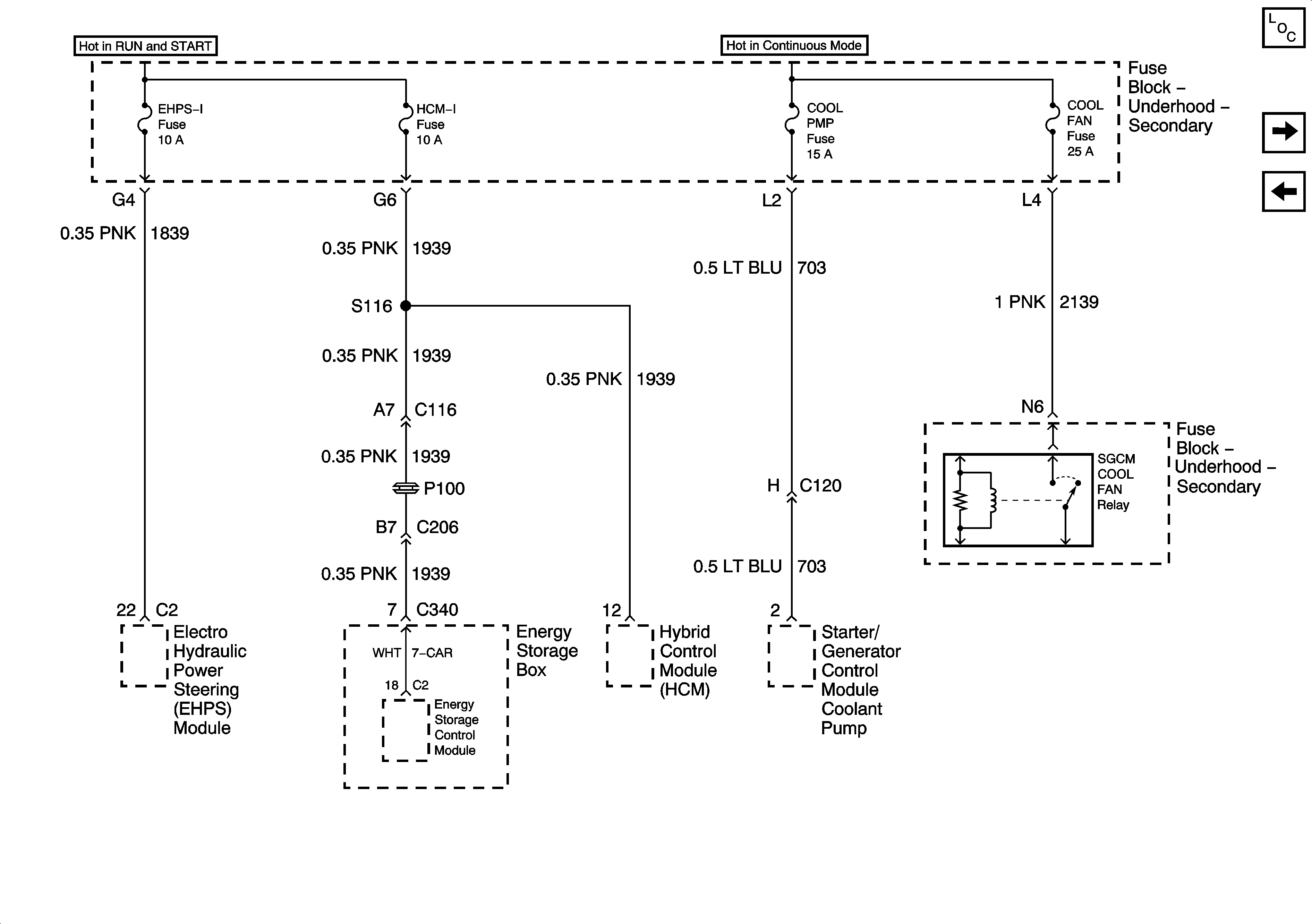
Figure 36:

PWR MAINT, HYBRID O2A, and HYBRID O2B Fuses (HP2)


Object Number: 1284960  Size: FS
Master Electrical Component List
EHPS-I, HCM-I, COOL PMP, and COOL FAN Fuses (HP2)
Continuous Mode Bus Bar (HP2)
Figure 37:

EHPS - I, HCM - I, COOL PMP, and COOL FAN Fuses (HP2)


Object Number: 1285014  Size: FS
Master Electrical Component List
TRANS PUMP, AUX HTR PMP, HCM-B, and ESCM Fuses (HP2)
PWR MAINT, HYBRID O2A, and HYBRID O2B Fuses (HP2)
Figure 38:

TRANS PUMP, AUX HTR PMP, HCM-B, and ESCM Fuses (HP2)


Object Number: 1285025  Size: FS
Master Electrical Component List
EHPS-I, HCM-I, COOL PMP, and COOL FAN Fuses (HP2)