GM Service Manual Online
For 1990-2009 cars only

NEW EXHAUST MANIFOLD NOISE CONDITION-NEW PARTS

Model and Year: 1985-89 P TRUCKS WITH 4.8L (VIN CODE T) ENGINE

THIS BULLETIN CANCELS AND SUPERSEDES DEALER SERVICE NO. 89-272-6F, DATED OCTOBER 1989. NEW GASKET PART NUMBERS HAVE BEEN ADDED. ALL COPIES OF 89-272-6F SHOULD BE DISCARDED.

Some 1985-89 P-Trucks with 4.8L engines may experience a condition where an exhaust leak develops between the manifold and cylinder head mating surface causing a noise condition.

Starting in late 1989 production, a new nodular iron exhaust manifold was released for the 4.8L engine. Along with this improved manifold, new and improved gaskets were also released. These new pads can be used on earlier year trucks. The new parts are as follows:

Part Number Usage Quantity ----------- ----- -------- 10141248 Gasket - Inlet to exhaust manifold 1 10141249 Gasket - Inlet and exhaust manifold 1 10141251 Manifold - Exhaust 1

Parts are expected to be available on February 12, 1990. Until then normal part orders will not be accepted by GMSPO. Only verifiable emergency VIP orders will be accepted. SPO will make every effort to obtain parts. All parts will be placed on 400 control to waive VIP surcharges. However, the part will be shipped premium transportation at dealer's expense. All other order types willl be canceled as incorrectly ordered while the 400 control is in place.

Part is currently available from GMSPO.

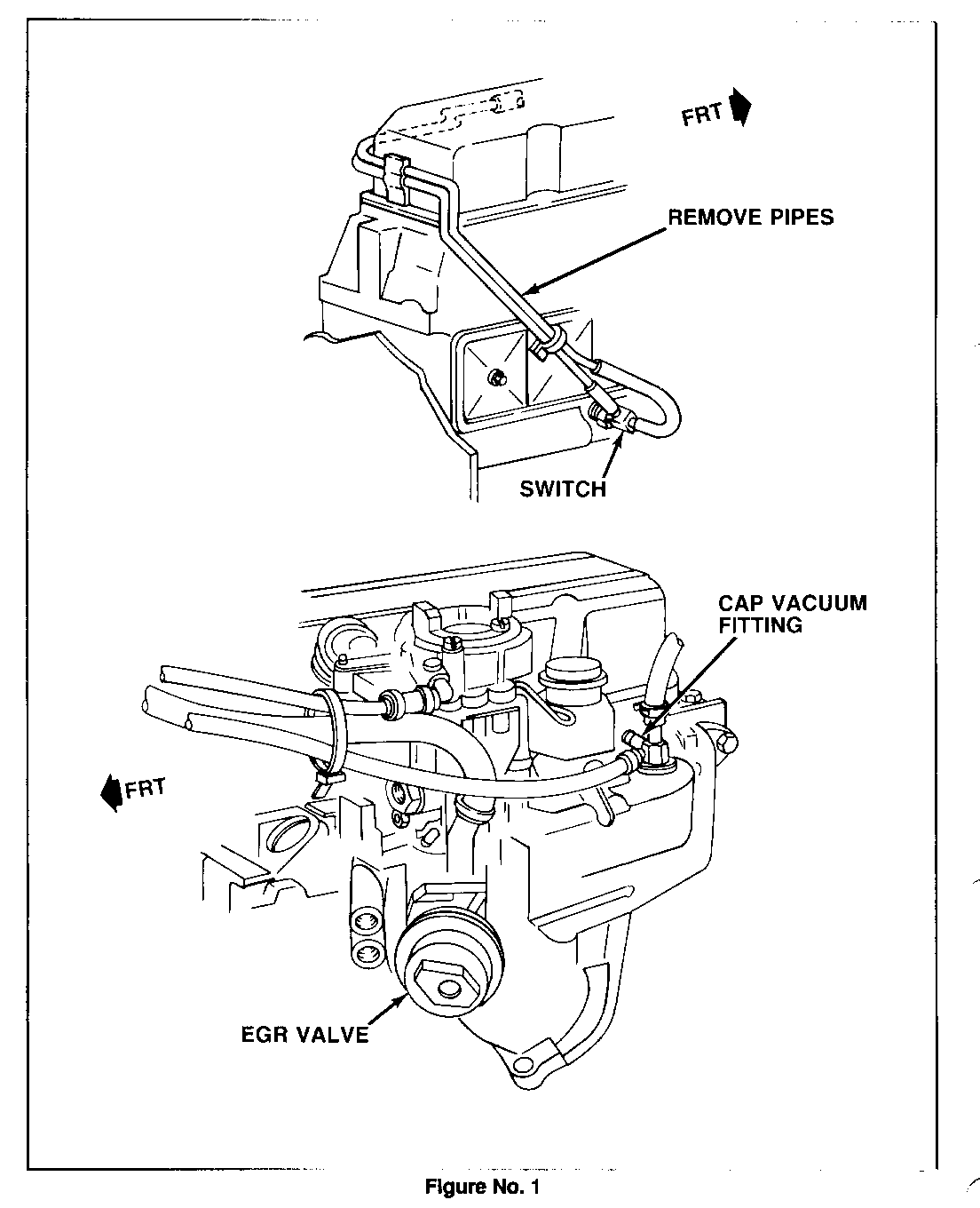
IMPORTANT: THIS NEW MANIFOLD DOES NOT INCORPORATE AN E.F.E. (EARLY FUEL EVAPORATION) VALVE. CAP VACUUM FITTING AND REMOVE E.F.E. LINES PER ATTACHED ILLUSTRATION.


Object Number: 81487  Size: FS

General Motors bulletins are intended for use by professional technicians, not a "do-it-yourselfer". They are written to inform those technicians of conditions that may occur on some vehicles, or to provide information that could assist in the proper service of a vehicle. Properly trained technicians have the equipment, tools, safety instructions and know-how to do a job properly and safely. If a condition is described, do not assume that the bulletin applies to your vehicle, or that your vehicle will have that condition. See a General Motors dealer servicing your brand of General Motors vehicle for information on whether your vehicle may benefit from the information.