GM Service Manual Online
For 1990-2009 cars only
Makes
🢒
Chevrolet
🢒
2000
🢒
Chevy MD Steel Tilt (W Model)
🢒 Power and Ground
Power and Ground
Power and Ground
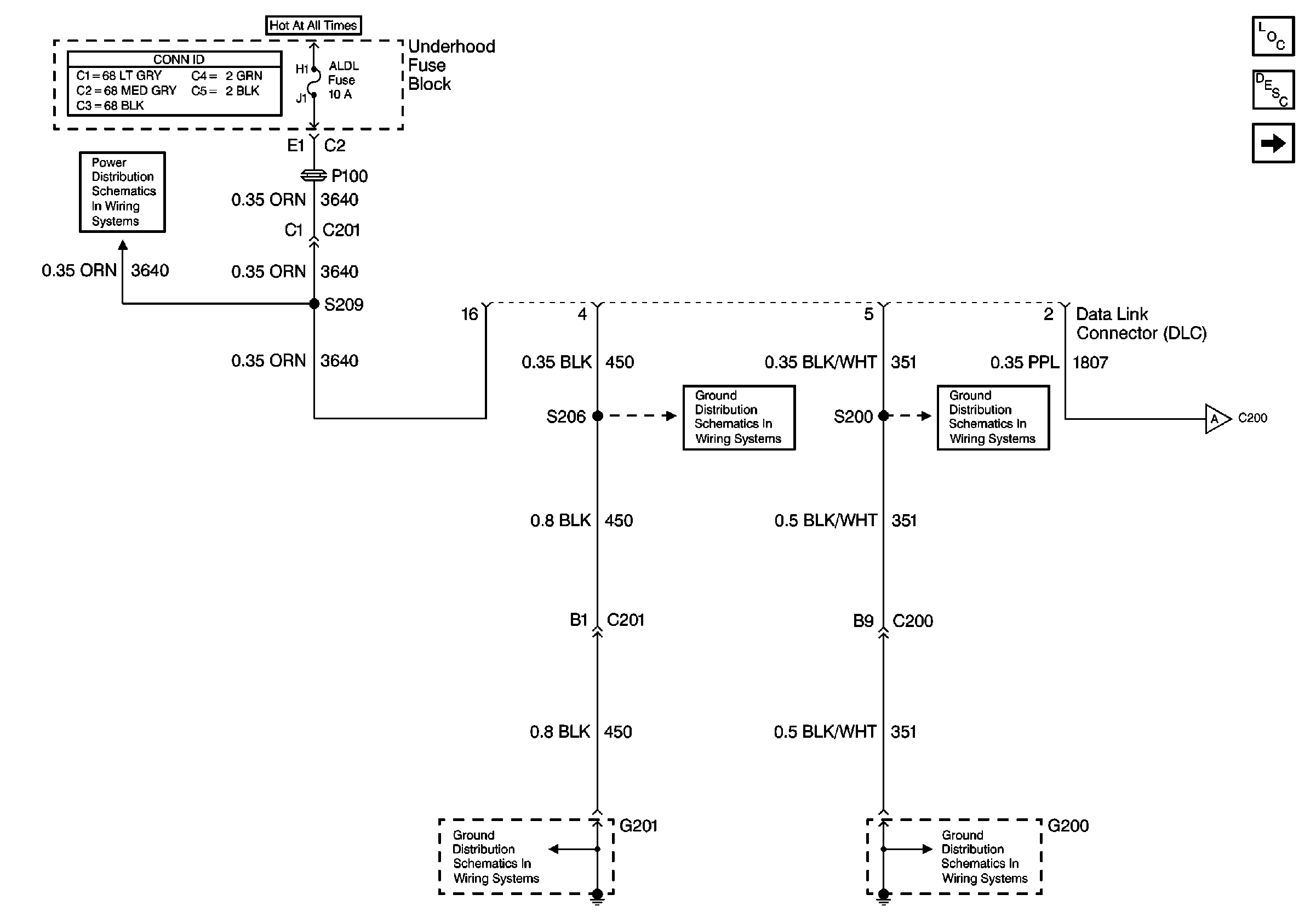
Data Link Communications Components
Data Link Communications Circuit Description
Serial Data Class 2 (1 of 3)
G200
G201 - IP Harness
HDHIBML, HDHIBMR, ALDL, PCM BATT, IP Fuses
G201 - IP Harness
G200
Serial Data Class 2 (1 of 3)