GM Service Manual Online
For 1990-2009 cars only
Makes
🢒
Chevrolet
🢒
2000
🢒
Chevy MD Steel Tilt (W Model)
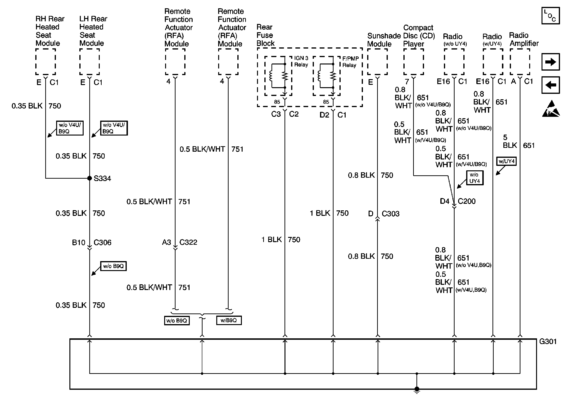
🢒 G301
G301
G301
Power and Grounding Components
G302 - RH Front Seat
G300, G303, G304, G306
Handling ESD Sensitive Parts Notice