GM Service Manual Online
For 1990-2009 cars only
Makes
🢒
Chevrolet
🢒
2000
🢒
Chevy MD Steel Tilt (W Model)
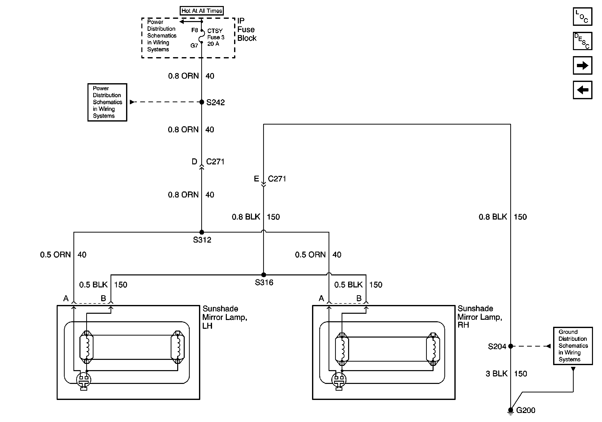
🢒 CTSY Fuse 3, Illuminated Vanity Mirrors
CTSY Fuse 3, Illuminated Vanity Mirrors
CTSY Fuse 3, Illuminated Vanity Mirrors
Lighting Systems Components
Interior Lights Circuit Description Execpt Luxury
Power Window Switch Illumination
Overhead Console Reading Lamps, Dome/Reading Lamps
G200 (1 of 4)
T CASE, and CTSY Fuses (1 of 2)
T CASE, and CTSY Fuses (1 of 2)