GM Service Manual Online
For 1990-2009 cars only

Removal Procedure

Notice: When replacing any hydraulic components, the hydraulic system should be flushed with Dexron® III transmission fluid. This is to ensure that the hydraulic system is free of contaminants such as metal particles that may have been circulated through the system as a result of a component failure.

  1. Move the column shift lever to park and apply the manual parking brake.
  2. Position a drain pan to catch the fluid that leaks out. Do not reuse the old fluid.
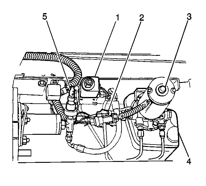
  3. Access the panel on the inboard side of the component box.

  4. Object Number: 412347  Size: SH
  5. Remove the parking brake pump motor assembly electrical connector.
  6. Remove the pressure indicator switch (5) electrical connector.
  7. Remove the hydraulic pipes from the solenoid valve (1).
  8. Remove the parking brake pump motor assembly (3) mounting bolts.
  9. Remove the parking brake pump motor assembly.

  10. Object Number: 29075  Size: SH
  11. Remove the pressure indicator switch (2) from parking brake pump motor assembly (1).

Installation Procedure


    Object Number: 29075  Size: SH

    Notice: Use the correct fastener in the correct location. Replacement fasteners must be the correct part number for that application. Fasteners requiring replacement or fasteners requiring the use of thread locking compound or sealant are identified in the service procedure. Do not use paints, lubricants, or corrosion inhibitors on fasteners or fastener joint surfaces unless specified. These coatings affect fastener torque and joint clamping force and may damage the fastener. Use the correct tightening sequence and specifications when installing fasteners in order to avoid damage to parts and systems.

  1. Connect the pressure indicator switch (2) to the parking brake pump motor assembly (1).
  2. Tighten
    Tighten the switch to 12 N·m (106 lb in).


    Object Number: 412347  Size: SH
  3. Install the parking brake pump motor assembly (3).
  4. Install the parking brake pump motor assembly mounting bolts.
  5. Tighten
    Tighten parking brake pump motor assembly mounting bolts to 37 N·m (27 lb ft).

  6. Install the hydraulic pipes.
  7. Tighten
    Tighten the hydraulic pipe fittings to 16 N·m (12 lb ft).

  8. Install the pressure indicator switch (5) electrical connector.
  9. Install the parking brake pump motor assembly (3) electrical connector.
  10. Install the access panel on the inboard side of the component box.
  11. Tighten
    Tighten the access panel fasteners to 12 N·m (106 lb in).

  12. Fill the pump motor reservoir (4) with Dexron® III transmission fluid.
  13. Cycle the system at least six times.
  14. Turn the ignition switch ON and move the shift lever from Park to Neutral.
  15. Check the fluid level. Refer to Checking and Adding Park Brake Fluid .
  16. Release the manual parking brake.