GM Service Manual Online
For 1990-2009 cars only
Makes
🢒
Chevrolet
🢒
1999
🢒
Chevy P32 RV/Van Chassis
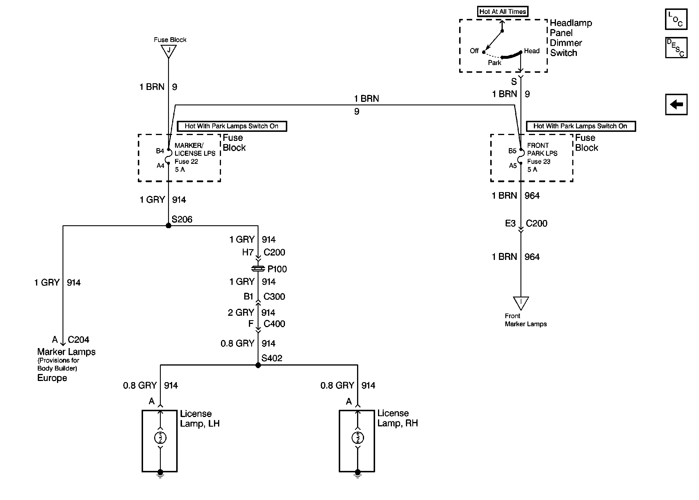
🢒 Cell 110: License Lamps [Export Only]
Cell 110: License Lamps [Export Only]
Cell 110: License Lamps [Export Only]
Lighting Systems Components P32
Exterior Lights Circuit Description P32
Cell 110: Rear Lamps [Export Only]
Cell 110: Rear Lamps [Export Only]
Cell 110: Forward Lamps