GM Service Manual Online
For 1990-2009 cars only
Figure 1:

Cell 22: PCM Power and Grounding, MIL and Service Throttle Indicators, and DLC


Object Number: 506497  Size: FS
Engine Controls Components
Powertrain Control Module Description
Cell 22: Glowplug Controls
OBD II Symbol Description Notice
P32 Cell 81(1)
Cell 11: GAUGES and TRANS fuses
Cell 10: Ignition Switch and Fuse Block
Cell 11: ECM-I fuse [L65]
Cell 11: ECM-I fuse [L65]
Cell 10: Fuse Block
Cell 11: ENG-BAT and ECM-BAT fuses
Handling ESD Sensitive Parts Notice
Cell 44: Diesel, ABS Power and Grounding, DLC Output
Cell 14: G200
Cell 14: S150 and S101 [L65]
Cell 14: G108 [L65]
Figure 2:

Cell 22: Glowplug Controls


Object Number: 506504  Size: FS
Engine Controls Components
Glow Plug System Description
Cell 22: Glowplug Controls 2 - Federal Emissions
Cell 22:A/T Controls 4 - TR, TFT, TISS, and PC Solenoid Valve
OBD II Symbol Description Notice
Cell 10: Battery, Starter and Junction Block
Cell 10: Ignition Switch and Fuse Block
Cell 11: ECM-I fuse [L65]
Cell 11: GAUGES and TRANS fuses
P32 Cell 81(1)
Handling ESD Sensitive Parts Notice
Handling ESD Sensitive Parts Notice
Cell 14: G104 [L65]
Cell 14: G104 [L65]
Figure 3:

Cell 22: Glowplug Controls 2 -- Federal Emissions


Object Number: 506507  Size: FS
Engine Controls Components
Glow Plug System Description
Cell 22: Glowplug Controls 3 - Export
Cell 22: Glowplug Controls
OBD II Symbol Description Notice
P32 Cell 81(1)
Handling ESD Sensitive Parts Notice
Cell 11: GAUGES and TRANS fuses
Cell 11: ECM-I fuse [L65]
Cell 10: Battery, Starter and Junction Block
Handling ESD Sensitive Parts Notice
Cell 14: G104 [L65]
Handling ESD Sensitive Parts Notice
Figure 4:

Cell 22: Glowplug Controls 3 -- Export


Object Number: 506525  Size: FS
Engine Controls Components
Glow Plug System Description
Cell 22: CKP and Injection Timing Stepper Motor
Cell 22: Glowplug Controls 2 - Federal Emissions
OBD II Symbol Description Notice
P32 Cell 81(1)
Handling ESD Sensitive Parts Notice
Cell 11: GAUGES and TRANS fuses
Cell 11: ECM-I fuse [L65]
Cell 10: Battery, Starter and Junction Block
Handling ESD Sensitive Parts Notice
Cell 14: G104 [L65]
Handling ESD Sensitive Parts Notice
Figure 5:

Cell 22: CKP and Injection Timing Stepper Motor


Object Number: 506539  Size: FS
Engine Controls Components
Information Sensors/Switches Description
Cell 22: Fuel Pump Controls
Cell 22: Glowplug Controls 3 - Export
OBD II Symbol Description Notice
Cell 22: Engine Data Sensors and Wastegate Solenoid
Handling ESD Sensitive Parts Notice
Figure 6:

Cell 22: Fuel Pump Controls


Object Number: 506543  Size: FS
Engine Controls Components
Fuel Supply Component Description
Cell 22: Water in Fuel Circuit, Fuel Heater and Temperature Sensor
Cell 22: CKP and Injection Timing Stepper Motor
OBD II Symbol Description Notice
Cell 11: ECM-I fuse [L65]
Cell 10: Fuse Block
Cell 14: G104 [L65]
Handling ESD Sensitive Parts Notice
Cell 14: G350, G400, G401, and G402
Figure 7:

Cell 22: Water in Fuel Circuit, Fuel Heater and Temperature Sensor


Object Number: 506549  Size: FS
Engine Controls Components
Information Sensors/Switches Description
Cell 22: Engine Shutoff Solenoid, Fuel Solenoid Driver
Cell 22: Fuel Pump Controls
OBD II Symbol Description Notice
P32 Cell 81(1)
Cell 10: Ignition Switch and Fuse Block
Handling ESD Sensitive Parts Notice
Cell 11: GAUGES and TRANS fuses
Cell 11: ECM-I fuse [L65]
Cell 22: Engine Data Sensors and Wastegate Solenoid
Cell 22: Glowplug Controls 2 - Federal Emissions
Cell 22: Glowplug Controls 2 - Federal Emissions
Cell 14: G104 [L65]
Handling ESD Sensitive Parts Notice
Figure 8:

Cell 22: Engine Shutoff Solenoid, Fuel Solenoid Driver


Object Number: 506589  Size: FS
Engine Controls Components
Fuel System Description
Cell 22: Engine Data Sensors and Wastegate Solenoid
Cell 22: Water in Fuel Circuit, Fuel Heater and Temperature Sensor
OBD II Symbol Description Notice
Cell 10: Ignition Switch and Fuse Block
P32 Cell 11: 03
Handling ESD Sensitive Parts Notice
Figure 9:

Cell 22: Engine Data Sensors and Wastegate Solenoid


Object Number: 506558  Size: FS
Engine Controls Components
Information Sensors/Switches Description
Cell 22: VSS Circuit
Cell 22: Engine Shutoff Solenoid, Fuel Solenoid Driver
OBD II Symbol Description Notice
Cell 10: Ignition Switch and Fuse Block
Cell 11: ECM-I fuse [L65]
Cell 22: CKP and Injection Timing Stepper Motor
Handling ESD Sensitive Parts Notice
Cell 22: A/T Controls 2 - TR Circuits, TFT, PC Sol. Valve, TISS
Handling ESD Sensitive Parts Notice
Figure 10:

Cell 22: VSS Circuit


Object Number: 506575  Size: FS
Engine Controls Components
Information Sensors/Switches Description
Cell 22: Accelerator Pedal Position Sensor, Cruise Switch Inputs
Cell 22: Engine Data Sensors and Wastegate Solenoid
OBD II Symbol Description Notice
Cell 11: ECM-I fuse [L65]
Cell 10: Ignition Switch and Fuse Block
P32 Cell 81 (3)
Handling ESD Sensitive Parts Notice
Handling ESD Sensitive Parts Notice
Handling ESD Sensitive Parts Notice
Handling ESD Sensitive Parts Notice
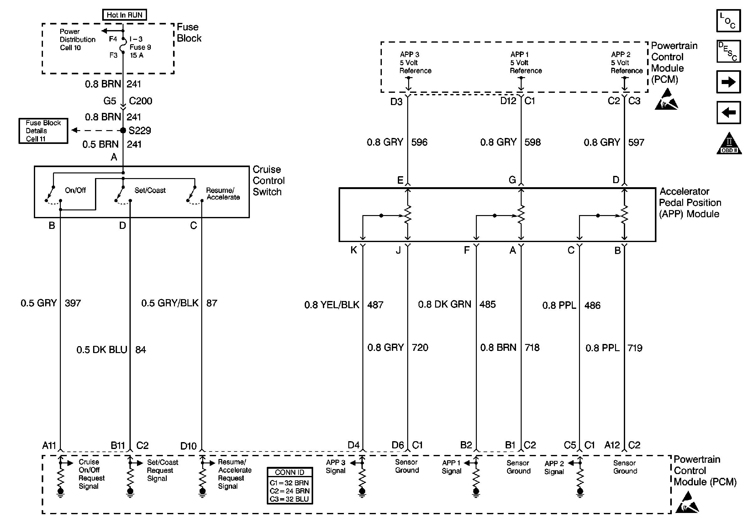
Figure 11:

Cell 22: Accelerator Pedal Position Sensor, Cruise Switch Inputs


Object Number: 506576  Size: FS
Engine Controls Components
Information Sensors/Switches Description
Cell 22: A/T Controls 1 - Internal Solenoids, Brake Switches
Cell 22: VSS Circuit
OBD II Symbol Description Notice
Cell 10: Ignition Switch and Fuse Block
Handling ESD Sensitive Parts Notice
Handling ESD Sensitive Parts Notice
Figure 12:

Cell 22: A/T Controls 1 -- Internal Solenoids, Brake Switches


Object Number: 506579  Size: FS
Engine Controls Components
Electronic Component Description
Cell 22: A/T Controls 2 - TR Circuits, TFT, PC Sol. Valve, TISS
Cell 22: Accelerator Pedal Position Sensor, Cruise Switch Inputs
OBD II Symbol Description Notice
Cell 10: Fuse Block
Cell 10: Ignition Switch and Fuse Block
Cell 11: I-3, TURN-B/U, and HTR fuses, AUX CKT BRKR 13
Cell 10: Ignition Switch and Fuse Block
Handling ESD Sensitive Parts Notice
Cell 138: P42 BTSI Circuit
Cell 44: Diesel, ABS Power and Grounding, DLC Output
Cell 110: Turn Signal Switch
Figure 13:

Cell 22: A/T Controls 2 -- TR Circuits, TFT, PC Sol. Valve, TISS


Object Number: 506581  Size: FS
Engine Controls Components
Electronic Component Description
Cell 22: Air Conditioning Controls
Cell 22: A/T Controls 1 - Internal Solenoids, Brake Switches
OBD II Symbol Description Notice
Handling ESD Sensitive Parts Notice
Handling ESD Sensitive Parts Notice
Cell 22: Engine Data Sensors and Wastegate Solenoid
Figure 14:

Cell 22: Air Conditioning Controls


Object Number: 506592  Size: FS
Engine Controls Components
Relays and Sensors Description
Cell 22: A/T Controls 2 - TR Circuits, TFT, PC Sol. Valve, TISS
OBD II Symbol Description Notice
Cell 11: ENG-BAT and ECM-BAT fuses
Cell 10: Fuse Block
Cell 10: Ignition Switch and Fuse Block
Cell 11: GAUGES and TRANS fuses
Cell 22: Fuel Pump Controls
Cell 14: G104, G105, G106, and G110 [L65]
Handling ESD Sensitive Parts Notice
Cell 14: G200
Cell 14: S150 and S101 [L65]