GM Service Manual Online
For 1990-2009 cars only

Front Brake Hose Replacement Commercial FL7 and FL9

Caution: Always use double walled steel brake pipe when replacing brake pipes. Always use the correct fasteners and the original routing when replacing brake pipes. Failure to properly route and fasten brake pipes may cause brake system failure.

Important: Maintain a 6 mm (1/4 in) clearance between parallel brake pipes.

Removal Procedure


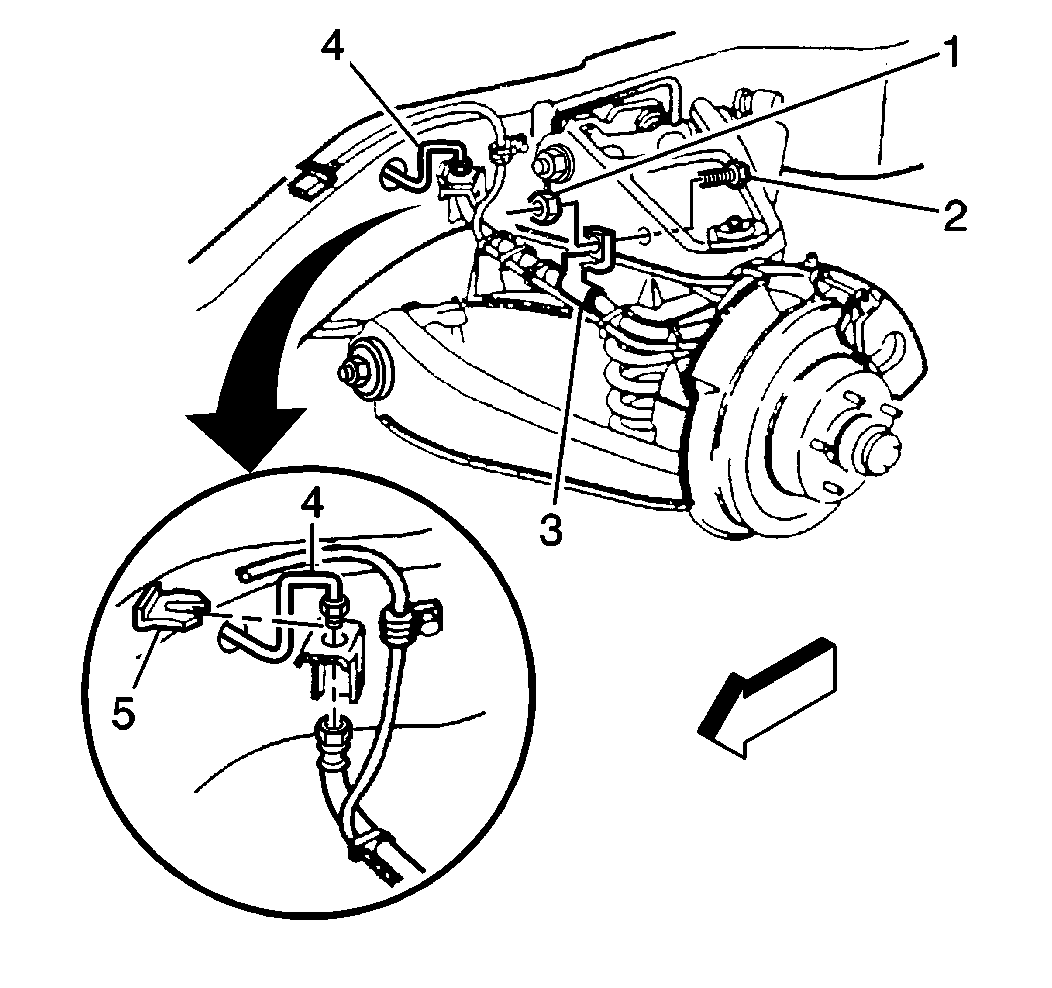
    Object Number: 172252  Size: SH
  1. Clean the hose fittings at both ends. Remove all dirt, grease, and foreign material.
  2. Disconnect the pipe from the frame fitting and remove the hose nut (4).
  3. Remove the hose bracket nut (1) and remove the hose from the support bracket (3).

  4. Object Number: 172245  Size: SH
  5. Remove the bolt (4).
  6. Remove the gaskets (3).
  7. Remove the hose bracket nut.
  8. Remove the hose (2). Separate the hose from the wheel speed sensor cable, if applicable.

Installation Procedure


    Object Number: 172245  Size: SH
  1. Position the hydraulic fitting (2).
  2. Important: Use new brass gaskets.

  3. Install the new brass gaskets (3).
  4. Notice: Use the correct fastener in the correct location. Replacement fasteners must be the correct part number for that application. Fasteners requiring replacement or fasteners requiring the use of thread locking compound or sealant are identified in the service procedure. Do not use paints, lubricants, or corrosion inhibitors on fasteners or fastener joint surfaces unless specified. These coatings affect fastener torque and joint clamping force and may damage the fastener. Use the correct tightening sequence and specifications when installing fasteners in order to avoid damage to parts and systems.

  5. Install the bolt (4).
  6. Tighten
    Tighten the bolt to 44 N·m (32 lb ft.).

  7. Install the support bracket (1) bolt.
  8. Tighten
    Tighten the bolt to 18 N·m (13 lb ft).


    Object Number: 172252  Size: SH
  9. Clip the hose to the wheel speed sensor cable. Secure the cable to the support bracket (3) with the bolt (2) and nut (1).
  10. Tighten
    Tighten the nut to 18 N·m (13 lb ft).

    Important: The hose must not be twisted. The hose must not contact any suspension components.

  11. Secure the hose to the frame fitting with the nut (4) and connect the pipe.
  12. Tighten

        • Tighten the nut (4) to 9 N·m (80 lb in) for FL7 units with four-wheel disc brakes.
        • Tighten the nut (4) to 10 N·m (84 lb in) for all other units.
  13. Bleed the brake system. Refer to Hydraulic Brake System Bleeding .

Front Brake Hose Replacement Commercial FK4/FK5 and JF9

Caution: Always use double walled steel brake pipe when replacing brake pipes. Always use the correct fasteners and the original routing when replacing brake pipes. Failure to properly route and fasten brake pipes may cause brake system failure.

Important: Maintain a 6 mm (1/4 in) clearance between parallel brake pipes.

Removal Procedure


    Object Number: 172253  Size: SH
  1. Clean the hose fittings at both ends. Remove all dirt, grease, and foreign material.
  2. Disconnect the pipe at the frame fitting.
  3. Remove the nut to dislodge the hose.
  4. Remove the retainer from the frame bracket. Unclip the hose (1) from the wheel speed sensor cable.
  5. Remove the caliper support bracket retainer (2) and dislodge the hose from this bracket.

  6. Object Number: 172248  Size: SH
  7. Remove the bolt (3) in order to disconnect the fitting from the caliper (FK4 configuration shown; FK5,and JF9 similar).
  8. Remove the gaskets (2).
  9. Remove the hose (1).

Installation Procedure


    Object Number: 172248  Size: SH
  1. Position the fitting to the caliper (FK4 configuration shown; FK5 and JF9 similar).
  2. Important: Use new brass gaskets.

  3. Install the new brass gaskets (2).
  4. Notice: Use the correct fastener in the correct location. Replacement fasteners must be the correct part number for that application. Fasteners requiring replacement or fasteners requiring the use of thread locking compound or sealant are identified in the service procedure. Do not use paints, lubricants, or corrosion inhibitors on fasteners or fastener joint surfaces unless specified. These coatings affect fastener torque and joint clamping force and may damage the fastener. Use the correct tightening sequence and specifications when installing fasteners in order to avoid damage to parts and systems.

  5. Install the bolt (3).
  6. Tighten
    Tighten the bolt to 44 N·m (32 lb ft).


    Object Number: 172253  Size: SH
  7. Position the hose into the caliper support bracket. Secure the hose with the retainer (2).
  8. Important: The hose must not be twisted. The hose must not contact any suspension components.

  9. Clip the hose to the wheel speed sensor cable.
  10. Insert the hose into the frame support bracket and fasten the hose with the retainer.
  11. Install the hose into the frame and secure the hose with the nut.
  12. Tighten
    Tighten the nut to 10 N·m (84 lb in).

  13. Connect the pipe.
  14. Bleed the brake system. Refer to Hydraulic Brake System Bleeding .

Front Brake Hose Replacement Comm. FL5/6 JB7/8Mtrhome JB8

Caution: Always use double walled steel brake pipe when replacing brake pipes. Always use the correct fasteners and the original routing when replacing brake pipes. Failure to properly route and fasten brake pipes may cause brake system failure.

Important: Maintain a 6 mm (1/4 in) clearance between parallel brake pipes.

Removal Procedure


    Object Number: 172255  Size: SH
  1. Clean the hose fittings at both ends. Remove all dirt, grease, and foreign material.
  2. Disconnect the pipe from the frame fitting and remove the hose nut (3).
  3. Remove the hose bracket nut (1) and remove the hose from the support bracket (2).

  4. Object Number: 172250  Size: SH
  5. Remove the bolt (1).
  6. Remove the gaskets (2).
  7. Remove the hose. Separate the hose from the wheel speed sensor cable, if applicable.

Installation Procedure


    Object Number: 172250  Size: SH
  1. Install the fitting.
  2. Notice: Use the correct fastener in the correct location. Replacement fasteners must be the correct part number for that application. Fasteners requiring replacement or fasteners requiring the use of thread locking compound or sealant are identified in the service procedure. Do not use paints, lubricants, or corrosion inhibitors on fasteners or fastener joint surfaces unless specified. These coatings affect fastener torque and joint clamping force and may damage the fastener. Use the correct tightening sequence and specifications when installing fasteners in order to avoid damage to parts and systems.

    Important: Use new brass gaskets.

  3. Install the new brass gaskets (2).
  4. Install the bolt (1).
  5. Tighten
    Tighten the bolt to secure the fitting to 44 N·m (32 lb ft).


    Object Number: 172255  Size: SH
  6. Clip the hose to the wheel speed sensor cable and secure the hose to the support bracket (2) with the nut (3).
  7. Tighten
    Tighten the nut to 18 N·m (13 lb ft).

    Important: The hose must not be twisted. The hose must not contact any suspension components.

  8. Secure the hose to the frame fitting with the nut (3).
  9. Tighten
    Tighten the nut to 10 N·m (84 lb in).

  10. Connect the pipe.
  11. Bleed the brake system. Refer to Hydraulic Brake System Bleeding .

Front Brake Hose Replacement Commercial FK4/FK5 and JB8

Caution: Always use double walled steel brake pipe when replacing brake pipes. Always use the correct fasteners and the original routing when replacing brake pipes. Failure to properly route and fasten brake pipes may cause brake system failure.

Important: Maintain a 6 mm (1/4 in) clearance between parallel brake pipes.

Removal Procedure


    Object Number: 172253  Size: SH
  1. Clean the hose fittings at both ends. Remove all dirt, grease, and foreign material.
  2. Disconnect the pipe at the frame fitting and remove the nut to dislodge the hose.
  3. Remove the retainer from the frame bracket. Dislodge the hose (1) from the wheel speed sensor cable, if applicable.
  4. Remove the caliper support bracket retainer (2). Dislodge the hose from the bracket.

  5. Object Number: 172248  Size: SH
  6. Remove the bolt (3) in order to disconnect the fitting from the caliper (FK4 and JB8 configuration shown; FK5 similar).
  7. Remove the gaskets (2).
  8. Remove the hose (1).

Installation Procedure


    Object Number: 172248  Size: SH
  1. Position the fitting to the caliper (FK4 and JB8 configuration shown; FK5 similar).
  2. Important: Use new brass gaskets.

  3. Install the new brass gaskets (2).
  4. Notice: Use the correct fastener in the correct location. Replacement fasteners must be the correct part number for that application. Fasteners requiring replacement or fasteners requiring the use of thread locking compound or sealant are identified in the service procedure. Do not use paints, lubricants, or corrosion inhibitors on fasteners or fastener joint surfaces unless specified. These coatings affect fastener torque and joint clamping force and may damage the fastener. Use the correct tightening sequence and specifications when installing fasteners in order to avoid damage to parts and systems.

  5. Install the bolt (3).
  6. Tighten
    Tighten the bolt to 44 N·m (32 lb ft).


    Object Number: 172253  Size: SH

    Important: The hose must not be twisted. The hose must not contact any suspension components.

  7. Position the hose into the caliper support bracket and secure with the retainer (2).
  8. Clip the hose to the wheel speed sensor cable and support bracket.
  9. Insert the hose into the frame. Fasten the hose with the retainer.
  10. Install the hose into the frame and secure it with the nut.
  11. Tighten
    Tighten the nut to 10 N·m (84 lb in).

  12. Connect the pipe.
  13. Bleed the brake system. Refer to Hydraulic Brake System Bleeding .

Front Brake Hose Replacement Motorhome JF9

Caution: Always use double walled steel brake pipe when replacing brake pipes. Always use the correct fasteners and the original routing when replacing brake pipes. Failure to properly route and fasten brake pipes may cause brake system failure.

Important: Maintain a 6 mm (1/4 in) clearance between parallel brake pipes.

Removal Procedure

  1. Clean the hose fittings at both ends. Remove all dirt, grease, and foreign material.
  2. Disconnect the steel pipe from the top of the bracket.
  3. Remove the retainer.
  4. Remove the support bracket.

  5. Object Number: 172245  Size: SH
  6. Remove the bolt (4).
  7. Remove the gaskets (3).
  8. Remove the hose bracket nut.
  9. Remove the hose (2) and unclip from the wheel speed sensor cable, if applicable.

Installation Procedure


    Object Number: 172245  Size: SH
  1. Install the hose (2).
  2. Notice: Use the correct fastener in the correct location. Replacement fasteners must be the correct part number for that application. Fasteners requiring replacement or fasteners requiring the use of thread locking compound or sealant are identified in the service procedure. Do not use paints, lubricants, or corrosion inhibitors on fasteners or fastener joint surfaces unless specified. These coatings affect fastener torque and joint clamping force and may damage the fastener. Use the correct tightening sequence and specifications when installing fasteners in order to avoid damage to parts and systems.

    Important: Use new brass gaskets.

  3. Install the new brass gaskets (3).
  4. Install the bolt (4).
  5. Tighten
    Tighten the bolt to 44 N·m (32 lb ft).

  6. Install the bracket (1).
  7. Tighten
    Tighten the bolt to 18 N·m (13 lb ft).

  8. Secure the support bracket with bolt and nut.
  9. Tighten
    Tighten the nut to 18 N·m (13 lb ft).

    Important: The hose must not be twisted. The hose must not contact any suspension components.

  10. Install the retainer.
  11. Connect the steel pipe and install the wheel speed sensor cable, if applicable.
  12. Bleed the brake system. Refer to Hydraulic Brake System Bleeding .

Front Brake Hose Replacement Motorhome JB7/JB8

Caution: Always use double walled steel brake pipe when replacing brake pipes. Always use the correct fasteners and the original routing when replacing brake pipes. Failure to properly route and fasten brake pipes may cause brake system failure.

Important: Maintain a 6 mm (1/4 in) clearance between parallel brake pipes.

Removal Procedure


    Object Number: 172244  Size: SH
  1. Clean the hose fittings at both ends. Remove all dirt, grease, and foreign material.
  2. Disconnect the steel pipe (4) from the top of the bracket.
  3. Remove the retainer (5).
  4. Remove the hose to speed sensor harness ties.
  5. Remove the support bracket (3).

  6. Object Number: 172248  Size: SH
  7. Remove the bolt.
  8. Remove the gaskets.
  9. Remove the hose.

Installation Procedure


    Object Number: 172248  Size: SH
  1. Install the hose (1) at the brake caliper, if applicable.
  2. Important: Use new brass gaskets.

  3. Install the new brass gaskets (2).
  4. Notice: Use the correct fastener in the correct location. Replacement fasteners must be the correct part number for that application. Fasteners requiring replacement or fasteners requiring the use of thread locking compound or sealant are identified in the service procedure. Do not use paints, lubricants, or corrosion inhibitors on fasteners or fastener joint surfaces unless specified. These coatings affect fastener torque and joint clamping force and may damage the fastener. Use the correct tightening sequence and specifications when installing fasteners in order to avoid damage to parts and systems.

  5. Install the bolt (3).
  6. Tighten
    Tighten the bolt to 44 N·m (32 lb ft).

  7. Install the support bracket.
  8. Tighten
    Tighten the support bracket nut to 18 N·m (13 lb ft).


    Object Number: 172244  Size: SH
  9. Install the retainer (5).
  10. Connect the front brake steel pipe (4) to the hose.
  11. Important: The hose must not be twisted. The hose must not contact any suspension components.

  12. Join the brake hose to the speed sensor harness, if applicable. Use new ties.
  13. Bleed the brake system. Refer to Hydraulic Brake System Bleeding .