GM Service Manual Online
For 1990-2009 cars only

Locating Fluid Leaks Pump and Remote Reservoir

  1. Turn off the engine.
  2. Wipe the power steering system dry.

  3. Object Number: 313977  Size: SH
  4. Inspect the fluid level in the reservoir. Adjust the fluid level as necessary.
  5. Start the engine.
  6. Notice: Do not hold the steering wheel against the stop. This may damage the pump.

  7. Turn the steering wheel from stop to stop several times.

  8. Object Number: 313980  Size: SH

    Notice: Use the correct fastener in the correct location. Replacement fasteners must be the correct part number for that application. Fasteners requiring replacement or fasteners requiring the use of thread locking compound or sealant are identified in the service procedure. Do not use paints, lubricants, or corrosion inhibitors on fasteners or fastener joint surfaces unless specified. These coatings affect fastener torque and joint clamping force and may damage the fastener. Use the correct tightening sequence and specifications when installing fasteners in order to avoid damage to parts and systems.

  9. Inspect for leakage around the clamps of each of the hoses (6,18). Tighten the clamp in order to stop the leakage.
  10. Tighten
    Tighten the clamp to 1.7 N·m (14 in).

  11. Inspect for leakage around the hose fittings.
  12. Tighten the hose fitting.
  13. Tighten
    Tighten the hose fitting to 38 N·m (28 lb ft).


    Object Number: 313989  Size: SH
  14. Inspect for leakage around the power steering pump stub shaft (18).
  15. Remove the power steering pump. Refer to Power Steering Pump Replacement .
  16. Replace the pump if the leak is originating from the drive shaft seal (19) area of the pump.
  17. Replace the pump if the leak is originating from the O-ring seal (23) and the connector O-ring seal of the pump.

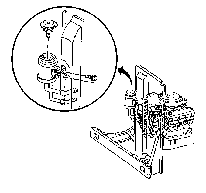
  18. Object Number: 313932  Size: SH
  19. Tighten or replace the remote reservoir clamp.
  20. Ensure that the power steering fluid is at the correct level. Verify that the cap is on tight.
  21. Inspect the cap for leakage.
  22. Replace the cap if leakage exists.

  23. Inspect the reservoir for cracks and bends.
  24. Replace the reservoir and tighten or replace the clamp if you find cracks or bends.

Locating Fluid Leaks Steering Gear

  1. Turn off the engine.
  2. Wipe the power steering system dry.
  3. Inspect the fluid level in the reservoir. Adjust the fluid level as necessary.
  4. Start the engine.
  5. Notice: Do not hold the steering wheel against the stop. This may damage the pump.

  6. Turn the steering wheel from stop to stop several times.

  7. Object Number: 314006  Size: SH
  8. Inspect for leakage around the adjuster nut (1).
  9. Tighten the nut if the leaking persists.

    If the leakage still persists, replace the nut.

    Notice: Use the correct fastener in the correct location. Replacement fasteners must be the correct part number for that application. Fasteners requiring replacement or fasteners requiring the use of thread locking compound or sealant are identified in the service procedure. Do not use paints, lubricants, or corrosion inhibitors on fasteners or fastener joint surfaces unless specified. These coatings affect fastener torque and joint clamping force and may damage the fastener. Use the correct tightening sequence and specifications when installing fasteners in order to avoid damage to parts and systems.

  10. Install the adjuster nut.
  11. Tighten

        • Tighten the adjuster lock nut on the Model 708 steering gear to 49 N·m (36 lb ft).
        • Tighten the adjuster screw jam nut on the Model 710 steering gear to 90 N·m (66 lb ft).
  12. If leakage is discovered by the steering gear side cover, tighten the side cover bolts.
  13. Tighten

        • Tighten the cover bolts on the Model 708 steering gear to 60 N·m (44 lb ft).
        • Tighten the cover bolts on the Model 710 steering gear to 47 N·m (35 lb ft).

    Object Number: 313919  Size: SH
  14. Inspect for leakage around the hose fittings.
  15. Tighten

        • Tighten the gear inlet and outlet hose fittings to 33 N·m (24 lb ft).
        • Tighten the inlet and outlet hose fittings with new O-rings (Motorhome vehicle with the 6.5L and 7.4L engines with independent front suspension) to 30.5 N·m (23 lb ft).
        • Inspect for seepage between the torsion bar and stub shaft. If seepage exists, replace the rotary valve assembly.
        • Seat the ball in the housing with a blunt punch.
            Apply Loctite 75559 solvent and Loctite 290 adhesive, or the equivalent, to the ball area.