GM Service Manual Online
For 1990-2009 cars only
Makes
🢒
Chevrolet
🢒
1998
🢒
Chevy P42 Commercial Chassis
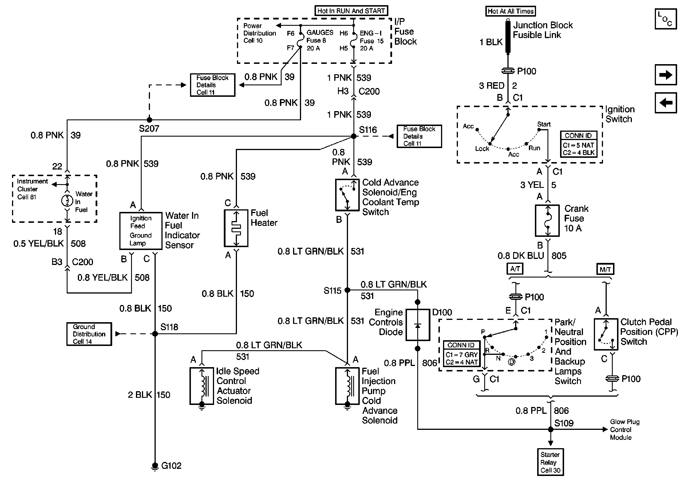
🢒 Cell 22: Fuel Controls 2 - Fuel Heater, Water Sensor, Cold Advance
Cell 22: Fuel Controls 2 - Fuel Heater, Water Sensor, Cold Advance
Cell 22: Fuel Controls 2 -- Fuel Heater, Water Sensor, Cold Advance
Engine Controls Components L57 MFI
Cell 22: VSS Circuit
Cell 22: Fuel Controls 1 - Fuel Pump Control
Cell 11: Gauges fuse
Cell 11: INSTR LPS, TRANS, and ENG-I fuses
Cell 14: G102 [Diesel L57]
Starting System