GM Service Manual Online
For 1990-2009 cars only
Makes
🢒
Chevrolet
🢒
1998
🢒
Chevy P42 Commercial Chassis
🢒 Charging System
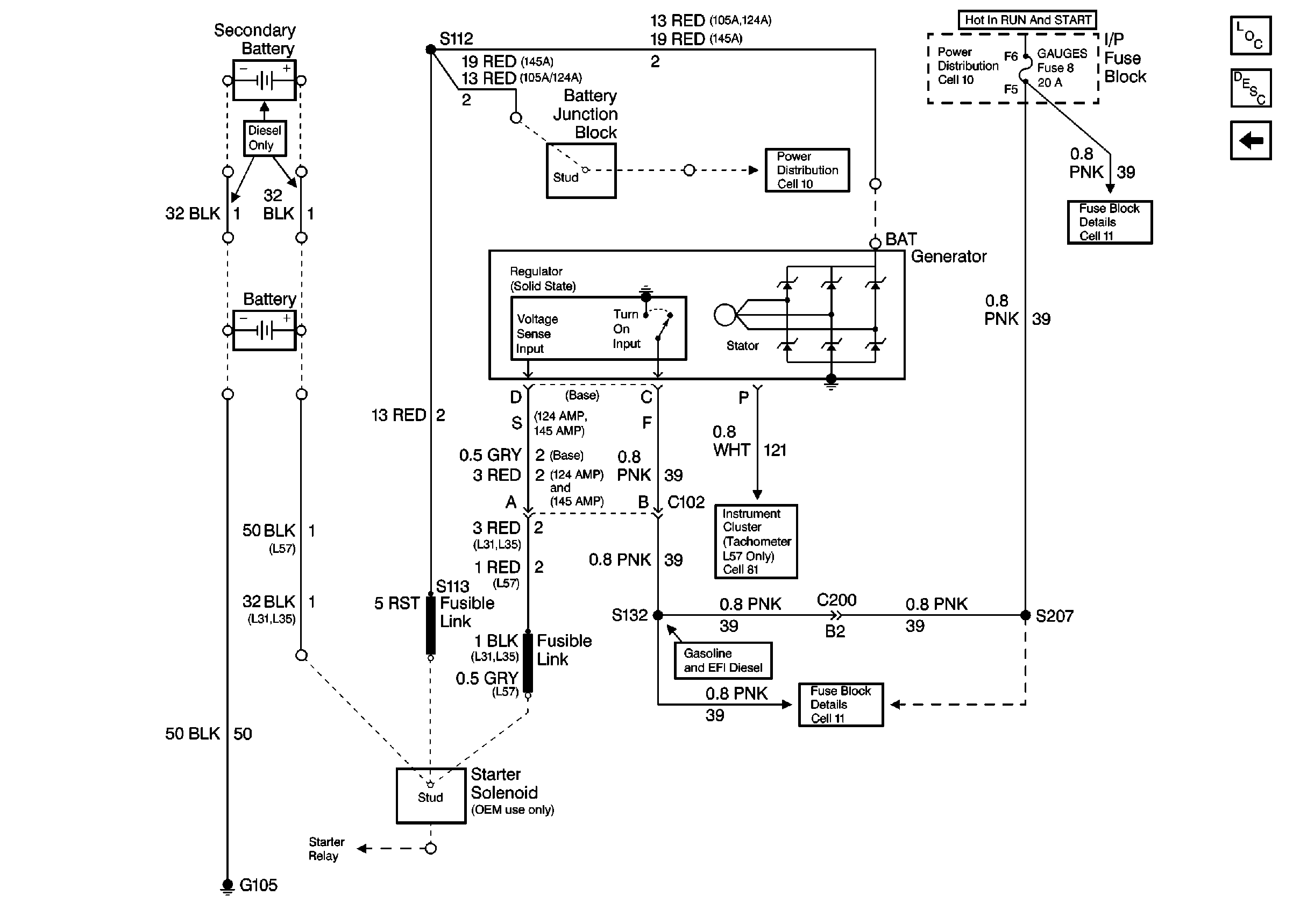
Charging System
Charging System
Engine Electrical Components P42
Charging System Circuit Description
Starting System
Cell 10: Battery, Starter, and Junction Block
Cell 10: Ignition Switch and Fuse Block
Cell 11: Gauges fuse
Cell 11: Gauges fuse
Cell 81: Gauges [L57]
Starting System